Основная схема
Схема радиоприемника
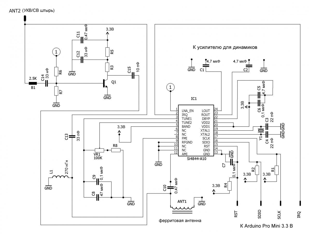
На рисунке 1 представлена основная схема радиоприемника, взятая и адаптированная из технического описания Silicon Labs Si4844 и рекомендаций по применению. Для приема в диапазоне КВ я использовал ферритовую антенну от старого портативного приемника. Q1 – усилитель для СВ/УКВ, здесь я так же использовал телескопическую антенну от старого приемника. Стоит заметить, что руководство по проектированию, приведенное выше, дает несколько альтернатив и различные подходы к антеннам.
Переменный резистор (VR1) является критичным элементом схемы, поскольку он будет использоваться для настройки частоты приемника (ручка настройки). Рекомендуется использовать линейный потенциометр. Для аудиовыхода я решил использовать пару «экономичных» аудиоколонок со встроенным усилителем, которые у меня остались от старого компьютера. Разумеется, можно использовать простой стереоусилитель.
Возможно, наиболее сложная часть сборки – это работа с микросхемой в корпусе SSOP-24. Если у вас нет опыта работы с SMD микросхемами, возможно, самым простым способом будет использование переходной платы. У меня была переходная плата SSOP-28; немного пайки, и с микросхемой стало можно работать, как с микросхемой в DIP корпусе. Другими потенциально трудными компонентами для работы является пара из ферритового фильтра (бусинки) и конденсатора. Эти компоненты также можно припаять на переходную плату, чтобы работать с ними как с DIL элементом.
SMD компоненты, припаянные на переходные платы
| Компонент | Описание |
|---|---|
| B1 | Ферритовый фильтр (бусинка) 2,5 кОм (100 МГц) |
| C1,C2,C5 | Неполярный конденсатор 4,7 мкФ |
| C3,C4 | Конденсатор 22 пФ |
| C6,C7,C9 | Конденсатор 0,1 мкФ |
| C8 | Неполярный конденсатор 47 мкФ |
| C10,C11 | Конденсатор 0,47 мкФ |
| C12,C14 | Конденсатор 33 нФ |
| C13 | Конденсатор 33 пФ |
| C15 | Конденсатор 10 пФ |
| IC1 | Радиоприемник Si4844-A10 |
| Q1 | NPN транзистор SS9018 |
| R1, R2 | Резистор 2,2 кОм |
| R3 | Резистор 1 кОм |
| R4,R7 | Резистор 100 кОм |
| R5 | Резистор 10 Ом |
| R6 | Резистор 120 кОм |
| R8 | Резистор 100 Ом |
| L1 | Индуктивность 270 нГн |
| VR1 | Линейный потенциометр 100кОм |
| Y1 | Кварцевый резонатор 32,768 кГц |
| ANT1 | Ферритовая антенна |
| ANT2 | Телескопическая/штыревая антенна |
Добавление клавиатуры
Для управления радиоприемником нам необходимо устройство ввода. Для наших целей достаточно простой мембранной клавиатуры. Их легко подключить к Arduino. Ниже приведена иллюстрация назначения выводов клавиатуры (где строки, а где столбцы), которую использовал я, вы должны убедиться, что ваша клавиатура аналогична.
Простая мембранная клавиатура
| Клавиатура | Arduino |
|---|---|
| Строка 1 | D8 |
| Строка 2 | D9 |
| Строка 3 | D10 |
| Строка 4 | D11 |
| Столбец 1 | D13 |
| Столбец 2 | D14 |
| Столбец 3 | D15 |
В программном обеспечении я использовал библиотеку от Марка Стэнли и Александра Бревига, которая выпущена под лицензией GNU General Public License. Для проекта мы сопоставим функции с кнопками, как показано ниже.
Назначение кнопок для управления радиоприемником
Назначение кнопок клавиатуры:
- AM: переключить в режим AM (средние волны), диапазон 22;
- FM: переключить в режим FM (ультракороткие волны), диапазон 8;
- SW: переключить в режим SW (короткие волны), диапазон 31.
Обратите внимание, что стандартные диапазоны для изменения режима настраиваются в программе и легко могут быть изменены. Кроме того, текущие значения громкости и тона будут перенесены в новый режим
Vol+ / Vol- : Увеличить или уменьшить громкость на один шаг. Есть 64 уровня громкости. Поскольку в проекте используются колонки со встроенным усилителем, эти кнопки не сильно важны, но их наличие всё равно радует;
Band+/Band- : Изменение диапазона на один шаг, но из числа доступных в текущем режиме;
B/T+ / B/T- : Увеличить или уменьшить тон на один шаг. Я признаю, что несколько вольно использую термин «тон». Для режима FM это увеличит или уменьшит уровень низких частот от 0 (макс. бас) до 8 (макс. высокий). Для режимов AM/SW это установит канальный фильтр от 1 до 7. Фильтры составляют 1.0 кГц, 1.8 кГц, 2.0 кГц, 2.5 кГц, 2.83 кГц, 4.0 кГц и 6.0 кГц соответственно
Также обратите внимание, что для простоты и удобства программирования (т.е. лени) в режимы AM/SW могут быть добавлены уровни 0 и 8, но они не будут отличаться от уровней 1 и 7 соответственно;
Mute: Включить или выключить звук на выходе.
Настройка
Приемник достаточно неприхотлив и при правильной сборке начинает работать сразу. Тем не менее есть ряд общих рекомендаций по его настройке.
- После включения проверяют наличие накала ламп. Если накала нет, то следует проверить исправность лампы или искать обрыв/замыкание в цепи накала. Нити подогревателей прогретой лампы должны светиться оранжевым.
- Следует проверить наличие анодных напряжений. Некоторые напряжения указаны на схеме.
- Проверь режим работы ламп, установив требуемые напряжения в катодной цепи. Если отклонения существенны (больше 50%), следует подобрать соответствующие резисторы.
- Проверь работу УНЧ: при прикосновении к движку резистора пальцем должен слышаться характерный шум в динамике. Проверить работу УПЧ без осциллографа сложнее, но, если напряжения установлены верно и ошибок при сборке нет, он будет работать.
- Проверь работу смесителя. Когда вращаешь ручку управления режимом работы смесителя в месте начала генерации, должен появляться шум в динамиках.
- Проверь работу УВЧ: при касании антенного входа отверткой в динамиках раздаются характерные щелчки.
Если все работает, то ручкой регулировки режима смесителя получаем появление шума в динамиках, после чего переменным конденсатором настраиваемся на радиостанцию. Затем более точной подстройкой режима смесителя и частоты добиваемся наилучшего качества приема. В этом помогает индикатор настройки. Все! Можно наслаждаться теплым ламповым звуком. Качество звучания этого приемника оказалось достаточно хорошим, во всяком случае, с качеством звучания сверхрегенератора оно не сравнится.
Ну и напоследок самое интересное, то, ради чего все и затевалось, — осциллограммы сигнала в разных точках схемы. Осциллограмм работ смесителя у меня нет по причине того, что щупы осциллографа сильно влияют на режим его работы, поэтому начнем с УПЧ.
Рассмотрим сигнал на входе и выходе первого каскада УПЧ. На осциллограмме входного (снизу) сигнала видно, что из смесителя, кроме сигнала ПЧ, проходит высокочастотный шум, и его амплитуда даже больше амплитуды нужного сигнала. Но это не страшно, так как он отфильтруется полосой пропускания каскада. И действительно, в осциллограмме выходного сигнала виден только сигнал ПЧ с амплитудой около 200 МВ
Обрати внимание, что у осциллограмм разный масштаб. Из этих осциллограмм можно увидеть, что реальный коэффициент усиления каскада составляет около 30 против расчетных 80

Сигнал на входе и выходе первого каскада УПЧ
Уже в этом месте с помощью осциллографа можно увидеть настройку на станцию, что выглядит как повышение амплитуды сигнала и пульсирующее изменение его частоты (частотная модуляция).

Частотная модуляция сигнала ПЧ
Далее посмотрим на работу второго каскада УПЧ. Тут все просто и понятно, входной сигнал усиливается примерно в 30 раз, и на выходе мы получаем уже около 5 В.

Сигнал на входе и выходе второго каскада УПЧ
После второго каскада сигнал попадает в ограничитель, в котором он дополнительно усиливается и амплитуда ограничивается на уровне 70 В. Здесь хорошо видно подавление паразитной амплитудной модуляции и почти меандр на выходе.

Сигнал на входе и выходе ограничителя
Также тут можно посмотреть на частотную модуляцию.

Частотная модуляция в ограничителе
Теперь взглянем на осциллограммы работы счетного детектора. Видно, что на каждом восходящем фронте сигнала из ограничителя регенерируется импульс примерно одинаковой длительности и амплитуды.

Импульсы в счетном детекторе
Также здесь отчетливо видна частотная модуляция. Например, изменение частоты входного сигнала меняет частоту следования импульсов на выходе детектора.

Импульсы в счетном детекторе
Затем импульсы идут на интегрирующую RC-цепочку, что приводит к формированию низкочастотного сигнала на выходе. На осциллограмме отчетливо видно влияние частотной модуляции на выходной сигнал.

Формирование звукового сигнала
Суммарно работа детектора выглядит так, как показано на рисунках ниже. Здесь видно, что аудиосигнал несколько запаздывает относительно модулированной ПЧ, это связано с интегрирующей RC-цепочкой.

Работа ЧМ-детектора
C детектора сигнал идет на первый каскад УЗЧ, где он усиливается, а кроме того, отфильтровываются остаточные шумы из детектора.

Работа первого каскада УЗЧ
На этом можно и остановиться.
Конструкция
Так как будет использована достаточно высокая ПЧ, конструкции следует уделить особое внимание. Монтаж производится на алюминиевом шасси размерами 260 × 70 × 50 мм. Впрочем, корпус можно сделать и побольше, тогда будет меньше возни с плотным монтажом. Корпус наборный и состоит из пяти алюминиевых панелей толщиной 1,2 мм. Панели соединяются между собой алюминиевыми уголками на винтах M3. Лучше, конечно, согнуть из цельного листа п‑образное шасси и прикрутить к нему боковинки, будет и прочнее, и симпатичней, но у меня под рукой не оказалось листогиба.
Мое любимое оргстекло, к несчастью, для аналоговой части совершенно неприменимо, так как лампы греются, а ВЧ‑блоки требуют экранирования. Весь монтаж должен быть выполнен по возможности жестко с минимальной длиной соединений. И самый простой способ выполнить эти требования — манхэттенский монтаж.
Данный вид монтажа напоминает наши макетные платы и методику Жутяева. Детали монтируются на «пятачках», вырезанных из фольгированного гетинакса и приклеенных к шасси, все делается быстро и работает вполне надежно. В качестве «пятачков» я использовал квадратики размером 5 × 5 мм и 10 × 10 мм. Нарезать такие квадратики удобно циркуляркой с фрезой по металлу, ей же можно нарезать алюминий.
warning
Человеческие кости по твердости не слишком отличаются от алюминия. Его циркулярка режет достаточно легко, поэтому, если зазеваться, можно укоротить пару пальцев. Будь внимателен и осторожен.
Сам корпус используется как общий провод, а для более удобной пайки к нему прикручены полосы из медной фольги. Конденсаторы в цепях питания и разделительные конденсаторы должны быть рассчитаны минимум на 200 В при напряжении питания 180 В, а лучше взять еще больший запас.
Отдельного упоминания заслуживают контурные конденсаторы. Дело в том, что при работе лампы заметно нагреваются, а с ними — корпус приемника и, соответственно, конденсаторы в контурах. Из‑за этого частота уплывает. Чтобы такого не происходило, надо использовать конденсаторы с малым температурным коэффициентом емкости (ТКЕ), к таким относятся конденсаторы с диэлектриком NP0. В эту категорию можно отнести и SMD-конденсаторы.
Контурные катушки
Контурные катушки в ламповом супергетеродине — это самый проблемный вопрос. Особенно сейчас, когда электроника отошла от резонансных схем в пользу широкополосных. Тем не менее на Али можно найти каркасы с подстроечниками по очень демократичной цене, и я их уже использовал раньше в КВ‑приемнике.
Поэтому, чтобы не изобретать велосипед, мы их применим и здесь. Что же касается экранов, то их мы изготовим самостоятельно, благо это несложно. Катушка впаивается на небольшую платку из гетинакса, из жести делается небольшая коробочка, и в нее впаивается платка с катушкой. Вместо жести лучше взять медь, но и жесть работает вполне себе неплохо, а главное, она более доступна. В верхней части экрана проделывается отверстие для подстройки катушки.

Контур ПЧ и экран
Если есть возможность взять каркасы контуров ПЧ от лампового телевизора или приемника, то это тоже очень хороший вариант. Подробнее о катушках мы поговорим при обсуждении УПЧ и детектора. В результате должно получиться что‑то вроде того, что ты можешь увидеть на картинках ниже.

Вид сверху

Вид сбоку

Вид снизу
Тестирование основной схемы
Когда у вас будет собранная на макетной плате схема, подключенные к ней Arduino и аудиоколонки со встроенным усилителем, вы сможете запустить тестовую программу, которая приведена в архиве в конце статьи (Si4844_Quick_Test.ino). Эта программа выполняет простой тест, который включает питание устройства, устанавливает диапазон FM (УКВ) и предоставляет информацию о версии микросхемы. Если всё пройдет хорошо, вы сможете настроить частоту радиоприемника, повернув ручку VR1, увидите частоту, динамически отображаемую на экране и, конечно, услышите то, что выдает радиоприемник.
Скриншот экрана с результатами вывода тестовой программы
Если основная схема и ее подключение к Arduino работают, то можно собирать полноценный радиоприемник.
Конструкция приемника
Конструктивно приемник выполнен навесным монтажом внутри сборной алюминиевой коробки размером 50 х 120 х 240 мм. Крышка изготовлена из алюминия толщиной 2,5 мм, стенки и дно — из алюминия толщиной 1 мм. Дном можно пренебречь, но это несколько ухудшит стабильность работы приемника. На крышке расположены восемь панелек для ламп (одна из них осталась незадействованной), также на ней закреплен трансформатор УЗЧ и переменный конденсатор.
![]()
FM-радиоприемник на лампах. Вид сверху Шасси соединено с общим проводом, внутри размещены шины из медной проволоки диаметром 2 мм, соединенные с шасси и играющие роль общего провода. Монтаж навесной. Конечно, туда стоило добавить несколько стоек с лепестками контактов, но я поленился.
![]()
FM-радиоприемник на лампах. Вид снизу. На передней стенке закреплены резисторы регулировки громкости и режима работы смесителя, туда же выведена ручка переменного конденсатора.
![]()
FM-радиоприемник на лампах. Вид спереди.
На задней стенке закреплены разъемы блока питания, динамика и антенны.
![]()
FM-радиоприемник на лампах. Вид сзади.
Блок питания выполнен в отдельном корпусе, но такое исполнение не принципиально. Правильнее было бы немного увеличить размеры девайса и смонтировать блок питания в одном корпусе с ним (трансформатора на 100 Вт хватит с избытком). Впрочем, это можно рассматривать как фичу: в двадцатых годах прошлого века блоки питания тоже часто делали отдельными.
![]()
Блок питания радиоприемника
Дроссели, примененные в приемнике, самодельные. Дроссели в цепи накала наматываются на резисторы 0,25 Вт сопротивлением больше 100 К и включают 150 витков эмалированного провода диаметром 0,12 мм. Высокочастотные дроссели представляют собой 75 см (четверть длинны волны на 100 МГц) эмалированного провода диаметром 0,7 мм, намотанного на бумажный каркас диаметром 5 мм. Контурная катушка содержит четыре витка эмалированного провода диаметром 2 мм.
Схема типового приемника на УКВ и его доработка
На рисунке 1 приводится типовая схема дешевого карманного УКВ-ЧМ приемника на базе микросхемы D7088 (аналог TDA7088).

Рис. 1. Типовая схема дешевого карманного УКВ-ЧМ приемника на базе микросхемы D7088 (аналог TDA7088).
А на рисунке 2 дана схема доработки схемы приемника с целью её установки в схему радиоприемника ВЭФ-202. Как видите, изменения малозначительны. Разбираете корп-пус «китайца» и извлекаете из него печатную плату.

Рис. 2. Схема доработки старого СВ-ДВ радиоприемнкиа для приема радиостанций в диапазоне УКВ FM.
Обычно она не больше 50×30 мм. Затем, перерезаете дорожки согласно схеме на рисунке 2 (места перерезки показаны крестиками).
Далее, в корпусе дорабатываемого АМ-приемника нужно найти удобное место для «УКВ-платки», и на фронтальной панели сделать отверстия под установку двух миниатюрных кнопок (S1 и S2) и переключателя S3 (это может П2К или двойной тумблер).
Кнопки S1 и S2 будут служить органами настройки в УКВ-диапазоне, их нужно кратчайшими проводниками соединить с соответствующими кнопками, имеющимися на плате «китайца».
От телескопической антенны пускаете отрезок монтажного провода к S3.1, а от него к точке соединения контурных конденсаторов входного контура.
К выводу переменного резистора, — регулятора громкости, соединенного с выводом 2 микросхемы D7088 подпаиваете конденсатор С1, и через него подаете ЗЧ сигнал на контакт «ПР» панельки для подключения звукоснимателя, которая есть на корпусе переделываемого AM приемника.
Теперь питание. Прежде всего нужно помнить, что в «ВЭФе», как и во многих других отечественных транзисторных приемниках, сделанных на германиевых транзисторах, на корпус идет плюс. Поэтому, питание подается, если так можно выразится, наоборот. Дорожку, от выключателя «китайца» нужно соединить с общим плюсом «ВЭФа», а минус подавать через S3.2.
Схема на двух светодиодах HL1 и HL2 и резисторе R1 образует параметрический стабилизатор напряжения 3,2V, которым будет питаться «УКВ-платка».
Вот, пожалуй, и все. Чтобы перейти на УКВ нужно переключить барабанный переключатель диапазонов «ВЭФа» в положение «ПР» (у некоторых «ЗС»), что означает работу с сигналом от электропроигрывателя, и включить S3. Настройку на станцию производить кнопками S1 и S2.
Таким же образом можно доработать практически любой старый отечественный приемник с AM диапазонами, даже «Альпинист». Однако, в случае с «Альпинистом» нужно будет предусмотреть антенну для УКВ-диапазона, например, проложить отрезок монтажного провода по периметру корпуса приемника.
Иванов А. РК-04-08.
Частотно-импульсный детектор
Теперь остановимся подробнее на детекторе. Из его названия следует, что частотная модуляция подразумевает изменение частоты несущего сигнала под действием модулирующего сигнала. Продемонстрировать это можно следующим графиком.
Суть частотной модуляции
Для обратной процедуры, то есть выделения аудиосигнала, и используется ЧМ-детектор. Существует много видов частотных детекторов, но особняком среди них стоит так называемый счетный детектор.
Принцип работы счетного детектора достаточно прост для понимания. Частотно-модулированный сигнал пропускают через ограничитель, получая на выходе меандр переменной частоты. После этого по восходящему или нисходящему сигналу генерируют импульс постоянной ширины. Таким образом, из сигнала переменной частоты мы получили импульсы с изменяющимся периодом следования, а так как ширина импульсов постоянна, то коэффициент заполнения тоже меняется. То есть мы получили ШИМ-сигнал. Полученный ШИМ-сигнал интегрируют, что дает на выходе аудиосигнал.
В общем, частотно-импульсный детектор работает точно так же, как ЦАП, на ШИМ-генераторе. Однако у такого детектора есть некоторые ограничения, и это прежде всего частота входного сигнала, которая должна быть ниже 1 МГц (при условии, что отклонение частоты составляет 50 кГц, характерное для широкополосной FM-модуляции), так как на больших частотах начинает падать эффективность детектора. Впрочем, в нашем случае это, наоборот, преимущество.
Интересно отметить, что в отечественной радиолюбительской литературе данный детектор упоминается редко, а ламповых конструкций в рунете и вовсе не сыскать, тогда как в Европе и Австралии эти схемы достаточно популярны. Например, одним из самых известных приемников с частотно-импульсным детектором был Sinclair Micro FM. Да, это тот самый Синклер, который разработал ZX Spectrum.
Программирование Arduino
Микросхема Si в этом проекте является ведомым устройство I2C, имеющим фиксированный адрес 0x11; при этом ведущим устройством (мастером) является плата Arduino. Однако скорость обмена информацией по I2C у этой микросхемы относительно медленная: максимальная поддерживаемая скорость 50 кГц. Кроме того, во время процедуры включения питания скорость не должна превышать 10 кГц. Чтобы удовлетворить эти требования, мы должны явно установить у Arduino скорость I2C, которая, как правило, слишком велика для Si4844-A10. К счастью, благодаря большому количеству документации по функциям I2C Arduino, мы можем легко выполнить необходимые изменения.
В принципе, скорость I2C для наших целей определяется в программном обеспечении Arduino двумя переменными. Эти переменные – это и . Биты 0 и 1 управляют предделителем, который работает со значением для установки скорости I2C. Скорость (тактовая частота) передачи по I2C рассчитывается по формуле:
Частота = Тактовая частота процессора / (16 + (2 * () * (предделитель))
Arduino Pro mini 3,3В работает на частоте 8 МГц. Чтобы установить скорость I2C на 10 кГц, мы используем значение 98 и установим предделитель в значение 4 (путем установки в 1 только бита 0 ). Таким образом,
8 000 000 / (16 + (2 * 98 * 4 )) = 10 000 или 10 кГц
Чтобы установить скорость I2C на 50 кГц, мы используем значение 18 и установим предделитель в значение 4 (путем установки в 1 только бита 0 ). Таким образом,
8 000 000 / (16 + (2 * 18 * 4)) = 50 000 или 50 кГц
Для более подробной информации смотрите документацию библиотеки для Arduino. Суть в том, что мы можем выполнить изменение скорости I2C всего парой строк кода, что вы можете увидеть в тестовой программе.
Еще один важный момент, связанный с программирование, заключается в том, что нам в коде нужно использовать подпрограмму внешнего прерывания. Мы используем на Arduino, и, когда Si4844-A10 установит уровень на этом выводе в 1, выполнится простая функция, которая «привязана» к этому прерыванию. Всё, что делает эта функция, это изменяет значение переменной флага, которая может быть проверена и изменена в других частях программы. Si4844-A10 будет запускать прерывания (т.е. подавать уровень логической единицы на вывод INT) при определенных условиях, в основном в случае изменения сопротивления потенциометра настройки. Так Si4844-A10 сообщает Arduino, что вы повернули ручку настройки, и что необходимо обновить данные на дисплее.
Супергетеродин
Супергетеродинный приемник, в отличие от приемника прямого усиления, предполагает преобразование принимаемого сигнала в промежуточную частоту, на которой выполняется селекция. Такое решение позволяет сократить количество перестраиваемых элементов, что значительно облегчает задачу.
![]()
Блок-схема типичного гетеродинного приемника
На схеме хорошо видно, что принимаемый сигнал усиливается и поступает в смеситель, туда же подается выход с гетеродина (вспомогательного генератора). В результате сигнал смесителя содержит биения, частота которых равна разности принимаемого сигнала и сигнала гетеродина. Из смесителя поток попадает в полосовой фильтр, который выделяет сигнал промежуточной частоты.
Именно в этом месте выполняется селекция. Далее промежуточная частота усиливается и поступает в детектор, выделяющий аудиосигнал. Последний преобразовывается УНЧ и подается на динамик или наушники. Схема в целом достаточно сложная, но зато она выигрывает с точки зрения стабильности работы.
Можно ли в этой схеме что-нибудь упростить? Да, можно! Если сделать промежуточную частоту достаточно низкой (~200 кГц), то полосовой фильтр можно заменить фильтром низких частот, что существенно упрощает конструкцию (собственно, так работает микросхема К174ХА34). А еще упростить схему можно? Конечно! Можно совместить смеситель с гетеродином, подобные приемники еще называют автодинами.
Добавление дисплея
Теперь, когда у нас есть устройство ввода, нам необходима возможность отображать настройки радиоприемника. Я не смог придумать ничего лучше, чем использовать дисплей от старых мобильных телефонов Nokia 5110/3310.
Дисплей Nokia 5110/3310
При работе с этим дисплеем необходимо учитывать два важных момента. Во-первых, существует несколько разновидностей этих дисплеев, и у них могут быть разные распиновки. Вы должны проверить распиновку на своем дисплее, убедиться, что он на самом деле работает от 3,3 В, и проверить правильность подключения к Arduino Pro Mini. Во-вторых, поскольку все входы/выходы Arduino используют напряжение 3,3 В, мне не пришлось использовать понижающие резисторы, которые вы обычно видите, когда эти дисплеи используются 5-вольтовыми платами Arduino, например, Uno.
| Вывод дисплея / Назначение | Вывод Arduino или точка на схеме |
|---|---|
| 1-RST | D3 |
| 2-CE | D4 |
| 3-DC | D5 |
| 4-DIN | D6 |
| 5-CLK | D7 |
| 6-VCC | Vcc (3.3v) |
| 7-LIGHT | GND |
| 8-GND | GND |
В программе я решил использовать библиотеку LCD5110_Basic, которая быстра и очень проста в использовании.
На рисунке ниже показан заполненный данными дисплей радиоприемника.
Дисплей Nokia 5110/3310 при использовании в радиоприемнике (на скриншоте некорректно показаны единицы измерения частоты mHz, в прошивке это исправлено MHz)
Начиная с левого верхнего угла, мы показываем:
- строка 1 – режим (AM/FM/SW) и номер диапазона;
- строка 2 – частотный диапазон;
- строка 3 – уровни громкости и баса/тембра;
- строка 4 – текущая частота (МГц или кГц);
- строка 1 – индикаторы стерео (только для FM) и выключения звука (если активно).
Разумеется, эта информация постоянно обновляется, чтобы показывать изменения в настройках или вводе с клавиатуры.
Постановка задачи
О стабилизации частоты и индикации я уже написал, это понятно. Но есть еще один важный момент: у приемников с низкой ПЧ имеется трудноизлечимая проблема — зеркальный канал. А проявляет себя эта проблема, когда надо принять слабую станцию, рядом с которой находятся две сильные. В результате мы слышим сигнал сильной станции, задевающий зеркальный канал.
Эффективно бороться с этим можно только повышением ПЧ, например до стандартного значения 10,7 МГц, а с такой ПЧ уже следует использовать дробный детектор. На том и порешим. В итоге вырисовывается приемник с цифровым гетеродином, индикацией и классическим (почти) ламповым трактом.
Подключение Arduino
Еще одна вещь, которую надо решить до включения схемы для тестирования, – это взаимодействие с Arduino. Здесь я решил использовать плату Arduino Pro Mini 3В/8МГц. Это небольшая плата Arduino, полностью работающая на напряжении 3,3 В и совместимая с Si4448-A10, что является главным преимуществом. Небольшой размер платы – второе преимущество. Подключение к Si4448-A10 осуществляется по четырем линиям, как описано ниже:
| Arduino (3.3 В) | Si4844-A10 |
|---|---|
| A5/SCL | SCLK |
| A4/SDA | SDIO |
| D2 | INT |
| D12 | RST |
Кроме того, используется стандартный преобразователь USB/TTL для подключения Arduino к компьютеру для программирования. Таким образом, у Arduino также будут задействованы выводы TX, RX и GND. Так вы сможете программировать и тестировать Si4844-A10 «внутрисхемно», что облегчает разработку и экспериментирование. Когда всё будет завершено, это подключение может быть убрано для автономной работы нового радиоприемника. Питание платы радио и платы Arduino должно осуществляться внешним стабилизированным источником питания на 3,3 В. Не пытайтесь запитывать их от преобразователя USB/TTL, даже если у него есть выходной вывод 3,3 В – нельзя полагаться, что он обеспечит необходимый ток для питания и Arduino, и Si4844-A10.






























