Поэтапный процесс
Чтобы изготовить мини зенитный прожектор своими руками, придерживайтесь пошаговой инструкции. Подробнее о технологии сборки будет рассказано далее.
Чертеж и схема
Нужно изучить схему подключения светодиодов. Мощности одного излучающего элемента будет недостаточно. Поэтому подготовьте несколько штук.

Чаще всего в схеме предусмотрена только одна цепь, состоящая из нескольких или одного светодиода. Большинство схем работают по одному и тому же принципу: светодиоды подключаются к матрице, где установлен резистор, ограничивающий ток. Вместо электронного стабилизатора тока можно применить драйвер.
Корпус
Если вы выбираете корпус, это можно сделать несколькими способами:
- Сначала выберите «коробку», а после по ее размерам выбирать все необходимые детали. Воспользуйтесь этим вариантом, если важнее размеры прожектора и крепления.
- Если приоритетом является мощность прибора и поток света, корпус выбирайте в самую последнюю очередь.

Есть несколько методов подбора оболочки для фонаря-прожектора:
- Воспользуйтесь старым ненужным прожектором — из фары или дальнобойным фонарем. Он может быть, как галогеновым, так и с лампой накаливания. Разберите его, и избавьтесь от старой начинки.
- Корпус магазинный. Несмотря на затраты, этот способ более выигрышный в техническом и эстетичном плане. Также можно изготовить прожектор на штативе своими руками, так он будет выше.
- Изготовьте корпус своими руками. Для этого воспользуйтесь подручными материалами.
Выбор лампы
Чтобы выбрать лампу, воспользуйтесь такими параметрами:
- Мощность готового прибора. Если прожектор менее 30 Вт, то создавать осветительный прибор смысла нет. Популярны варианты, мощностью от 50 Вт. Максимальное количество света дают прожекторы, мощность которых 100 Вт и более.
- Напряжение. Чтобы не искать источник питания, задайте напряжение на 220 В. При желании можно установить светодиоды на 12 В для подпитки от автомобильной сети. Можно сделать аккумуляторный прожектор, вставив в него батарейки.

При выборе светодиодов отталкивайтесь от таких параметров:
- напряжение светодиода;
- рабочий ток.
Приступать к сборке прожектора нужно с матрицы. Она формируется из светодиодов, к которым крепится резистор. Сборка осуществляется на фольге или навесу. Предварительно продумайте конструкцию отведения тепла.

Нужно сформировать отражатель. Для этого обклейте отсек со светодиодами фольгой.

Когда матрица будет готова, ее крепят к корпусу. Для этого используется паяльник и припой. Не забудьте вывести провод питания или установить батарейки. Если все правильно рассчитать, после включения прибора в сеть он ярко засветится.

Как самостоятельно сделать светодиодный прожектор
Если вы уверенно держите в руках инструмент, у вас есть ненужный или сломанный прожектор, и вы не хотите покупать «кота в мешке», отдав небольшую, но существенную сумму за дешевый китайский фонарь, а тратить много денег на дорогой не согласны – соберите светодиодный прожектор своими руками. Вы можете даже полностью спаять все необходимые платы, благо в интернете более чем достаточно схем и инструкций. Но если вы не готовы прибегнуть еще и к паяльнику, то следующий вариант как раз для вас.
Итак, что нам понадобиться, чтобы сделать мощные светодиодные прожекторы:

Этап 1 – Начало сборки
Начинаем процедуру сборки, прикрепляя все элементы к радиатору охлаждения, который нужен для отвода тепла от очень мощного светодиода. Первым делом надо будет закрепить модуль диода с помощью болтиков, используя отверстия в нем. Плотно прижмите диод на равномерный слой термопасты.

Затем крепите вентиляторы, которые будут использованы для дополнительного активного охлаждения, что позволит снизить рабочую температуру еще на 10-20 градусов и продлит и без того долгую жизнь светодиода.

Этап 2 – Предварительная проверка работоспособности и замер температуры
После присоедините все оставшиеся детали, присоедините проводами диод к источнику тока (преобразователю). Подайте ток на диод через преобразователь напряжения, чтобы проверить его работоспособность. Проверьте работу вентиляторов и промерьте напряжение на плате питания для аккумуляторов и самих вентиляторах, оно должно быть одинаковым. Чтобы убедиться в правильной работе системы охлаждения, желательно точно промерить температуру, используя точный термометр – например, инфракрасный температурный пистолет. Температура не должна быть выше 50-60 градусов.

Этап 3 – Помещаем внутренности в корпус
После проверки всех составляющих на работоспособность, нужно всю конструкцию поместить непосредственно в подготовленный корпус. Не забудьте оставить приличное отверстие снизу конструкции – чтобы вентиляторы выдували нагретый воздух, а также сверху – для забора воздуха.

Плату, контролирующую работу вентиляторов (напоминаю, качественную, возможно, позаимствованную из адаптера зарядки) установите и выполните подключение проводов от вентиляторов.

Этап 4 – Окончательная проверка работоспособности
Останется последний раз проверить работоспособность всех элементов, вырезать по размеру корпуса из блестящего металла (либо покрытого плотной фольгой) отражатель и собрать все элементы корпуса воедино. Прочно закрутив все болты, соединяющие элементы корпуса воедино, можете приступать к использованию прожектора на диодном модуле, который вы смогли сделать самостоятельно. Естественно, нужно обладать некоторым опытом по работе с электроникой, схемами и платами, а также желанием – ведь многим будет проще купить готовое устройство. Но собранный своими руками прожектор, помимо вызываемой гордости за себя, будет обладать уникальными техническими характеристиками. Если использовать мощный 100 ваттный модуль, он заменит вам 600-800 ваттный галогеновый фонарь, который был бы гораздо больше размером, перегревался бы и был весьма опасен. Дальность освещения таким прожектором, в зависимости от выбранного угла отражателя, будет варьироваться от очень большой до огромной.

Диагностика
Перед началом ремонта своими руками необходимо проверить проводку на перегибы, прогоревшую изоляцию, чтобы убедиться, что отсутствуют разрывы жилы. Желательно так же тщательно осмотреть корпус с целью выявить трещины, деформации, сколы. Может оказаться, что проблема решится устранением этих неполадок, не нужно будет думать, как разобрать светодиодный прожектор, и определять, почему он перестал работать.
Последовательность диагностики после вскрытия корпуса:
- проверка целостности ламп в модуле;
- измерение входного напряжения мультиметром (должно быть 220 В)
- измерение выходного напряжения (постоянный ток 12 Вт).
Если напряжение отсутствует на входе, нужно искать перегоревшие части драйвера, окислившиеся контакты, трещины на покрытии. Если плата и напаянные на нее элементы в порядке, требуется проверка работоспособности модуля. Он перестает функционировать, если сгорело несколько светодиодов.
Процесс сборки
Начнем собирать прожектор с установки светодиодов на печатную плату. Для этого можно воспользоваться как паяльной станцией, так и простым маломощным паяльником. По завершении следует проверить правильность монтажа и работоспособность каждого светодиода отдельно, используя для этого мультиметр в режиме прозвонки.
Следующим этапом по сборке LED-прожектора своими руками является пайка блока питания навесным способом. Расположение радиодеталей нужно продумать так, чтобы они поместились в отсеке, куда заводят провод питания. Чтобы избежать короткого замыкания, оголённые участки изолируем термоусадочной трубкой. Проверяем работоспособность источника питания сначала на холостом ходу, а затем с нагрузкой (светодиодами). После успешного кратковременного запуска переходим к окончательной сборке светодиодного прожектора. Сначала из алюминиевой пластины делаем радиатор в виде уголка. Таким образом, чтобы одна его полка прилегала к внутренней стенке прожектора, а ко второй крепилась плата со светодиодами. С целью повышения теплоотдачи в местах контакта наносим термопасту, после чего производим окончательную сборку.
Особенности конструкции прожектора
Диодные прожекторы или LED-устройства весьма экономичны по расходу электроэнергии, требуют минимум обслуживания, их светящие элементы работают до 50 – 90 тыс. часов. Приборы приспособлены для эксплуатации на улице, не портятся от погодных условий, грязи, пыли. Качество излучаемого света очень высокое.
Устройство будет состоять из таких частей:
- корпус;
- фиксирующие скобы;
- светодиодная матрица;
- драйвер.
Матрица прибора состоит из диодов, прикрепленных к плате и защищенных особыми полимерами от повреждения.
Это интересно: Пульсация светодиодных ламп — причины, нормы, методы проверки
Техника безопасности и рекомендации по эксплуатации
При работе с электрооборудованием обязательно требуется соблюдать технику безопасности и следить за условиями эксплуатации.
Основные требования:
- не мочить руки перед работой, не выполнять работы с уличным освещением при сырости;
- отключать цепь от источника тока;
- не использовать приборы с низкой степенью защищенности от влаги и пыли на улице или непригодных помещениях;
- работать инструментами с заизолированными рукоятками;
- не устанавливать рядом с маломощными приборами;
- перед установкой требуется замерить напряжение, допустимы отклонения не более чем на 10%;
- не использовать рядом с диодным устройством химикаты;
- при обнаружении перебоев в работе led прожектора требуется выключить его из сети питания;
- периодически протирать изделие и ухаживать за ним;
- если прибор используется в качестве фонаря, надо выбирать устройство в мощном защищенном корпусе;
- светильник, который используется для освещения территории около дома, лучше размещать под крышей для дополнительной защиты от дождя.
Конструктивные особенности
Прожекторы на основе светодиодов обладают намного большей экономией электроэнергии, могут работать более девяноста тысяч часов, при этом абсолютно не нуждаются в обслуживании. Способны функционировать в любых погодных условиях, также качество излучаемого света стало намного лучше.

Устройство светодиодного прожектора
Конструкция у таких устройств невероятно простая, что позволяет без труда сделать светодиодный прожектор своими руками, в домашних условиях.
Состоит светодиодный прожектор из корпуса, скобы для фиксации, светодиодный матрицы и драйвера, который регулирует работу и подачу электричества. Матрица состоит из статических диодов, которые закреплены на плате и защищены специальными полимерами от внешнего воздействия.
Устраняем мигание LED-прожектора
С проблемой мигания рано или поздно сталкивается каждый владелец светодиодного прожектора. Причиной такого поведения может быть неправильная работа электронных компонентов или потеря работоспособности светодиодов. В данном разделе мы рассматриваем, каким образом отремонтировать светодиодный прожектор с мощностью в 10 Вт. Такая мощность встречается чаще всего, а общая конструкция приборов схожа, поэтому решение проблемы универсально.
Светодиод представляет собой матрицу из 9 кристаллов, каждый из которых имеет мощность в 1 Вт. Эти кристаллы соединены в три последовательные схемы и залиты люминофором – веществом, преобразующим получаемую энергию в свет. Светодиод на 10 Вт состоит из трёх линеек кристаллов, которые параллельно подключаются к питанию, идущему от драйвера.
Перегорание одного из кристаллов в светодиоде приведёт к миганию во время работы. Характер мигания может быть как периодическим, с равными паузами, так и хаотическим. По разным причинам сгорание матрицы может вести к полному отключению светодиодного элемента, либо к отказу одной-двух линеек кристаллов.
Почему матрица мигает или не светится при перегорании
Кристаллы, залитые люминофором, соединяются между собой подводами, которые в случае с продукцией высокого качества делаются из золота, а в бюджетных приборах – из меди. Слишком сильное нагревание матрицы и соединительных контактов приводит к тому, что эти нити отслаиваются от кристаллов. Поэтому вся матрица или часть её отключается. После остывания нить возвращается в исходное положение и работа возобновляется. После повторного нагрева до критической отметки контакт снова прерывается и матрица гаснет. Этот цикл в процессе работы продолжается бесконечно, а для наблюдателя выглядит как мигание лампы. Полный выход светодиода из строя происходит, когда одна из нитей перегревается настолько, что отпадает от кристалла.
Зная о таком поведении, можно проверять состояние матрицы диодных прожекторов своими руками. Для этого нужно вооружиться не слишком острым предметом и нажать на те места матрицы, в которых проходят соединительные нити. Конечно, прожектор в это время должен быть включённым. Если при надавливании на один из путей прибор загорается, проблема найдена. В данном случае остаётся правильно заменить испорченный чип.

Это происходит, потому что кристаллы соединяются в матрице параллельно-последовательно, а питание от драйвера подаётся в виде постоянного тока. Поэтому после выгорания одной линейки, две оставшиеся получают силу тока в 1,5 раза больше номинальной. Работа под повышенной нагрузкой приводит к ещё большему нагреванию матрицы и быстрому сгоранию других нитей.
Ремонтируем матрицу
Замена светодиода при перегорании кристаллов на матрице не является чрезмерно сложной процедурой. После приобретения аналогичного по характеристикам компонента и специальной термопасты, необходимой для монтажа, нужно:
- Разобрать корпус прожектора, открутив крепёжные болты на корпусе.
- Снять линзу или стекло.
- Демонтировать рассеиватель.
- Открутить крепёжные винтики матрицы и аккуратно отпаять токопроводящие выводы. Для этого лучше всего подойдёт бесконтактная паяльная станция с термофеном.
- Смазать новый светодиод термопастой.
- Припаять контактные выводы светодиода и закрутить обратно крепёж.
При подключении светодиода крайне важно соблюсти полярность выводов. Опытные монтажники также рекомендуют при замене светодиода в недорогих китайских прожекторах заменить проводки
Производители, как правило, используют материал с минимальным сечением, что не совсем надёжно. При этом лучше использовать термоусадочные трубки. Они сохраняют изоляционные свойства даже под действием тепла, исходящего от диода.
Устройство
Конструкция светодиодного прожектора проста. Основными элементами устройства являются: Драйвер — это блок или источник питания, который получает стандартные 220 В и преобразует их в питание, необходимое для работы светодиодного фонаря. Особенностью драйверов, отличающей его от адаптеров, является акцент не на напряжение или мощность, а на стабильную силу тока (у адаптеров главный параметр — напряжение).
Светодиод в данном случае представляет собой не отдельный элемент, а сборку из нескольких единиц, обладающих одинаковыми характеристиками. Они изготавливаются по специальной технологии, позволяющей получать идентичные кристаллы. Набор кристаллов, подключенных последовательно-параллельно, составляет светодиодную матрицу или LED-cheap. Отличительной особенностью матрицы является большое выделение тепла, разрушающего кристаллы и требующего охлаждения или отвода при помощи радиаторов.
Помимо основных узлов, прожектор состоит из следующих элементов:
Назначение корпуса понятно без объяснений. Фокусирующая линза создает компактный и направленный световой поток, более концентрированный и плотный. Роль отражателя несколько иная, чем в обычных прожекторах. Первоначальная оптика светодиода выдает пучок света с углом раскрытия 120°. Поэтому функцией отражателя является не столько отражение разнонаправленных лучей, сколько уплотнение потока.
Необходимые детали для сборки
Если вы решили сделать прожектор своими руками, то наверняка у вас возникает вопрос какие детали необходимо подготовить чтобы сделать себе качественное устройство для использования.

Мы подготовили для вас небольшой список необходимых деталей, который необходимо собрать в своём гараже или купить те, которых не хватает:
- Конечно же, нам необходима сама светодиодная матрица с установленным драйвером. Её можно купить в специализированном магазине электроники или сныть со старого фонаря. Если использовать светодиоды с фонаря, тогда убедитесь, что их мощности вам будет достаточно.
- Подобрать необходимый корпус можно из любых материалов. Вы можете сделать его из фанеры или металла, или взять готовый от старого галогенного фонаря. Если же такой возможности нету, можно купить корпус для фонаря, он стоит очень дёшево. Подбирать его следует исходя из ваших предпочтений, оттого как он будет использоваться. Если для декора, тогда следует делать красивый и гармоничный дизайн корпуса. Для простого бытового использования достаточно применить любой невзрачный корпус прожектора.
- Соединительные провода.
- Материал для создания отражателя. Для таких целей отлично подойдёт плотная пищевая фольга. Её можно купить в любом супермаркете.
- Герметик и клей.
- Если вы хотите сделать мощный прожектор, на 100 и более Ватт, тогда необходимо добавить ещё и радиатор с кулером для охлаждения.
Принцип работы и схема
На вход преобразователя напряжение поступает через предохранитель (или реле датчика движения). Его выпрямляет диодный мост и сглаживает конденсатор. На выходе из конденсатора ток постоянный. Далее напряжение через резистор подается в стабилитрон и трансформатор.
Из стабилитрона выходит 9 В, необходимые для работы преобразователя, из трансформатора – высокочастотные импульсы на полевой транзистор. В полевом транзисторе сопротивление снижается почти до ноля, при прохождении тока через первичную обмотку трансформатора создается напряжение во второй обмотке. После выпрямления диодом и сглаживания конденсатором ток поступает в матрицу, диоды загораются.
Это стандартная схема, она может отличаться в зависимости от моделей и производителей.
Причины неисправностей
Причиной неисправностей служит:
- нарушения правил сборки на заводе (например, отсутствие проводящей тепло пасты под светодиодным модулем);
- неправильное подключение;
- перепады напряжения в электросети;
- замыкание фазы на ноль или корпус;
- перегрев;
- попадание воды или грязи;
- неверная настройка датчика движения (при наличии);
- нарушения правил эксплуатации.
При наличии хотя бы одной причины выходит из строя блок питания (перегорает резистор или конденсатор), модуль светодиодов или его отдельные элементы. При отсутствии ремонта светильник не может нормально функционировать.
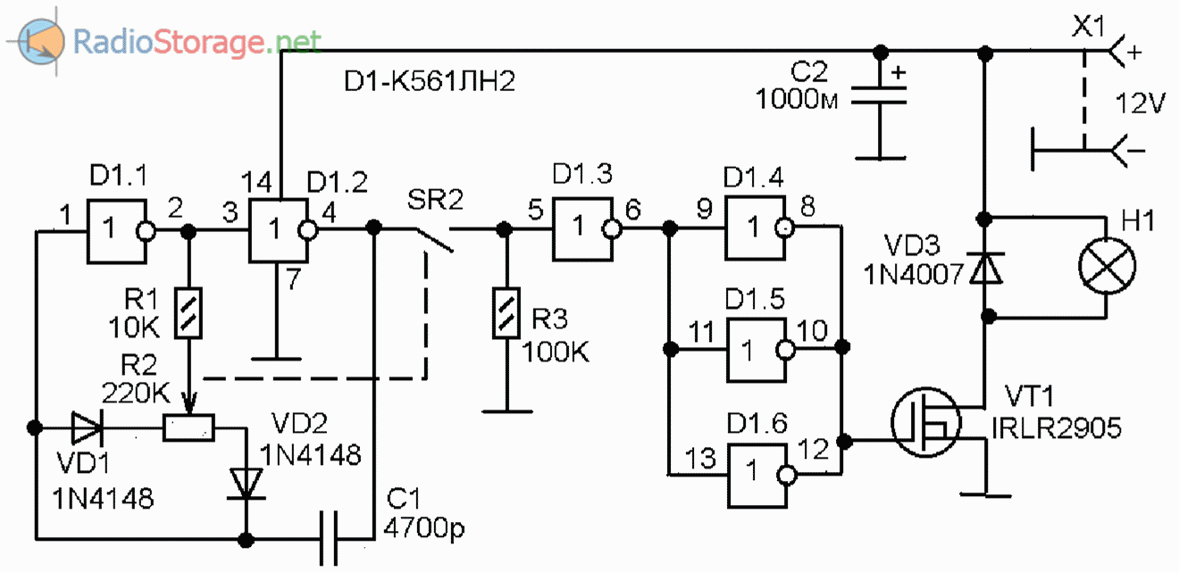
Принципиальная схема
Схема построена на имеющейся у меня элементной базе, то есть, исключительно на микросхеме К561ЛН2. В результате получилась схема, показанная на приведенном здесь рисунке.
![]()
Рис. 1. Принципиальная схема регулятора яркости свечения для прожектора на 12В.
На логических элементах D1.1 и D1.2 собран генератор прямоугольных импульсов, следующих с частотой около 1000 Гц
При помощи переменного резистора R2 осуществляется регулировка скважности этих импульсов в диапазоне примерно от 1,05 до 10
При этом частота следования импульсов меняется незначительно
Регулировка скважности происходит изменением R-составляющей частотозадающей цепи для положительной и отрицательной полуволн
Переключением частей R-составляющей («плеч» сопротивлений переменного резистора) занимаются диоды VD1 и VD2. Импульсы с выхода генератора прямоугольных импульсов на D1.1 и D1.2 через выключатель SR2 поступают на вход элемента D1.3. Выключатель SR2 является частью переменного резистора R2.
Он выключается в одном из крайних положениях этого резистора
Крайние выводы резистора подпаяны так, что SR2 выключается когда переменный резистор R2 находится в состоянии наименьшей скважности. То есть, яркость прожектора уменьшаем до минимума, потом еще немного поворачиваем, щелчок, и прожектор совсем выключается
Выключателя питания не предусмотрено, — в выключенном состоянии SR2 схема потребляет очень мало. Когда SR2 выключен на вход элемента D1.3 через резистор R3 подается нулевой логический уровень. При этом на выходе D1.3 — единица, а на соединенных вместе выходах D1.4-D1.6 — ноль.
Этого напряжения недостаточно для открывания полевого ключевого транзистора VТ1. Поэтому лампа прожектора Н1 не горит вообще. При повороте вала переменного резистора R2 из состояния выключения, контакты SR2 замыкаются и через него импульсы с выхода генератора на D1.1 и D1.2 поступают на вход элемента D1.3. На элементах D1.4-D1.6 этой микросхемы собран буферный усилитель для управления выходным полевым ключевым транзистором VT1.
Этот усилитель нужен потому, что, несмотря на то что сопротивление изолированного затвора полевого транзистора стремится к бесконечности, там присутствует значительная емкость, берущая ток на свой заряд и разряд.
Соответственно, динамический входной ток затвора полевого транзистора уже существенный, и один выход КМОП-микросхемы с ним справляется с трудом. А вот три выхода — уже нормально.
Импульсы с выходов соединенных вместе выходов D1.4-D1.6 поступают на затвор VТ1
Через лампу пропускается импульсный ток, и яркость её свечения зависит от скважности импульсов этого тока
Стоит ли делать самостоятельно: все за и против
Сборка самодельного прожектора является одним из вариантов досуга, возможностью проявить свои конструкторские и технические способности. Это основной аргумент, говорящий в пользу самостоятельного изготовления подобных устройств. Необходимо признать, что большинство людей не обладают должными навыками в электротехнике или не имеют необходимого инструмента и материалов.
В результате оказывается, что все комплектующие придется приобретать и проще сразу купить прожектор. Однако, люди, для которых техническое творчество является лучшим способом проводить время, находят в подобных занятиях большое удовольствие.
Подобные занятия можно назвать обычным развлечением, но в результате появляется нужное и полезное устройство.
Необходимые материалы и детали
Изготовить самодельный светодиодный прожектор можно из деталей, которые имеются под рукой, или куплены в специализированном магазине. Необходимо продумать конструкцию, чтобы все элементы максимально соответствовали друг другу. Необходимые материалы не обязательно приобретать, можно использовать старый светильник, взять светодиоды от сломанного уличного фонаря и т.п. Рассмотрим, какие элементы необходимы для того, чтобы собрать мощный светодиодный прожектор.
Лампы
Самый простой вариант — приобретение готовой светодиодной лампы со стандартным цоколем и подключение ее к сети. Но такую самоделку вряд ли можно назвать прожектором. Оптимальный вариант — матрица на светодиодах SMD 5050, недорогих и качественных, обеспечивающих яркий мощный пучок света. Они крепятся на тонкий стеклотекстолит, установленный на толстой алюминиевой пластине, которая выполняет функции теплоотведения. Можно использовать готовые радиаторы с большим количеством пластин, эффективность которых намного выше, но размеры не всегда позволяют поместить их в ограниченное пространство корпуса прожектора.
Материал для корпуса
Корпусом может послужить любая металлическая или пластиковая коробка соответствующей формы и размера. Оптимальный вариант — использование готового корпуса от галогенного прожектора. Он герметичен, предназначен для уличного использования, имеет подходящий размер. Для людей, обладающих навыками и возможностями, не составит труда изготовить корпус самостоятельно из листового алюминия. Этот вариант позволит разместить качественный радиатор и обеспечить установку наиболее эффективного отражателя с оптимальным углом раскрытия. Следует также предусмотреть монтаж выключателей и способ крепления корпуса — изготовить гнездо для кронштейна или монтажную планку, прикрепленную снаружи.
Источник питания
Приобретение готового драйвера поможет сделать прожектор своими руками значительно быстрее, но, для подготовленных и обладающих определенными навыками людей, не составляет труда изготовить источник питания самостоятельно. Основная задача состоит в обеспечении стабильного тока и напряжения.
Самостоятельное изготовление
Купить светодиодный прожектор в магазине не проблема, но гораздо дешевле и приятней будет собрать его собственными руками. На самом деле при правильном подходе изготовить самостоятельно такого типа осветитель не представляет особой сложности, учитывая, что в магазинах можно приобрести все нужное для этого. Вот список того, что понадобится для конструирования прожектора:

Матрица излучателей и драйвер
Существует три вида светодиодов. Для прожектора применяются сверхяркие светодиоды белого цвета на металлической подложке или LED. Излучатели, выполненные в пластиковых цилиндрических корпусах со штыревыми видами, для изготовления мощных прожекторов непригодны.
Как только нужное количество светодиодов или диодных сборок для получения нужной мощности куплено, начинается их монтаж на подложку. Так как при работе излучатели сильно нагреваются, то понадобится крепить их на радиатор. В качестве него можно взять любую алюминиевую или медную пластину
и вырезать из неё необходимый размер, а можно применить готовый радиатор из компьютера или другой техники.
У SMD светодиодов крепёжные отверстия обычно не предусмотрены, поэтому к радиатору их приклеивают, используя теплопроводный клей. Как только все элементы приклеены, между ними понадобится обеспечить электрический контакт. Для этого, используя кусочки провода, все излучатели соединяют параллельно или последовательно друг другу с помощью пайки.
Если применяется большое количество светодиодов, то есть смысл использовать последовательно-параллельное включение. Для этого создаются ветви, состоящие из равного количества светодиодов с последовательно установленным ограничительным резистором. Его расчёт несложен: из напряжения питающей сети вычитается напряжение светодиода и делится на предельно допустимый ток.
Последнее значение определяется как сумма токов каждого элемента в ветви. Как только соединение радиоэлементов выполнено, в удобном месте радиатора просверливается отверстие, через которое пропускается пара проводов. Один провод припаивается к общему плюсу светодиодов, а другой к минусу. С обратно же стороны делается запас около четырёх сантиметров, дающий возможность свободно припаять драйвер.
Для прожектора средней мощности можно использовать блоки питания общебытового назначения с выходным пульсирующим током до двух ампер и напряжением на 3−5 вольт выше прямого напряжения диодов. Для избегания всплесков напряжения, могущего привести к перегоранию светодиодов, драйвер должен иметь стабилизацию. Её можно выполнить, используя интегральные микросхемы: LM317, LM350 и LM338.
Сборка элементов воедино
Как только драйвер с матрицей будут готовы, понадобится определиться с корпусом, в котором свободно смогут разместиться все элементы. В качестве него можно использовать любое подходящее по габаритам ненужное устройство. Например, компьютерный блок питания, старый прожектор с лампочкой. А можно сделать и самому, но для этого понадобятся слесарные навыки.

При этом следует сразу предусмотреть возможность крепления корпуса к стенам или потолку. В качестве отражателя подойдёт обыкновенная пищевая фольга, а вместо защитного стекла можно использовать прозрачный пластик, например, из коробочки от CD дисков.
Все элементы аккуратно размещаются в середине. Для их закрепления проще всего использовать не резьбовые крепления, а, например, стяжки или клей. Но в случае ремонта при приклеивании элементов к корпусу разборка прибора существенно осложнится. Плюс со светодиодов припаивается к плюсу драйвера, а минус к общему проводу. На корпус выводится разъем для подключения к сети 220 вольт или просто пара проводов.
Устаревшие галогенные прожекторы в последнее время повсеместно заменяются системами освещения на светодиодах, которые имеют более высокую эффективность, но стоимость таких устройств на порядок выше.
Мастера знают, как собрать светодиодный прожектор своими руками. Для этого придется купить необходимые детали, подготовить инструменты и освоить простые навыки.































