Что будет на выходе ОУ, если на обоих входах будет ноль вольт?
Итак, мы рассмотрели случай, когда напряжение на входах может различаться. Но что будет, если они будут равны? Что нам покажет Proteus в этом случае? Хм, показал +Uпит.

А что покажет Falstad? Ноль Вольт.

Кому верить? Никому! В реале, такое сделать невозможно, чтобы на два входа загнать абсолютно равные напряжения. Поэтому такое состояние ОУ будет неустойчивым и значения на выходе могут принимать значения или -E Вольт, или +E Вольт.
Давайте подадим синусоидальный сигнал амплитудой в 1 Вольт и частотой в 1 килоГерц на НЕинвертирующий вход, а инвертирующий посадим на землю, то есть на ноль.

Смотрим, что имеем на виртуальном осциллографе:

Что можно сказать в этом случае? Когда синусоидальный сигнал находится в отрицательной области, на выходе ОУ у нас -Uпит, а когда синусоидальный сигнал находится в положительной области, то и на выходе имеем +Uпит.
Погрешности суммирования
Погрешности операции суммирования определяются
погрешностями, возникающими из-за конечного значения коэффициента усиления ОУ,
дрейфа нуля ОУ, неточностей изготовления резисторов, входного тока ОУ и
динамическими погрешностями.
Погрешности от конечного значения коэффициента
усиления ОУ. Выражение для значения выходного напряжения суммирующего ОУ
показывает, что чем больше коэффициент усиления, тем точнее работает схема.
Абсолютная погрешность схемы определяется разностью двух значений выходного
напряжения–точного и приближенного ΔUK = Uвых
Н – Uвых Т, а
относительная погрешность равна:
Исходя из величины допустимой погрешности,
можно рассчитать необходимый коэффициент усиления ОУ
Погрешность от дрейфа нуля ОУ. Одну из
основных погрешностей работы ОУ создает дрейф нуля. Это медленно меняющееся
напряжение на выходе ОУ при неизменном входном, в том числе и при равном нулю.
Не приводя всех выкладок и полагая, что коэффициент усиления достаточно велик,
погрешность выходного напряжения от дрейфа нуля равна:
где Uдр(t)–приведенный ко входу дрейф нуля. Это
такое напряжение, которое следует подать на вход ОУ в каждый данный момент
времени, чтобы компенсировать погрешность ΔUдр(t).
Погрешность от неточного изготовления резисторов.
Эта погрешность может быть вычислена по формуле:

Считая усилитель идеальным,
получим 
Погрешность от входного тока усилителя. Общая
формула суммирующего усилителя выведена в предположении, что входной ток усилителя
равен нулю. В действительности, он имеет определенное значение и вносит
погрешность. Положив Uвх = 0 и UΣ = 0, получим ΔUвхi = iвхR.
Общая абсолютная погрешность суммирующего
усилителя равна сумме её составляющих: ΔU = ΔUK+ ΔUдр+ ΔUR+ ΔUвхi.
Погрешности суммирования и вычитания при
использовании дифференциальных ОУ
Дифференциальный усилитель, как и ОУ с одним входом,
вследствие неидеальности характеристик вносит погрешность при выполнении
математических операций. Помимо погрешностей, вносимых конечным значением
коэффициента усиления, дрейфом нуля ОУ, наличием ненулевого входного тока ОУ,
первичными погрешностями элементов цепи обратной связи, дифференциальный
усилитель имеет специфические параметры, влияющие на точность работы решающего
усилителя:
разностный входной ток Diвх–разность токов по
входам усилителя, измеренная при напряжении на выходе, равном нулю. Значение Diвх
может достигать нескольких мкА.
Устройство операционного усилителя
Итак, операционный усилитель – это усилитель электрических сигналов, чаще всего постоянного тока, с высоким коэффициентом усиления в широкой полосе частот, предназначенный для выполнения различных математических операций над аналоговыми величинами при работе в схеме с отрицательной обратной связью.
Операционные усилители в настоящее время выпускаются различного назначения и для выполнения различных функций и хотя электрическая схема усилителей даже одного класса может различаться, но структурная схема, которая лежит в основе всех операционных усилителей остается единой. Изображение структурной схемы выполнено ниже
.
Структурная схема операционного усилителя
Таким образом, операционный усилитель представляет собой схему из последовательно соединённых трёх частей: входной усилитель на основе дифференциального каскада (иногда может быть несколько дифференциальных каскадов), каскад согласования уровней и выходной каскад.
Дифференциальный входной каскад, имея большой коэффициент усиления и большое входное сопротивление, обеспечивает согласование операционного усилителя с источником сигнала. Довольно часто усиления одного входного каскада недостаточно, поэтому используется несколько дифференциальных усилителей на входе соединённых последовательно с симметричными входами и несимметричным выходом.
Каскад согласования уровней предназначен для согласования уровней напряжения между входным и выходным каскадами операционного усилителя. Кроме того данный каскад выполняет функцию усиления напряжения переменного тока и меет небольшое выходное сопротивление.
Выходной каскад операционного усилителя, обычно, не усиливает напряжение, но позволяет отдавать в нагрузку усилителя максимальное напряжение и ток, имеет небольшое выходное сопротивление, а мощность выделяемая на нём в случае отсутствия сигнала минимальна.
На изображении ниже показана принципиальная электрическая схема одного из первых операционных усилителей, выполненных по интегральной технологии, который разработал в 1963г. Роберт Видлар, инженер Fairchild Semiconductor

Электрическая принципиальная схема операционного усилителя μА702 (отечественный аналог К140УД1).
Данная схема содержит 9 транзисторов, 12 резисторов и 1 интегральный диод, в схеме отсутствуют конденсаторы, что даёт достаточно широкую полосу пропускания. В качестве входного усилителя используется дифференциальный каскад на транзисторах VT1VT2 с генератором стабильного тока на транзисторах VT3VT6. Дифференциальный каскад на транзисторах VT4VT5 совместно с транзисторами VT7VT8 выполняют роль каскада согласования уровней, а транзистор VT9 используется в качестве выходного каскада с небольшим выходным сопротивлением.
На принципиальных электрических схемах операционные усилители в интегральном исполнении обозначаются следующим образом

Обозначение операционных усилителей на принципиальных электрических схемах (слева иностранное, а справа отечественное изображение).
Основные характеристики
ОУ, как и другие радиодетали, имеют ТХ, которые можно разделить на типы:
- Усилительные.
- Входные.
- Выходные.
- Энергетические.
- Дрейфовые.
- Частотные.
- Быстродействие.
Коэффициент усиления является основной характеристикой ОУ. Он характеризуется отношением выходного сигнала ко входному. Его еще называют амплитудной, или передаточной ТХ, которая представлена в виде графиков зависимости. К входным относятся все величины для входа ОУ: Rвх, токи смещения (Iсм) и сдвига (Iвх), дрейф и максимальное входное дифференциальное U (Uдифмакс).Iсм служит для работы ОУ на входах. Iвх нужен для функционирования входного каскада ОУ. Iвх сдвига – разность Iсм для 2 входных полупроводников ОУ.
Во время построения схем нужно учитывать эти I при подключении резисторов. Если Iвх не учитывать, то это может привести к созданию дифференциального U, которое приведет к некорректной работе ОУ.Uдифмакс – U, которое подается между входами ОУ. Его величина характеризует исключение повреждения полупроводников каскада дифференциального исполнения.
Для надежной защиты между входами ОУ подключаются встречно-параллельно 2 диода и стабилитрона. Дифференциальное входное R характеризуется R между двумя входами, а синфазное входное R – величина между 2 входами ОУ, которые объединены, и массой (земля). К выходным параметрам ОУ относятся выходное R (Rвых), максимальное выходное U и I. Параметр Rвых должен быть меньшим по значению для обеспечения лучших характеристик усиления.

Для достижения маленького Rвых нужно применять эмиттерный повторитель. Iвых изменяется при помощи коллекторного I. Энергетические ТХ оцениваются максимальной мощностью, которую потребляет ОУ. Причина некорректной работы ОУ – разброс ТХ полупроводников дифференциального усилительного каскада, зависящего от температурных показателей (температурный дрейф). Частотные параметры ОУ являются основными. Они способствуют усилению гармонических и импульсных сигналов (быстродействие).
В ИМС ОУ общего и специального вида включается конденсатор, предотвращающий генерацию высокочастотных сигналов. На частотах с низким значением схемы обладают большим коэффициентом Kу без обратной связи (ОС). При ОС используется неинвертирующее включение. Кроме того, в некоторых случаях, например при изготовлении инвертирующего усилителя, ОС не используется. Кроме того, у ОУ есть динамические характеристики:
- Скорость нарастания Uвых (СН Uвых).
- Время установления Uвых (реакция ОУ при скачке U).
Применение компаратора
Используются в схемах измерения электрических сигналов и в аналогово-цифровых преобразователях. В логических цепях работают элементы «или» и «не», также являющиеся компараторами. Соответственно, использование этого компонента не ограничивается конкретными примерами, поскольку он применяется повсеместно.
Стоит отметить, что устройство сравнения можно сделать из любого операционного усилителя, но не наоборот. Коэффициент усиления компаратора достаточно высок. Соответственно, его входы очень чувствительны к разнице напряжений между ними. Расхождение в несколько милливольт значительно изменяет напряжение выхода.
Таким образом, компаратор позволяет наблюдать минимальные колебания уровней входных напряжений.
Это делает его незаменимым элементом схем сравнения и измерительных приборов высокой точности:
- индикаторы уровня входящего сигнала;
- металлоискатели;
- микро- и милливольтметры;
- детекторы электромагнитных излучений;
- лабораторные датчики;
- компараторы массы;
- газоанализаторы.
Индикатор переменного напряжения 220 В
Рассмотрим первый, наиболее простой вариант индикатора сети на светодиоде. Его применяют в отвертках для нахождения фазы 220 В. Для реализации нам понадобится:
Светодиод (HL) вы можете выбрать абсолютно любой. Характеристики диода (VD) должны быть ориентировочно такими: прямое напряжение, при прямом токе 10-100 мА – 1-1,1 В. Обратное напряжение 30-75 В. Резистор (R) должен иметь сопротивление не меньше 100 кОм, но и не больше 150 кОм, иначе просядет яркость свечения индикатора. Такое устройство можно самостоятельно выполнить в навесной форме, даже без использования печатной платы.
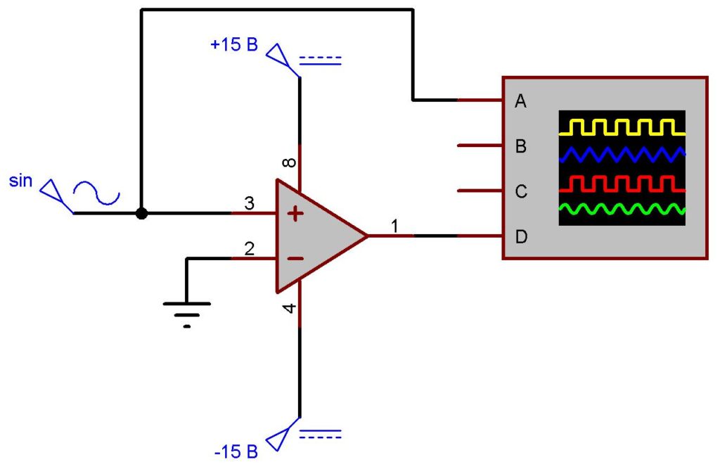
Принцип работы операционного усилителя
Давайте рассмотрим, как работает ОУ
Принцип работы ОУ очень прост. Он сравнивает два напряжения и на выходе уже выдает отрицательный, либо положительный потенциал питания. Все зависит от того, на каком входе потенциал больше. Если потенциал на НЕинвертирующем входе U1 больше, чем на инвертирующем U2, то на выходе будет +Uпит, если же на инвертирующем входе U2 потенциал будет больше, чем на НЕинвертирующем U1, то на выходе будет -Uпит. Вот и весь принцип ;-).
Давайте рассмотрим этот принцип в симуляторе Proteus. Для этого выберем самый простой и распространенный операционный усилитель LM358 (аналоги 1040УД1, 1053УД2, 1401УД5) и соберем примитивную схему, показывающую принцип работы
Подадим на НЕинвертирующий вход 2 Вольта, а на инвертирующий вход 1 Вольт. Так как на НЕинвертирующем входе потенциал больше, то следовательно, на выходе мы должны получить +Uпит. Мы получили 13,5 Вольт, что близко к этому значению
Но почему не 15 Вольт? Виновата во всем сама внутренняя схемотехника ОУ. Максимальное значение ОУ не всегда может равняться положительному либо отрицательному напряжению питания. Оно может отклоняться от 0,5 и до 1,5 Вольт в зависимости от типа ОУ.
Но, как говорится, в семье не без уродов, и поэтому на рынке уже давно появились ОУ, которые могут выдавать на выходе допустимое напряжение питания, то есть в нашем случае это значения, близкие к +15 и -15 Вольтам. Такая фишка называется Rail-to-Rail, что в дословном переводе с англ. «от рельса до рельса», а на языке электроники «от одной шины питания и до другой».
Давайте теперь на инвертирующий вход подадим потенциал больше, чем на НЕинвертирущий. На инвертирующий подаем 2 Вольта, а на НЕинвертирующий подаем 1 Вольт:
Как вы видите, в данный момент выход «лег» на -Uпит, так как на инвертирующем входе потенциал был больше, чем на НЕинвертирующем.
Чтобы не качать лишний раз программный комплекс Proteus, можно в онлайне с помощью программы Falstad сэмулировать работу идеального ОУ. Для этого выбираем вкладку Circuits—Op-Amps—>OpAmp. В результате на вашем экране появится вот такая схемка:
На правой панели управления увидите бегунки для добавления напряжения на входы ОУ и уже можете визуально увидеть, что получится на выходе ОУ при изменении напряжения на входах.
Выбор операционного усилителя
Следящее питание — это способ использования практически любого монолитного операционного усилителя для получения на выходе большого размаха напряжения колебаний сигнала. Тем не менее, необходимо выбрать операционный усилитель, который может работать с достаточно высоким напряжением питания. Приведённое выше сравнение показывает преимущество такого подхода. Сотни общедоступных операционных усилителей работают от источников питания 30 или 40 В, поэтому избегайте выбора такового с максимальным напряжением VCC всего 5 или 10 В. Кроме того, индивидуальные системные требования определяют какую точность, скорость и другие параметры должен иметь операционный усилитель. Некоторые важные параметры, которые следует учитывать, следующие:
Выходной ток: при большом размахе выходного напряжения даже нагрузка 2 K может потреблять значительный ток.
Входной ток смещения: резисторы большого номинала в цепях обратной связи позволяют использовать входной каскад на МОП-транзисторах.
Скорость нарастания выходного напряжения: ограничение скорости нарастания может искажать сигналы переменного тока большой амплитуды.
Таблица 4 показывает несколько операционных усилителей от Analog Devices, подходящих для схем со следящим питанием, включая как МОП, так и биполярные входные каскады. Этот список не является исчерпывающим. Каждое применение следящего питания имеет уникальный набор требований к параметрам операционного усилителя, поэтому если то, что вам нужно, отсутствует в этом списке, посмотрите предложения разных производителей операционных усилителей. Независимо от задачи, выбор операционного усилителя требует знания требований данного подхода к дизайну. Используйте уравнения, чтобы ответить на следующие вопросы:
Какая скорость нарастания выходного напряжения нужна вашему дизайну? (См. Уравнения 19 и 20.)
Как напряжение смещения и ток смещения будут влиять на ошибку на выходе? (См. Уравнения 21, 24 и 25.)
Будет ли входной каскад с большим диапазоном входных напряжений или большее напряжение питания устройства (максимальное значение VS) значительно улучшать параметры? (См. Уравнения 9, 14, 15, 17, 21, 24 и 25.)
Имейте также в виду, что входной каскад с МОП-транзисторами может позволить использовать резисторы с большими номиналами в цепи обратной связи с минимальным влиянием на общую ошибку на выходе.
Таблица 4. Некоторые подходящие для схем со следящим питанием операционные усилители и их основные параметры
|
Название |
Тип |
VOS |
IB |
VIHRH |
VIHRL |
VOHRH |
VOHRL |
IOUT |
GBP |
SR |
maxVs |
|---|---|---|---|---|---|---|---|---|---|---|---|
|
AD711 |
FET |
300μV |
15pA |
0.5V |
3.5V |
1.1V |
1.7V |
25mA |
4MHz |
20V/μs |
36V |
|
AD820 |
FET |
100μV |
2pA |
1V |
-0.2V |
0.01V |
0.005V |
15mA |
1.9MHz |
3V/μs |
36V |
|
AD825* |
FET |
1mV |
10pA |
1.5V |
1.5V |
1.6V |
1.6V |
26mA |
46MHz |
140V/μs |
36V |
|
AD843* |
FET |
1mV |
50pA |
3V |
2V |
3.5V |
2.4V |
50mA |
24MHz |
250V/μs |
36V |
|
AD845 |
FET |
700μV |
750pA |
4.5V |
2V |
2.5V |
2.5V |
25mA |
16MHz |
100V/μs |
36V |
|
OP176 |
FET |
1mV |
350nA |
4.5V |
4.5V |
1.5V |
1.5V |
40mA |
10MHz |
25V/μs |
44V |
|
OP42 |
FET |
1.5mV |
130pA |
2.5V |
2.5V |
3.1V |
2.5V |
25mA |
10MHz |
50V/μs |
40V |
|
AD817* |
BIP |
500μV |
3.3μA |
0.7V |
1.6V |
1.3V |
1.3V |
50mA |
50MHz |
350V/μs |
36V |
|
AD841* |
BIP |
800μV |
3.5μA |
3V |
3V |
5V |
5V |
50mA |
40MHz |
300V/μs |
36V |
|
AD847* |
BIP |
500μV |
3.3μA |
0.7V |
1.6V |
1.4V |
1.4V |
20mA |
50MHz |
300V/μs |
36V |
|
OP07* |
BIP |
30μV |
1nA |
1V |
1V |
2V |
2V |
25mA |
600KHz |
0.3V/μs |
44V |
|
OP113* |
BIP |
150μV |
600nA |
1V |
0V |
1V |
0.5V |
20mA |
3.4MHz |
1.2V/μs |
36V |
|
OP177* |
BIP |
10μV |
2nA |
1V |
1V |
1V |
1V |
25mA |
600KHz |
300V/μs |
44V |
|
OP183* |
BIP |
100μV |
300nA |
1.5V |
0V |
0.75V |
0.09V |
5KHz |
15V/μs |
36V |
|
|
OP184* |
BIP |
175μV |
80nA |
0V |
0V |
0.15V |
0.15V |
10mA |
4.25MHz |
4V/μs |
36V |
|
OP193* |
BIP |
150μV |
20nA |
1V |
0V |
0.86V |
0.28V |
10mA |
35KHz |
0.015V/μs |
36V |
|
OP27* |
BIP |
30μV |
15nA |
2.7V |
2.7V |
2.2V |
2.2V |
25mA |
8MHz |
2.8V/μs |
44V |
|
OP77* |
BIP |
50μV |
1.2nA |
1V |
1V |
1V |
1V |
25mA |
600MHz |
300V/μs |
44V |
|
OP90* |
BIP |
125μV |
4nA |
1V |
0V |
0.8V |
0.01V |
20mA |
20KHz |
0.012V/μs |
36V |
|
OP97* |
BIP |
30μV |
30pA |
1V |
1V |
1V |
1V |
20mA |
900KHz |
0.2V/μs |
40V |
* Устройство не подвержено реверсу фазы
Синфазный сигнал
ОУ конструируют так, чтобы они как можно больше изменяли Uвых при изменении Uдиф и как можно меньше изменяли Uвых при одинаковом (синфазном) изменении Uвх1 и Uвх2.
На рисунках: а) действует только синфазный сигнал Uсф = Uвх1 = Uвх2, при этом Uдиф = 0; б) график зависимости Uвых от Uсф.
Если модуль |Uсф| сравнительно мал, то синфазный сигнал слабо влияет на напряжение Uвых. Иначе его влияние, как следует из графика, может быть очень существенным. Если синфазный сигнал оказывается чрезмерно большим по модулю, то операционный усилитель может выйти из строя. Влияние синфазного сигнала при его малых по модулю значениях характеризуют коэффициентом усиления синфазного сигнала Kсф и коэффициентом ослабления синфазного сигнала Kос.сф
Коэффициент К всегда положителен. Коэффициенты Kсф и Kос.сф могут быть как положительными, так и отрицательными. Но в справочных данных обычно указывают модули этих коэффициентов. Модуль коэффициента Kсф обычно близок к единице, поэтому модуль коэффициента Kос.сф обычно такого же порядка, что и коэффициент K, т.е. 104…105.
Операционный усилитель
Развитие микроэлектроники изменяет подход к проектированию полупроводниковых усилительных устройств. Раньше при создании усилителей на дискретных компонентах разработчики старались найти наиболее простое решение устройств, в первую очередь стремились уменьшить число активных компонентов схемы (диодов, транзисторов) такой подход обеспечивал снижение стоимости аппаратуры и ее высокую надежность. Ныне при разработке аппаратуры на ИМС разработчик старается использовать готовые ИМС массового выпуска, именно такие ИМС обладают наименьшей стоимостью, их схемные решения тщательно проработаны и обеспечивают высокие показатели работы аппаратуры. Поэтому предприятия, выпускающие ИМС, стремятся к выпуску наиболее универсальных узлов, которые применялись бы в самых разнообразных устройствах, это обеспечивает увеличение выпуска данного типа ИМС и снижение их стоимости. Именно поэтому ИМС создаются не на основе наиболее простого решения, а наиболее совершенного, обладающего универсальными достоинствами. Применение таких ИМС оправдано и в тех случаях, если ряд их параметров в конкретном устройстве будет недоиспользован.
Наиболее распространенной усилительной ИМС является операционный усилитель (ОУ), в котором сосредоточены основные достоинства усилительных схем . Идеальный операционный усилитель имеет:
— чрезвычайно высокий коэффициент усиления по напряжению:
Ки=ивых1ивх^^-, (2.35)
- — большое входное сопротивление RBX ->0О ;
- — малое выходное сопротивление Rtta —> 0.
ОУ является усилителем постоянного тока, то есть усиливает широкий спектр частот вплоть до постоянной составляющей. При этом дрейф нуля ОУ очень мал. ОУ (рис. 2.34) имеет дифференциальный вход:
“вых = KAuexl -ивх2), (2.36)
при подаче сигнала на прямой вход выходное напряжение:
и = К.-и., (2.37)
вых U вх9 х /
при подаче сигнала на инвертирующий вход:
ивых =~ки -««Л2- (2-38)
Рис. 2.34. Структурная схема ОУ
Первый каскад выполняется по схеме симметричного дифференциального каскада (ДК), в которой максимально компенсируется дрейф нуля.
В качестве второго каскада часто используется ДК с несимметричным выходом.
Третий выходной каскад выполняется по схеме эмиттерного повторителя (каскад с ОК), что обеспечивает малое выходное сопротивление ОУ.
Свойства реальных ОУ в большей или меньшей степени приближаются к свойствам идеального ОУ .
Пример маркировки ОУ: К553УД2 (рис. 2.35) .
Вход В — неинвертирующий вход.
Входы С — для подключения двуполярного ИП.
Входы D — выводы для подключения цепей коррекции.
ОУ подразделяются по следующим признакам:
- — ОУ общего применения;
- — мощные ОУ;
- — ОУ с управляемыми параметрами;
- — быстродействующие ОУ.
К основным параметрам ОУ относятся следующие:
- — напряжение ИП;
- — коэффициент усиления;
- — входное сопротивление;
- — потребляемый от ИП ток или потребляемая мощность;
- — коэффициент ослабления синфазного сигнала .
Скорость нарастания выходного напряжения. Она показывает быстродействие ОУ (В/мкс) (рис. 2.36).
Рис. 2.35. Операционный усилитель К553УД2
(2.39)
Рис. 2.36. Быстродействие ОУ
В технической литературе встречается устаревшее У ГО ОУ, изображенное на рис. 2.37.
Так как ОУ имеет очень большой коэффициент усиления и достаточно сложную схему, то при работе на определенных частотах возможно появление нежелательных фазовых сдвигов, приводящих к образованию положительных ОС и, как следствие, к самовозбуждению усилителя.
Для устранения этих возможностей применяются цепи коррекции, представляющие различные RC-цепочки. Цепи коррекции могут быть как внешними, то есть при помощи навесных элементов, так и внутренними, то есть внутри корпуса микросхемы. Причем цепи коррекции разрабатываются на этапе проектирования ОУ и являются индивидуальными для каждого конкретного типа ОУ .
2. Обозначения
Обозначение операционного усилителя на схемах
На рисунке показано схематичное изображение операционного усилителя. Выводы имеют следующее значение:
- V+: неинвертирующий вход
- V−: инвертирующий вход
- Vout: выход
- VS+: плюс источника питания (также может обозначаться как VDD, VCC, или VCC + )
- VS−: минус источника питания (также может обозначаться как VSS, VEE, или VCC − )
Указанные пять выводов присутствуют в любом ОУ, они необходимы для его функционирования. Однако, существуют операционные усилители, не имеющие неинвертиующего входа. В частности, такие ОУ находят применение в аналоговых вычислительных машинах (АВМ). ОУ, применяемые в АВМ, принято делить на 5 классов, из которых ОУ первого и второго класса имеют только один вход. Операционные усилители первого класса — усилители высокой точности (УВТ) с одним входом. Они предназначены для работы в составе интеграторов, сумматоров, устройств слежения-хранения, электронных коэффициентов. Высокий коэффициент усиления, предельно малые значения смещения нуля, входного тока и дрейфа нуля, высокое быстродействие обеспечивают снижение погрешности, вносимой усилителем, ниже 0,01 %. Операционные усилители второго класса — усилители средней точности (УСТ) также с одним входом, обладающие меньшим коэффициентом усиления и большими значениями смещения и дрейфа нуля. Эти ОУ предназначены для применения в составе электронных устройств установки коэффициентов, инверторов, электронных переключателей, в функциональных преобразователях, множительных устройствах. Помимо этого, некоторые ОУ могут иметь дополнительные выводы (предназначенные, например, для установки тока покоя, частотной коррекции, балансировки или других функций).
Выводы питания (VS+ и VS−) могут быть обозначены по-разному (см. выводы питания интегральных схем). Часто выводы питания не рисуют на схеме, чтобы не загромождать её несущественными деталями, при этом способ подключения этих выводов явно не указывается или считается очевидным (особенно часто это происходит при изображении одного усилителя из микросхемы с четырьмя усилителями с общими выводами питания). При обозначении ОУ на схемах можно менять местами инвертирующий и неинвертирующий входы, если это удобно; выводы питания, как правило, всегда располагают единственным способом (положительный вверху).
Возможно, вам также будет интересно
При работе любого импульсного преобразователя на основе IGBT- или MOSFET-транзисторов неминуемо возникают коммутационные паразитные импульсы тока и напряжения. Неизбежность этих импульсов обусловлена паразитными составляющими топологии преобразователя и токами рекуперации при выключении. Создать преобразователь, не имеющий данных импульсов, практически не представляется возможным, а вот спроектировать преобразователь, в котором эти импульсы будут приводить к выходам из строя,
Встроенные защиты драйвера На сегодня драйвер IGBT-транзисторов — это законченный узел со сложившимся перечнем функций. Помимо основной функции — гальванически развязанной передачи логического сигнала управления в сигнал управления затвором транзистора, — драйвер выполняет и защитные функции. При этом практически все драйверы всех производителей содержат одинаковые виды защиты, список которых представлен в таблице. Таблица. Встроенные защиты
Компания SEMIKRON представляет новое поколение модулей седьмого поколения IGBT с сигнальными выводами, подключаемыми методом прессовой посадки (Press-Fit).
Семейство модулей IGBT в конструктиве SEMiX3p press-fit (Econo Dula) пополнилось новым, седьмым поколением компонентов с номинальным током 200, 300, 450, 600 и 700 А. Самым мощным элементом семейства является SEMiX703GB12M7p, отличающийся высшими показателями плотности мощности для IGBT в конструктиве 17 мм. Расположение сигнальных выводов SEMiX3p совместимо с топологией контактов серийно выпускаемых модулей Econo Dual, что дает …
LM358 цоколевка
Очень малое сопротивление Rвых позволяет подключить к выходу ОУ низкоомную нагрузку, при этом потери мощности на выходном сопротивлении ОУ будут незначительны.
Как такое может быть? Так как, благодаря обратной связи, в точке А сохраняется приблизительно нулевой потенциал, входное сопротивление схемы инвертирующего усилителя равно R Это приводит также что коэффициент усиления для каждого входа будет равен 1.
Чем глубже отрицательная обратная связь, тем меньше внешние характеристики усилителя зависят от характеристик усилителя с разомкнутой обратной связью без ОС , и в конечном счете оказывается, что они зависят только от свойств самой схемы ОС.
Очевидно, что если U2 на рис. Здесь напряжение смещения равно половине напряжения питания. А такое быть может! Причем напряжения могут быть как положительными так и отрицательными.
Как следует из схемы на рис. Диод не обеспечивает достаточной точности преобразования, так как зависимость между падением напряжения и током диода не совсем логарифмическая. Например, сдвоенный ОУ ОР как нельзя лучше подходит для этой схемы.

Однако в этой схеме могут применяться только ОУ с полным размахом входных и выходных напряжений Rail-to-Rail. Если источник входного сигнала не соединен с общей шиной рис. Что из этого получилось, показано на рисунке 7. Для этого нужно уменьшать напряжение на выходе. Направление стрелок на графике указывает направление перемещения гистерезиса.
Неспроста ОУ делятся на ОУ общего применения и высокоточные, прецизионные. Трансформатор понижает ток до 30 вольт. Мобильные электронные системы с питанием от батарей получают все большее распространение. Это может привести к нарушению работы оборудования.
В этой схеме инвертирующий повторитель на ОУ2 создает на нижнем полюсе нагрузки RL потенциал, противофазный по отношению к потенциалу верхнего ее полюса. С входным сопротивлением все, вроде, ясно: он получается равным сопротивлению резистора R1, а вот выходное сопротивление придется посчитать, по формуле, показанной на рисунке Недостаток этой схемы состоит в том, что она обладает малым входным импедансом, особенно для усилителей с большим коэффициентом усиления по напряжению при замкнутой цепи ОС , в которых резистор R1, как правило, бывает небольшим. Для вычисления усиления применяют формулу: Отсюда видно, что усиление операционника не зависит от сопротивления R3, поэтому можно обойтись без него. Причем коэффициент усиления мы можем задать любой.
Управление нагревом




















