Что это такое
Контактор – это электрическое магнитное приспособление, необходимое для включения и отключения действия разнообразных электрических приборов на расстоянии (их также называют пускатели). Ранее это устройство в электротехнике использовалось только для контроля двигателей электровозов и других машин, но сейчас они широко применяются в электронике.

 Фото — контактор класса МК
Классификация контакторов может осуществляться по нескольким признакам:
- Проходящему току. Многие устройства предназначены для работы с исключительно постоянным или переменным током, но также есть комбинированные;
 - По характеристикам локальной электрической цепи. Контакторы нужно подбирать по силе тока и его напряжению. При этом существуют бытовые приборы с меньшими показателями и промышленные, у которых напряжение может доходить до 2000 вольт, а сила до 5000 ампер;
 - По количеству контактов и полюсов. Бывают двухполюсные, трёхполюсные и прочие устройства;
 - Некоторые пускатели оснащены защелками, чтобы электромагнитные контакторы могли устанавливаться на дин-рейку, а некоторые нет.
 
Технические характеристики зависят от того, какие виды электромагнитных контакторов используются. Рассмотрим основные из них:
- У рабочей катушки может быть напряжение от 12 вольт до 660, при этом частота тока не должна превышать 60 Гц;
 - У любого контактора может быть от 1 до 5 полюсов;
 - Многие импортные устройства переменного тока работают с частотой до нескольких тысяч Герц, притом у моделей постоянного этот показатель может доходить до 10 000;
 - В среднем срок службы контактора до 5 лет;
 - У катушек могут быть разные варианты управления, поэтому пускатели или как их еще называют, реле такого плана активно используются в системах освещения, сигнализации, для управления работой тепловоза и т. д.;
 
Технические характеристики
Основные параметры и технические характеристики наносятся на корпус прибора, в том числе и контактора АВВ. Прежде всего, это величина номинального тока, тип и количество контактов. На каждой модели и модификации присутствуют собственные показатели.
Чаще всего коммутационные приборы, работающие с различным электрооборудованием, обладают следующими характеристиками:
- Величина номинального рабочего напряжения переменного тока, составляющая 230, 400 и 600 вольт.
 - Значение номинального рабочего тока, с категорией использования АС-3 – 12 А.
 - Показатели условного теплового тока с категорией использования АС-1 – 25 А.
 - Номинальная мощность при коммутации для напряжения 230 В по категории АС-3 – 3 кВт.
 - Номинальная мощность при коммутации для напряжения 400 В по категории АС-3 – 5,5 кВт.
 - Номинальная мощность при коммутации для напряжения 660 В по категории АС-3 – 7,5 кВт.
 
Отдельно следует отметить характеристики управляющих цепей в самом контакторе:
- Величина номинального напряжения в управляющих катушках составляет 24, 36, 110, 230 и 400 вольт.
 - При срабатывании катушка потребляет мощность в размере 60 ВА.
 - В положении удержания катушка потребляет мощность, величиной 7 ВА.
 - Контакты замыкаются в течение 12-22 миллисекунд.
 - Размыкание контактов происходит в течение 4-16 мс.
 - Катушка управления обладает мощностью рассеяния – 3 Вт.
 
Благодаря этим показателям данные приборы широко используются в электрике, промышленности и других областях.
Читайте далее:
Реверсивный контактор

Модульное заземление

Контактор КМИ: назначение и принцип работы

Схема подключения контактора

Контакторы переменного тока
Контактор как электромеханическое устройство
Где и зачем применяется
Чаще всего используют модульный контактор при управлении и коммутации отопительного насоса и других разных устройств (к примеру, в системах вентиляции). Популярными и востребованными они стали при сборке щитов в квартире и различных системах автоматики. Например, управление светом, скважинным насосом, схема автоматического включения резерва и так далее. Почему? Потому что контактор превосходно вписывается с другими модульными устройствами, при этом, не нарушая эргономику в щите. Убедиться в этом вы можете, просмотрев наглядный пример на фото:

Стоит помнить, что сетевое напряжение должно быть не больше 380 Вольт при частоте 50 Гц. Но, не смотря на это, контактор может работать при высоких мощностях. Есть еще несколько плюсов данного прибора. Такие как практически полное отсутствие шума и вибрации, что довольно-таки положительно сказывается при их применении не только в домашнем щитке, но и в общественных местах (больница, квартира, школы, институты и так далее), так как другие коммутационные приспособления слишком восприимчивы к сильной вибрации.
Кстати, размер имеет значение. Ведь небольшой размер модульного контактора позволяет устанавливать его на din-рейку. В конструкции предусмотрены дугогасительные камеры для гашения дуги, которая возникает в процессе изменения нагрузки тока. Кроме того, бывают контакторы однофазные и трехфазные, что позволяет при этом подключиться к любой сети.
Более подробно узнать о модульных контакторах вы можете, просмотрев данное видео:
Конструкция и принцип действия
Стандартная конструкция контактора включает в себя несколько основных деталей. Прибор состоит из корпуса (1), выводной клеммы катушки управления (2), клеммы силового контакта (3), неподвижного магнитопровода (4), подвижной части – сердечника (5), катушки управления (6), короткозамкнутого кольца магнитопровода (7), неподвижного и подвижного контактов (8 и 9), индикаторного рычага включения-выключения (10).
Катушка является основным элементом, создающим магнитный ток. Если она используется еще и в качестве дросселя, то с ее помощью возникает движущая сила, обеспечивающая работу приборов. Натяжение контактов фиксируется при помощи контактной пружины. Во время стыковки подвижный и неподвижный контакты соединяются между собой. Они постоянно находятся в движении и совершают определенные действия. Неподвижные контакты закрепляются на корпусе, а подвижные соединяются с сердечником.
Работа контактора происходит следующим образом:
- После подачи напряжения на управляющую катушку, происходит притягивание якоря к сердечнику. В результате, наступает замыкание или размыкание контактной группы, в соответствии с исходным положением того или иного контакта.
 - После отключения питания все действия происходят в обратном порядке. Электрическая дуга, возникающая в момент размыкания, гасится при помощи дугогасительной системы.
 - После прекращения подачи напряжения, электромагнитное поле исчезает и перестает удерживать якорь или сердечник.
 - Возвратная пружина переводит контакты в исходное положение, полностью размыкая цепь. Таким образом, модульный контактор выполняет свою основную работу в периоды подачи и отключения напряжения.
 
Электромагнитный контактор
Простой электромагнитный контактор отличается от модульного способом коммутации, а именно – имеет электромагнитную катушку. Для организации питания потребителей используются блок-контакты. При включении контактора все контакты срабатывают одновременно.
Применение таких контакторов целесообразно для коммутации мощных или трехфазных электропотребителей: водяных насосов, токарного станка в мастерской и так далее.
Электромагнитный контактор также может быть установлен в домовом электрическом щите и управляться дистанционно, либо посредством сигналов от различных реле.
Список преимуществ электромагнитного контактораИсточник 400volt.ru
Наиболее часто такие контакторы можно встретить в системе водоснабжения с гидроаккумулятором. Блок-контакты настраиваются на нормально замкнутое состояние, при включении контактора скважинный насос подает воду в гидроаккумулятор. При достижении необходимого давления внутри гидроаккумулятора реле давления подает команду на отключение контактора. Процесс повторяется по мере расходования воды жильцами дома.
В зависимости от мощности, при отключении потребителя может наблюдаться искрение контактов, что пагубно влияет на их срок службы. Электромагнитный контакторы комплектуются дугогасительными камерами, благодаря чему становится возможным отключение потребителей под нагрузкой без риска образования высокотемпературной электрической дуги.
Управление пускателем
Работа устройства во многом зависит от области его использования. Для контроля трехфазного электродвигателя используется следующая схема подключения электромагнитного контактора:

 Фото — схема управления
После нажатия пусковой кнопки по катушке начинает поступать электрический ток, который образовывает магнитное поле. Благодаря этому притягиваются главные контакты, они замыкаются. Соответственно, после использования кнопки «Стоп» движения направленных частиц прекращается – контакты размыкаются, двигатель останавливается
Обратите внимание, что после остановки не происходит фиксации клемм, из-за чего часто пускатели ломаются. В этом случае понадобится ремонт самого коммутационного механизма

 Фото — блокировка контактов
Если Вы хотите купить электромагнитные МК контакторы для блокировки отдельного оборудования, то Вам поможет представленная схема. В представленном чертеже немаловажную роль играет пусковая приставка, которая после остановки пускателя фиксирует его главные контакты, не давая им длительное время соединиться. Такой вариант считается более надежным, нежели первый.
Продажа электромагнитных контакторов производится в специализированных магазинах электрического оборудования, при этом цена зависит от класса пускателя. Например, стоимость стандартного КТ на 10 Ампер варьируется в пределах 400 рублей, а специализированного Сименс – 800.
Видео: как подключить электромагнитный контактор
Контакторы постоянного тока
Серии контакторов постоянного тока: КП, КМК, КПМ, КПВ.
Контакторы постоянного тока имеют пять категорий применения: ДС-1; ДС-2; ДС-3; ДС-4; ДС-5.
Контакторы серии КПВ имеют два исполнения:
Замыкание главных контактов при подаче управляющего напряжения.
Размыкание главных контактов при подаче управляющего напряжения.
Контактная система
включает неподвижный контакт, подвижный контакт, гибкая связь с выводом. Подвижный контакт выполнен в виде толстой пластины поворотного типа и может перекатываться и скользить по поверхности неподвижного контакта. При этом в месте контактирования стираются окисные пленки, и уменьшается переходное сопротивление. Вывод соединяется с подвижным контактом гибкой связью. Контактное нажатие создается контактной пружиной. В контакторах постоянного тока широко распространена мостиковая система контактов с двумя разрывами на полюс, что значительно облегчает условия дугогашения.Под номинальным током контакторы могут находиться не более 8 часов. По истечении этого времени необходимо провести несколько операций включение-отключение для удаления с поверхности контактов окисной пленки. При нахождении под током более 8 часов, номинальный ток необходимо снизить до

 . У контакторов, установленных в закрытых объемах, номинальный ток уменьшается до

 .
Дугогасительная система:
дугогасительная камера, катушка магнитного дутья. При отключении контактора, магнитное поле дугогасительной катушки, взаимодействуя с током дуги, вызывает движение последней в сторону дугогасительной камеры. Обеспечивается механическое растяжение, охлаждение и гашение дуги. При токах ниже

 , эффективность работы дугогасительной системы уменьшается за счет ослабления магнитного поля, длительность горения дуги при этом возрастает.
Электромагнит.
В контакторах постоянного тока наибольшее распространение получили электромагниты клапанного типа. Якорь вращается на призме. Такая конструкция обеспечивает механическую износостойкость узла вращения до 20 млн. циклов при частоте включения до 1200 включений в час. Катушка электромагнита наматывается на изолированную стальную гильзу для обеспечения механической прочности и улучшения условий охлаждения. Сила, развиваемая электромагнитом, должна проходить выше характеристики противодействующих пружин при напряжении на катушке не ниже

 в нагретом состоянии. Наибольшее напряжение на катушке не должно превышать

 . К важным параметрам контактора относится коэффициент возврата, равный отношению напряжения отпускания к напряжению срабатывания. Для большинства контакторов этот коэффициент равен 0.2, что не позволяет использовать контакторы для защиты электроустановок от пониженного напряжения.
Нов-электро
Контактор должен быть установлен вертикально, так как отключение его происходит под действием веса подвижной системы. Допускается отклонение от вертикального положения на угол до 5о. Должны быть проверены затяжки болтов и гаек, крепящих детали контакторов и свободный ход подвижной системы.
Контакты контакторов, как в момент начального соприкосновения, так и после включения должны соприкасаться линейно, при этом прилегание должно быть не менее, чем на 75% ширины контактов. Добиваться соприкосновения по плоскости не нужно.
Подвижный контакт при включении должен перекатываться по неподвижному.
Контакты контакторов, работающих в продолжительном режиме, исполняются с серебряными впаянными вставками. Для возможности замены все контакты съемные. Если контакты обгорели или, если на поверхности их образовались капельки меди (корольки), то поверхность необходимо слегка зачистить, стараясь снять возможно меньше меди. При этом радиус закругления неподвижного контакта не должен изменяться.
Не разрешается чистить контакты наждачным полотном, так как кристаллы наждака врезаются в медь. Смазывать контакты не разрешается.
Необходимо следить, чтобы контакты имели нормальное нажатие, провал и растворы (см. таблицу 1 и 2).
Таблица 1
| Нажатие контактов, кг | ||||
| Габарит | Начальное | Конечное | ||
| главных контактов | блок контактов | главных контактов | блок контактов | |
| 2 | 0,7-0,9 | 0,07 | 0,9-1,1 | 0,15 | 
| 3 | 1,8-2,3 | 0,07 | 2,3-3,6 | 0,15 | 
| 4 | 3,6-5,1 | 0,07 | 5,5-7,5 | 0,15 | 
| 5 | 7-9,8 | 0,07 | 10-13,5 | 0,15 | 
Таблица 2
| Провал контактов | Минимальный раствор контактов, мм | |||
| Габарит | главных контактов | блок контактов | главных контактов | блок контактов | 
| 2 | 2,5+/-0,5 | 3-4 | 11 | 10 | 
| 3 | 3+/-0,5 | 3-4 | 14 | 10 | 
| 4 | 4,5+/-0,5 | 3-4 | 16 | 10 | 
| 5 | 5,5+/-0,5 | 3-4 | 18 | 10 | 
Значение конечных нажатий и растворов в этой таблице дано для новых контактов. По мере износа контактов конечное нажатие уменьшается. Если при новых контактах провал менее 2,5 мм, контакты следует регулировать. Если в процессе эксплуатации провал станет меньше 1,2 мм, контакты следует заменить. Значения начальных нажатий, как для новых, так и для изношенных контактов должны быть выдержаны.
Во время ремонтов одновременность начального и конечного нажатий контактов производится путем прокладывания шайб под фасонный штифт, на который опирается пружина.
Дугогасительные камеры деионного гашения имеют внутри решетку из стальных омедненных дугогасительных пластинок. Эти пластины должны находиться на своих местах – в пазах и не должны касаться друг друга. В камере с магнитным гашением применены дугогасительная катушка и сердечник, который охватывает дугогасительную камеру снаружи. Камера должна быть правильно закреплена на контакторе. Подвижные не должны касаться стенок камеры.
Электромагнитная система состоит из якоря, сердечника Ш-образной формы и втягивающей катушки. Крайние полюсы якоря и сердечника должны плотно прилегать друг к другу. При поджатом к сердечнику якоре полоска папирусной бумаги не должна передвигаться между крайними полюсами. Если поверхность соприкасается менее 60-70%, то сердечник нуждается в подгонке. Шабровку надо производить вдоль слоев шихтовки и при этом нельзя снимать большого слоя, так как может уменьшиться необходимый зазор между средними выступами магнитопровода. Втягивающий электромагнит создает при работе легкий шум, подобный гудению трансформатора. Сильное гудение может быть вызвано неисправностью магнитной системы или ослаблением затяжки винтов.
Вероятные причины, вызывающие гудение:
а) плохо затянуты винты, крепящие якорь и сердечник;
б) лопнул или отсутствует короткозамкнутый виток;
в) чрезмерно нажаты контакты;
г) якорь перекошен или неплотно прилегает к сердечнику вследствие загрязнения поверхности прилегания, либо при забоинах и искривлении плоскостей прилегания.
Короткозамкнутые витки на крайних полюсах могут нагреваться до 200оС.
Корпус контактора должен быть заземлен.
Похожие материалы:
- Эксплуатация и ремонт магнитных пускателей
 - Эксплуатация, ревизия и ремонт размыкающихся контактов и болтовых контактных соединений.
 
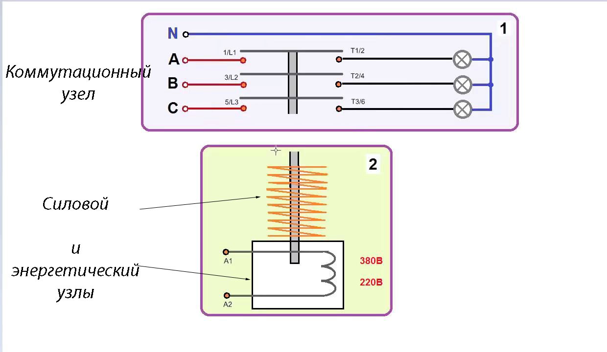
Принципиальное устройство
Контактор состоит из нескольких узлов:
- Энергетического.
 - Силового.
 - Коммутационного.
 
Энергетический узел обеспечивает формирование электромагнитного поля, достаточного для получения определенной однонаправленной силы. Это поле появляется как следствие протекания электрического тока через катушку с сердечником. Его форма делается либо П-, либо Ш-образной, в зависимости от конструкции этого коммутационного изделия.
Силовые линии магнитного поля наиболее сконцентрированы вблизи сердечника, и поэтому силовой узел выполнен так, чтобы воздействие на него со стороны энергетического узла получилось максимальным. Для более равномерного усилия, возникающего при протекании через катушку переменного тока, в ней делается короткозамкнутый виток. Он играет роль демпфера, который препятствует дребезгу контактов с частотой 50 Гц. Если катушка питается постоянным током, на ее сердечнике располагается диэлектрическая прокладка для предотвращения слипания намагнитившихся деталей.
Силовой узел содержит подвижный подпружиненный ферромагнитный элемент — якорь, который притягивается к неподвижному сердечнику катушки, передавая силу коммутационному узлу. В нем расположены контакты. Их число может быть различным, в зависимости от конструкции контактора. Для управления электродвигателями в трехфазных сетях контактов бывает три-четыре — одинаковых по своим характеристикам. Но могут быть и дополнительные маломощные контакты, используемые для управления вспомогательными элементами схемы.
Расположение дополнительных контактов определяют отличие контактора от магнитного пускателя. Они располагаются в группе с основными контактами, а не сбоку, как в магнитном пускателе.
Кроме контактов в коммутационном блоке расположены камеры для гашения электрической дуги.

Обзор фирм производителей модульных контакторов
Современный рынок изобилует множеством разных коммутационных приборов, среди которых присутствуют и электромагнитные. Модульные контакторы пользуются особой популярностью, в связи с чем, представлены разнообразными моделями, как отечественных, так и зарубежных производителей. Все они обладают высоким качеством и надежностью. Тем не менее, цены на изделия заметно разнятся.
Для сравнения, в таблицу сведены некоторые товары от разных фирм:
| Название бренда | Страна | Наименование изделия | Количество полюсов | U ном., Вольт | Цена, руб. | 
| Schneider Electric | Франция | Acti 9 ICT 63A 4NO | 4 | 400 | 10780 | 
| IEK | Китай | КМ63-40 4Р 63А | // | // | 2000 | 
| ABB | Швейцария | ESB-63-40 (63A) | // | // | 5600 | 
| TDM | Россия | КМ63/4 4АР 63А | // | // | 1600 | 
| EKF | Россия | КМ 3Р 63А | 3 | // | 2500 | 
Технические параметры указанных в таблице изделий схожи, однако, цены у всех разные. Во многом сказывается имя бренда, но выбор всегда остается за пользователем. Многие считают, что знаменитые производители лучше отслеживают качество продукции и, соответственно, заслуживают большего доверия. Главное не приобретать товар сомнительного происхождения.
Устройство и принцип работы контактора
Исходя из наименования, это группа контактов, предназначенная для соединения электрических линий. Основное применение — модульный контактор коммутирует силовые линии. Если в обычном включателе (пусть даже и автоматическом защитном), смыкание и размыкание происходит вручную, контакторы переменного тока управляются дистанционно.
Рассмотрим схему простого контактора, без блокировок и защитных модулей.

Для тех, кто мало-мальски знаком с электротехникой, понять принцип работы несложно. Основа силовой группы — это контакты, обозначенные на схеме литерами «L» и «T». В зависимости от конструкции, система может одновременно включать одну, две, или более пар контактов. Для того чтобы соединительная проводящая планка прижалась к неподвижным контактам, требуется усилие. В обычных включателях это механическое приспособление, приводимое в движение оператором. Наша схема срабатывает с помощью электромагнита. Когда на катушку A1-A2 подается управляющее напряжение, соленоид втягивается, и силовые (рабочие) контакты замыкаются.
После снятия питания с управляющей обмотки, возвратная пружина мгновенно отводит контактную планку от силовых клемм.
Что внутри
Несмотря на кажущуюся сложность и громоздкость конструкции, элементная база простейшая:

- контактная группа, выполненная из медных (латунных) сплавов, рассчитанная на определенный ресурс;
 - «Т» образная контактная планка, напрямую соединенная с соленоидом электромагнита;
 - катушка электромагнита, выполненная под конкретную модель контактора;
 - диэлектрический корпус, выполняющий не только защитные, но и несущие функции;
 - дугогасительные элементы, которые устанавливаются в механизмах включения электроустановок с большим током потребления.
 
По сути, конструкция мало чем отличается от обычного реле. Так же точно существуют нормально замкнутые, нормально разомкнутые, и переключающие схемы (в которых присутствуют оба вида контактных групп). При этом, согласно технических требований ГОСТ, модульный контактор должен иметь только одно положение покоя (состояние контактной группы при отсутствии внешнего управляющего давления).
При механическом воздействии на токопроводящую планку (или группу линеек) происходит замыкание (размыкание) одной или нескольких контактных пар.

Таким образом, с помощью прямого или дистанционного воздействия можно управлять питанием электроустановок или магистралей электропередач.
Нереверсивное подключение электродвигателя
Сначала следует рассмотреть относительно простой вариант, когда электрический двигатель выполняет свои функции с вращением только в одном направлении. Такие решения вполне достаточны для насосных станций, компрессорных установок.
Типовая нереверсивная схема
В этом варианте подключен трехфазный источник питания 220 V последовательно через автомат и магнитный пускатель «КМ». Реле «Р» в нулевой цепи обеспечивает защиту при чрезмерном нагреве силового агрегата. Второй контакт обмотки пускателя подсоединен к одной из фаз «С» через плавкий предохранитель «FU», ограничивающий силу тока. Двумя кнопками устанавливают соответствующие режимы: «Пуск» и «Стоп».
Нереверсивный запуск
Включение автомата – подготовительный этап. Электродвигатель начинает вращение после нажатия кнопки «Пуск». Это действие подключает питание обмоток. Силой магнитной индукции якорь перемещается в нужное положение. Комбинированный контактор пускателя подает напряжение на рабочие обмотки. В этом положении шунт замыкает вспомогательную цепь, что сохраняет питание силового агрегата в рабочем режиме при отжатой кнопке.
Остановка
Для остановки нажимают «Стоп». В этом положении отключается питание катушек пускателя. Пружина перемещает якорь в исходное положение с одновременным размыканием силовых контактов.
Защита двигателя при нереверсивном пуске
При попадании в механический привод посторонних предметов ток в обмотках двигателя увеличивается. Нагрев изгибает биметаллические элементы теплового реле. На определенном уровне повышения температуры цепь нулевого провода разрывается. Контактные группы «КМ» возвращаются в исходное положение. Плавкий предохранитель выполняет свои функции при коротком замыкании между витками катушки индукции магнитного пускателя.
Применение МК
Модульные контакторы могут применяться для подключения мощных промышленных потребителей и дистанционного управления ими. В сочетании с реле времени они способны осуществлять автоматическое включение/отключение системы вентиляции через определенные временные промежутки. Взаимодействуя с датчиком уровня, МК может выполнять коммутацию насосного оборудования, запуская его при поднятии жидкости к отметке max и останавливая при опускании до min значения.
С таким же успехом они используются в бытовых целях, например для управления электрическим отоплением. Команда на включение или отключение в данном случае подается температурным реле.
Одно из самых распространенных применений рассматриваемые устройства получили в схемах управления электрическими двигателями. С их помощью можно составить схему обычного пуска, либо предусматривающую реверс оборудования (изменение направления вращения).





























