Устройство переключателя фаз
Сразу надо отметить, что переключатель никак не влияет на качество энергии, для этой цели служат блок бесперебойного питания, генераторы, аккумуляторы и тому подобное. Сам ПФ лишь выбирает из трех фаз ту, что наиболее подходит для работы. Из этого вытекает вывод: использование переключателя возможно только при наличии минимум двух фаз. Там, где подключена только одна фаза, от установки ПФ ничего не изменится.
Переключатели можно разделить на две группы:
- ручного управления;
- автоматического управления.
Электропереключатель устанавливается после счетчика, поэтому если стоит однофазный счетчик, его придется менять на трехфазный. Потребляемая мощность не меняется, тариф остается тем же, следовательно, затраты на установку нового счетчика будут связаны только с его стоимостью и ценой установки, а также с подводом дополнительных фаз.
Использование ручного типа
В качестве ПФ ручного типа может использоваться трех- или четырехпозиционный кулачковый тумблер. Принцип действия ручного переключателя фаз сводится к поочередному включению пар контактов.
Они выпускаются двух видов:
- в корпусе;
- бескорпусные.
Переключатель состоит из вращающегося штока, на котором находится один или несколько кулачков. Для фиксации положения имеется стопор. Используется несколько пар контактов:
- подвижные;
- неподвижные.
Для возврата в исходное положение подвижные контакты имеют пружину. Сами контакты обычно покрываются слоем серебра, которое выдерживает большие температуры. Это необходимо для того, чтобы при размыкании больших токов, контакты не подгорали и не выходили из строя.
Работает выключатель следующим образом: при вращении вала кулачок через изоляционные штанги замыкает одну пару контактов. Дальнейшее вращение приводит к тому, что первая пара размыкается, а вторая замыкается. В некоторых конструкциях имеется положение, когда все контакты разомкнуты. Такое положение называется «выключено» и обозначается «0».
В других конструкциях штангу двигает не кулачок, а выемка. Позицию, при которой одна из пар контактов замкнута, обозначают цифрой 1,2 и так далее. Как правило, на выключателе показана схема контактов и последовательность их замыкания.
Автоматическое управление
Предприятия выпускают трехфазный автоматический переключатель фаз в огромном количестве
На что следует обращать внимание при покупке? В первую очередь на коммутирующий ток. Это максимальный ток, который это устройство способно разрывать. Ведь переключения происходят без снятия нагрузки
Какой ток используется в помещении, можно определить по автоматам, которые стоят перед счетчиком (если счетчик давно уже не меняли, то после него)
Ведь переключения происходят без снятия нагрузки. Какой ток используется в помещении, можно определить по автоматам, которые стоят перед счетчиком (если счетчик давно уже не меняли, то после него).
Второе, что поможет реализовать свои предпочтения в настройке, — это способ индикации. По этому признаку приборы можно разделить на:
- светодиодные;
- жидкокристаллические.
В первом случае индикация производится с помощью светодиодов, цвет свечения различный, но чаще зеленый. Устанавливаются на входе каждой фазы, тем самым показывая, какая фаза используется в настоящий момент. Жидкокристаллическое табло позволяет, кроме всего прочего, следить за фактическим напряжением.
Работает автоматический трехфазный переключатель следующим образом: все подключенные источники тока находятся под постоянным контролем, измеряется величина напряжения. Как только показания основной линии выходят за пределы установленных величин, переходит переброс нагрузки на резервную фазу.
Наблюдение за основной линией продолжается, и после того как ее показания придут в норму, происходит обратный переброс нагрузки. Для коммутации нагрузки используются магнитные пускатели, их еще называют реле переключения фаз.
ОСОБЕННОСТИ УСТРОЙСТВ
Электрический переключатель ПЭФ-301 производит выбор оптимальной фазы в зависимости от качества напряжения в сети. Непосредственное питание от прибора осуществляется при мощности нагрузки до 3,5 кВт (16 А). Если мощность нагрузки превышает 3,5 кВт, прибор управляет катушками магнитных пускателей.
Параметры качества напряжения (минимальное и максимальное значения) задаются Пользователем. Для этого предназначены специальные регуляторы на лицевой панели корпуса.
Преимущества устройства переключения питания данного типа:
фиксированная задержка на 12 секунд во избежание ложного перехода на резервную фазу, в период понижения напряжения в сети ниже заданного минимального значения;
возможность исключения возврата к приоритетной фазе, когда прибор используется для питания малых по мощности потребителей, где не желательны частые переключения;
устройство прибора позволяет избежать межфазного замыкания из-за залипания контактов благодаря специальной схеме включения трех встроенных реле.
Электронный переключатель фаз ПЭФ-319, в отличие от предыдущей модели прибора, осуществляет питание нагрузки при мощности нагрузки до 6,6 кВт (30 А). Если мощность нагрузки превышает 6,6 кВт, прибор управляет катушками магнитных пускателей.
В целом, переключатели нагрузки схожи по рабочим параметрам.
Ключевыми особенностями прибора ПФЭ-319, являются:
возможность перехода на приоритетную фазу с резервной, после восстановления параметров приоритетной фазы, через время возврата, заданное Пользователем – от 5 до 200 с;
наличие цифрового индикатора, который отображает значение напряжения фазы от которой питается нагрузка. При отключенной нагрузке на цифровом индикаторе отображается значение напряжения фазы, наиболее близкой по напряжению к установленному диапазону напряжений;
свечение одного из зеленых светодиодов на лицевой панели прибора указывает фазу, к которой подключена нагрузка, а также мигание красного светодиода для отслеживания аварийной ситуации.
Если напряжение на всех трех фазах не соответствует заданным параметрам качества – нагрузка отключается. После восстановления параметров напряжения на одной из фаз в допустимых пределах устройство переключения фаз подключит нагрузку к этой фазе.
Производство сертифицировано по ISO 9001
Сертификацию по ISO 9001 прошли все участки производства, благодаря чему постоянно увеличивается качество выпускаемой продукции и уменьшается уровень брака.
Гарантия на всю продукцию 10 лет
На всю продукцию с момента покупки действует гарантия 10 лет.
- Компания
- Оплата и доставка
- Гарантия
- Контакты
- Документация
Общее устройство и принцип работы
Принцип действия обычного переключателя связан с распределением контактов между имеющимися фазами. Как правило, выбирается один главный контакт, к которому подключается основная фаза, обеспечивающая питание оборудования. Для нее используется мощный медный провод, позволяющий снизить потери электричества.
Для других линий, имеющих второстепенное значение, может использоваться более простой тонкий алюминиевый провод. В этом случае резервная линия все равно не сразу выйдет из строя и сможет проработать 1-2 часа. Такие вторичные фазы подключаются ко второму и третьему контактам переключателя.
Количество контактов определяется числом фаз в промышленной сети. Обычно используется три фазы, с напряжением между ними в 380 вольт. Между фазами и землей напряжение составляет 220 вольт на каждой из них. Именно таким напряжением запитаны все квартиры и дома, а 380 В вообще не используется.
Если на основной фазе пропадает напряжение, то с различными временными интервалами питание перебрасывается на какой-либо вторичный контакт. При отсутствии электроэнергии во всех трех фазах, переключатель выполняет полное отключение сети. Для таких ситуаций рекомендуется формирование специального сигнала, с помощью которого включается резервный генератор. С этой целью к резервному источнику питания подводится отдельная электрическая цепь.
В каждый переключатель встраивается устройство для гашения искр, образующихся при срабатывании контактов. Это позволяет существенно увеличить срок службы прибора.
Автомат переключения фаз

В сельской местности проблемы с электроэнергией бывают постоянно. К счастью, к моему дому подведены три фазы, что позволяет мне пользоваться электросетью почти бесперебойно. Три фазы это конечно очень хорошо, можно подключать трехфазное оборудование вроде токарного станка. Но моя радость была недолгой (хорошо еще что не успел купить трехфазный станок). Оказывается в нашем поселке «три фазы» вещь весьма относительная, так как присутствуют они все три крайне редко. Хорошо если есть две или одна. Причем пропадают они и появляются весьма непредсказуемо. А так как ~220V берется от одной фазы, то и большинство домов страдает перебоями с электроснабжением. В моем случае легче, потому что -220V можно снять хотя бы с одной рабочей фазы.
Первоначально мне приходилось это делать вручную. Установил на щитке три мощные однофазные розетки с неонками для индикации наличия напряжения, подключив каждую к отдельной фазе, а от проводки своего дома вывел вилку. Пропало напряжение, — идешь в прихожую и переключаешь вилку в розетку где напряжение есть. Но такой способ весьма непрактичен, так как требует постоянного человеческого контроля. А если вас нет дома? Холодильник потечет!
Немного поразмыслив я собрал схему, которую назвал «ловушкой фаз», схема показана на рисунке. Все очень просто. Есть три маломощных сетевых трансформатора (ТВК-110 — самое то), на вторичной обмотке которых напряжение где-то 8-10V. И три мощных реле с обмотками на 12-14V. Контакты реле переключающие, и включены последовательно как показано на схеме.

Схема автомата переключения фаз
На вторичных обмотках трансформаторов установлены выпрямительные мосты и сглаживающие конденсаторы. Первичные обмотки трансформаторов ка>кдая подключена к своей фазе. А к выходам выпрямителей — обмотки реле.
И так, допустим на нашей улице «праздник», то есть, все три фазы есть. В таком случае все обмотки реле под током. И все их контакты находятся в противоположном показанному на схеме положении. Тогда напряжение на дом подается через контакты К1.1 от фазы L1.
И вот что-то опять на подстанции случилось и фаза L1 отключилась. Обмотка реле К1 больше не под током, его контакты переключаются в положение как на схеме. Если есть фаза L2, то напряжение на дом пойдет через контакты реле К1.1 и К1.2. Если фазы L2 тоже нет, но все же есть фаза L3 — напряжение на дом пойдет через контакты всех трех реле от фазы L3.
Ну, а если всех фаз нет… ну тогда уже ничего не поделаешь. Впрочем отсутствие напряжения на всех трех фазах у нас бывает крайне редко.
Детали. Трансформаторы типа ТВК-110 от старого телевизора. Но можно использовать практически любые трансформаторы с напряжением на вторичной обмотке 8-10V и максимальным током не ниже 100 тА. Сейчас по таким параметрам выбор большой. Реле типа SCB-1M-1240 с обмоткой на 12V и контактами на 40А при напряжении 12V и 15А при напряжении 230V, и переключающими контактами. Его можно заменить другим реле с аналогичными параметрами, например, 13F-2-SCL-12VDC- 230VAC-15A. Реле сейчас в продаже тоже есть достаточный выбор.
Диоды конденсаторы — любые, конечно, в разумных пределах.
Р. Лыжин
Параметры установки АПФ
В технической документации к прибору и на его корпусе указываются два параметра – минимум и максимум напряжения, при которых возможна корректная работа сети. Особенно важен второй – при его превышении проводка перегорает, что может инициировать пожар. Если же напряжение падает слишком низко, устройство будет все время срабатывать.
Большое значение также имеют временные параметры – периоды включения и возврата. Помимо этого, монтер должен выбрать основную фазу. Ее используют по умолчанию, а если на ней возникают скачки напряжения, в дело идет резервная жила. При ее эксплуатации прибор продолжает мониторинг состояния ведущее жилы и, когда оно придет в норму, переключается на нее.
Особенности эксплуатации переключателя
Если прибор установлен в электрощит впервые, то некоторое время уйдет на его точную настройку и наладку. Особенно это относится к домам со старыми электросетями, где напряжение в розетке способно сильно варьироваться в зависимости от времени года и суток.
В зимний период большинство жителей частных домов активно используют электрические обогреватели. Поэтому стоит ожидать существенных просадок напряжения. Они отразятся на работе переключателя. АПФ будет чаще щелкать реле, чтобы подобрать фазу с самым подходящим напряжением.
Частые переключения отмечаются и в ночное время суток. Жильцы ложатся спать, потребление электроэнергии заметно снижается. Соответственно, сетевое напряжение возрастает. Прибор так же начинает переключаться в поисках оптимальной фазы.
Реле — устройство электромеханическое. Во время работы оно создает характерные щелчки. Ложась спать, никому не хочется слушать звук переключения реле. Поэтому этот прибор рекомендуется устанавливать подальше от жилых комнат.
Технические характеристики переключателя фаз
Теперь более подробно разберем технические характеристики и параметры реле выбора фаз (переключателя фаз) ПФ-431. Вот они:

Технические характеристики переключателя фаз пф-431
Максимальное допустимое фазное напряжение – 400 В. Это говорит о том, что напряжение на любом входе может повышаться с 230 до 400 В. Иначе говоря, при обрыве нуля и 100% перекосе фаз, когда вместо фазного на входе появится линейное напряжение, реле не выйдет из строя. Также это спасёт устройство при неправильном подключении, когда например на L1 будет одна фаза, а на N – другая фаза.
Напряжение питания – 3х230 В, 50 Гц. То есть, между нейтральным (нулевым) проводом и любым фазным входным для нормальной работы должно быть 230 В.
Максимальный коммутируемый ток – 16 А АС1. Тут имеется ввиду максимальный ток через контакты внутренних реле при чисто активной нагрузке. При реальной нагрузке, которая всегда активно-реактивная, максимальный ток должен быть меньше.
Максимальный ток катушки контактора – 3 А АС15. Этот параметр не совсем понятен (какой контактор?), имеется ввиду тот контактор, который будет подключен для усиления (эту схему рассмотрим ниже). Также это относится к любой реактивной нагрузке (холодильник, кондиционер). При превышении этого тока переключатель фаз будет работать, но его ресурс будет уменьшен.
Порог отключения – нижний 180 В, верхний 253 В. Эти пороги, в отличии от реле напряжения, не регулируются, и установлены на заводе. То есть, загрубить реле и подать пониженное напряжение в дом, если очень нужно, не получится. Но о байпасе ниже)
Время реакции – по нижнему порогу 1-15 с, по верхнему 0,3 с. Нижний порог можно менять регулятором на передней панели, а верхний порог, более критичный установлен минимальным, и определяется инерционностью электрической схемы. Кстати, при использовании контактора реакция по верхнему порогу будет примерно в 2 раза дольше.
Время переключения – 0,3 с. Это время от момента принятия решения на переключение до момента появления на выходе напряжения хорошей фазы. Минимальным это время может быть в случае, когда напряжение рабочей фазы пересекает верхний порог. Тогда придётся подождать 0,3+0,3=0,6 секунд.
Время реакции (ускоренное) при U<100B – <0,3 с, при U>300B – <0,1 с. Это время реакции при существенно быстром и значительном изменении напряжения. Это время на нижнем пороге уже не зависит от положения регулятора, на верхнем тоже уменьшено, видимо за счет программных решений.
Время восстановления – 10 с. Это время после ускоренной реакции либо после включения питания, нужное для загрузки программы.
Гистерезис – 5 В. Полезная штука, позволяет уменьшить количество ненужных срабатываний реле при колебаниях напряжения вблизи порогов.
Ещё скажу про коммутационную износостойкость. Понятно, что больше всего будет переключаться первая фаза, а меньше всего – третья. Поэтому можно предположить, что первое реле первой фазы быстрее износится. Также на износ контактов реле существенно влияет значение и характер коммутируемого тока.
Схема подключения и порядок работы
Типовая схема подключения
Самостоятельное подсоединение автомата переключения фаз рекомендуется проводить только при наличии достаточного опыта работ с электросетями, так как придется иметь дело с высоким напряжением. Некорректные операции способны вызвать межфазовое замыкание. Размещают аппарат на дин рейку внутри щитка. Обычно схема монтажа прибора описывается в прилагаемых к нему технических документах. Сначала производится подключение первичных цепей, затем – вторичных.
Когда мастер производит подключение переключателя линий электропитания в сеть, в роли питающего провода он может предпочесть любую из тройки фазовых жил. Для предотвращения заклинивания контактов реле выхода у прибора есть специальный блокиратор. Также внедрение устройства в цепь предотвращает возникновение перегрузок. Автоматические приборы оснащены опцией мониторинга контактов пускателей внешней электрической цепи.
Покупать переключатель фаз или не покупать
Владельцы промышленного оборудования лишены выбора. Реле наличия фаз может отслеживать вольтаж, вырубать питание, завидев опасность, контролировать правильность подсоединения. Если чередование линий неправильное, заведено неверно, прибор не даст нагрузке запуститься. Убережет от поломки дорогую технику. Понятно, заплатить придется немало, нужны инженеры по снабжению правильно организовать эксплуатацию.
Рядовые граждане цены переключателей фаз постыдятся назвать чрезмерными. Посмотрите, сколько на рынке стоит простой источник бесперебойного питания, сравните. Переключатель фаз весит меньше, размерами скромнее, выполнит похожую работу. Возникнет вопрос, где взять нужное питание.
Домовладение снабжается одной фазой, для контроля нужно больше. Успокоим жителей деревень: на столбе имеется полный комплект. Только если проводов минимум четыре. В промышленности жил три. Если схема питания с изолированной нейтралью.
Отрадно отметить: конструкция некоторых изделий сборная. Можно набрать по опциям нужное. Богаты изделия ABB. Итак, принцип действия переключателей фаз заключен в быстрой (мгновенной) смене питающей линии для нагрузки линии, выдерживающей заданные номиналы. Если отсутствует подходящая, напряжение вырубается. Что касается конкретных методов реализации, особенностей – нюансов море. Выше расписали сложнейшие электронные устройства, включающие элементы цифровой техники, простые и примитивные ручные рубильники.
Как выбрать переключатель фаз
Мы рассмотрели, как работает переключатель фаз, теперь давайте узнаем, на что нужно смотреть при выборе автоматических моделей. Кроме силовых параметров в ПФ добавляют функции, которые упрощают процесс настройки и эксплуатации.
Первое и самое главное – это ток. Чтобы переключатель фаз подошёл к вашей системе электроснабжения, главный критерий, на который нужно смотреть при выборе – это допустимый ток. Не стоит покупать аппарат, ток которого превышает номинальный ток вводного автомата. Хотя и селективность защиты должна обеспечить безопасный режим работы, но не будет лишним привести электросеть в соответствие по допустимому току и мощности.
Второй параметр – возможность регулировки. На дешевых переключателях вообще нет возможности выставить величину минимального и максимального напряжения в электропитающей сети, при котором происходит переключение, выбор приоритетной фазы. Минимальный набор регулировок – это установка минимального напряжения, при котором могут работать приборы, максимального. В более совершенных моделях можно отрегулировать время, через которое нужно попытаться перейти на основную фазу и прочие настройки.
Третий параметр – способ отображения и индикации. В более простых моделях имеется светодиодная индикация, обычно по одному светодиоду на фазу и дополнительный индикатор «АВАРИЯ». Когда линия в норме и к ней подключена нагрузка, соответствующий светодиод горит, например, зеленым цветом, когда линия в норме, но она находится в резерве – светодиод мерцает, когда по всем линиям имеются проблемы – горит индикатор «АВАРИЯ». В более продвинутых моделях установлен семисегментный индикатор или LCD дисплей. Назначение индикаторов: отображать величину напряжения, параметры настроек, включенную и приоритетную фазу. Наименее наглядный способ индикации – отдельные светодиоды, а самый очевидный – ЖК-дисплей.
Четвертый параметр – функционал. Простейший ПФ имеет набор предустановленных параметров питающей сети, принятых за норму, и стремится придерживаться их. Но каждый электроприбор требует индивидуальный подход к питанию, обычно это 220 +/- 10% В, а в некоторых случаях допуск может быть увеличен, или наоборот – уменьшен. В более продвинутых моделях эти величины устанавливаются путем поворачивания винтов или ручек в нужное положение, согласно градуировке. Самые функциональные – это модели с дисплеем и сенсорным управлением. При этом не стоит считать, что чем проще – тем хуже, часто не стоит переплачивать деньги за функции, которые не пригодятся.
Если мощности вашего переключателя не хватает для обеспечения нужд, решить эту проблему можно тремя способами:
Купить переключатель, рассчитанный на больший ток.
Установить дополнительный переключатель в параллель первому
Внимание: модели с ручной установкой времени переключений так устанавливать категорически запрещено, чтобы из-за разброса в точности регуляторов не произошло короткого замыкания.
Установка электромеханических коммутаторов так, чтобы к выходным клеммам переключателя фаз была подключена катушка пускателя или контактора. Таким образом, вся нагрузка ляжет на силовые контакты последнего.
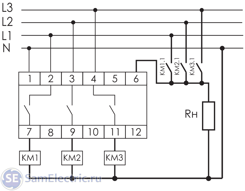
Схема подключения переключателя фаз
Вот мы и подобрались к практической стороне вопроса.
Схема базовая, без контакторов
Производитель предлагает такую базовую схему включения:

Базовая схема включения ПФ-431
Рассмотрим её подробно.
На входной контакт 1 подключена нейтраль N. Она внутри никак не коммутируется, и используется только для питания внутренней схемы. Это применяется повсеместно в любых реле (например, реле напряжения, в реле контроля фаз, и т.п) и в датчиках (движения, освещенности)
То есть, нейтральный провод, подключенный к клемме 1, может иметь сечение 2,5 или 1,5 мм2, не важно. Важно – как подключить силовой ноль. Считаю, что он не должен проходить через этот контакт, иначе обязательно выгорит, особенно при использовании схемы с контакторами
Подключать провод, идущий к контакту 1, лучше всего через шину или клемму вводного автоматического выключателя
Считаю, что он не должен проходить через этот контакт, иначе обязательно выгорит, особенно при использовании схемы с контакторами. Подключать провод, идущий к контакту 1, лучше всего через шину или клемму вводного автоматического выключателя.
Фазы L1, L2, L3, которые резервируют друг друга, подключаются через клеммы 2, 3, 4. Стоит сказать, что квартира может питаться через реле выбора фаз не польностью, а только отдельные однофазные потребители. Видимо, поэтому фазы на схеме уходят ещё куда-то вправо – на трехфазную нагрузку, либо на нагрузку мощную, но не критичную к качеству и наличию напряжения. А в случае пропадания одной из фаз или большого перекоса нет смысла питать сауну с трехфазным нагревателем или насос бассейна с асинхронным двигателем.
Фазные силовые выходы – клеммы 7, 9, 11. Эти выходы соединяются вместе и идут к нагрузке. Например, к вводному щитку с групповыми автоматами.
Очень важно, чтобы была блокировка одновременного включения контактов внутренних реле, как это делается, например, при реверсивном включении электродвигателя. Иначе в случае залипания контактов реле, или пробое ключевого транзистора, или программном сбое произойдёт межфазное замыкание, и последствия могут быть очень серьезные, вплоть до пожара. Чтобы этого не произошло, предусмотрен контрольный вход на контакте 6
Он работает таким образом. Например, входная фаза L1 (клемма 2) была рабочей, но стала “плохой”, и выключается внутренним реле. Напряжение на клемме 7, а значит и клемме 6 должно пропасть. Если это так, то включается следующая фаза. Если напряжение при выключенном реле напряжение не пропадает (по аварийным причинам, которые я описал выше), то Аларм – начитает моргать индикатор AL, а аварийная фаза объявляется неисправной. После этого нужно перезагрузить переключатель фаз, либо ремонтировать…
Чтобы этого не произошло, предусмотрен контрольный вход на контакте 6. Он работает таким образом. Например, входная фаза L1 (клемма 2) была рабочей, но стала “плохой”, и выключается внутренним реле. Напряжение на клемме 7, а значит и клемме 6 должно пропасть. Если это так, то включается следующая фаза. Если напряжение при выключенном реле напряжение не пропадает (по аварийным причинам, которые я описал выше), то Аларм – начитает моргать индикатор AL, а аварийная фаза объявляется неисправной. После этого нужно перезагрузить переключатель фаз, либо ремонтировать…
Ниже – схема подключения реле выбора фаз в виде монтажной картинки:

Базовая схема ПФ-431 рисунок вида монтажа
На этой картинке я постарался символически изобразить силовые и слаботочные провода.
Схема с повышенным током, на контакторах
Понятно, что 16А активной нагрузки для современной квартиры – это очень мало. Хотя, можно через переключатель фаз подключить только важную нагрузку – котёл, интернет, освещение. А всё остальное питать с других фаз, либо с этой же, но подключиться до переключателя фаз.
Но это полумеры, поэтому существует схема с контакторами, и ток нагрузки теперь может не зависеть от тока внутренних реле переключателя фаз. Вот эта схема:

Схема с контакторами для усиления тока
Так же, как и в схеме для реле напряжения, внутренние реле теперь питают только катушки контакторов, через контакты которых уже и питается нагрузка
Важно, что в любой момент времени может быть включено не более 1 контактора!. Схема-картинка для монтажа:. Схема-картинка для монтажа:
Схема-картинка для монтажа:

Схема с модульными контакторами, рисунок для монтажа
На этой схеме показаны три модульных контактора, их катушки питаются как нагрузка переключателя фаз. Переключатель фаз теперь работает в облегченном режиме, что существенно повышает ресурс его работы.
Область применения
Повторимся, что прежде чем заказать переключатель, вы должны знать – для его работы нужно 3 фазы. Резервные линии берутся именно с дополнительных фаз. Между фазами напряжение 380 Вольт, его называют «линейное», а между фазой и нулем 220 Вольт, его называют «фазным». Они связаны между собой, но в пределах этой статьи мы не будем углубляться в основы электротехники. Главное чтобы вы поняли, что для подключения к электросетям нужно наличие трёхфазной сети именно 380 Вольт.
![]()
Как уже было сказано, применяется этот прибор для подключения резервной линии. Это работает только в том случае, если одна из фаз трансформатора перегружена или произошел перекос. В случаях, когда на ввод трансформатор поступает «плохое» напряжение нужен автоматический ввод резерва с другой линии, переключатель фаз в этой ситуации не поможет.
Питание установок с непрерывным режимом работы осуществляется от переключателя фаз. Предлагаю рассмотреть область применения в наглядных примерах.
В медицине:
- аппараты жизнеобеспечения;
- холодильники с лекарствами в аптеках;
На производстве и в офисах:
- средства автоматизации;
- управляющая и аппаратура отслеживающая, записывающая сигналы;
- средства связи, стационарные радиостанции, диспетчерское оборудование;
- системы вентиляции;
В доме:
- газовый котел;
- система охраны;
- видеонаблюдение;
- система «умный дом»;
Автоматический переключатель фаз ФиФ. Устройство и включение

Автоматический переключатель фаз ФиФ PF-431
Друзья, рассмотренный ПФ я могу подарить! Подробности – в группе ВК. Это не шутка!
Сегодняшняя статья – про очень полезное устройство, которое рекомендую устанавливать в домашнем электрощитке в частном доме и на даче.
Речь идет о переключателе фаз, его ещё называют реле выбора фаз, переключателем выбора фаз. Я буду называть в статье и так, и эдак.
Мне в руки попал реальный автоматический трехфазный переключатель фаз PF-431 производства Евроавтоматика F&F (Беларусь), который я буду всесторонне исследовать и препарировать.
Итак,
Назначение переключателя фаз
Если коротко, что такое переключатель фаз? Это устройство, которое анализирует качество напряжения на одном из трех своих входов, и выдает на выход “самую лучшую фазу”. То есть, осуществляется автоматический выбор резерва (АВР). Идеальный вариант – использовать его там, где однофазная нагрузка, но имеется 3 фазы на вводе в здание.
Причем, для реле автоматического выбора фаз всё равно, какие фазы будут на входах, хоть одна и та же (три входа замкнуты, и на них подана 1 фаза 220В). На входе может быть одна или две фаза. Или, например, одна от сети 220В, вторая от генератора, третья – от другого генератора!
По поводу применения с генератором – отличная идея, использовать переключатель фаз в качестве автоматического переключателя (выбора) резерва (АВР). Пропала фаза из города – он ищет хорошую фазу на других входах. Генератор запустился (автоматически или вручную), фаза на втором входе появилась, реле выбрало “генераторную” фазу и переключило её на дом. Как только уличная фаза появилась – автоматически питание перейдёт на неё, поскольку она в приоритете. Осталось только продумать, как выключить генератор, но это не проблема.
Трехфазный переключатель фаз PF-431. Внешний вид
Рассмотрим для начала внешний вид, чтобы читатель представлял, о чем идет речь. Внешний вид со стороны передней панели я показал на фото в начале статьи. Устройство продается в такой коробочке, на которой написаны коротко его основные характеристики:
Упаковка с параметрами реле ФиФ
Основные характеристики – это ток, напряжение, количество фаз. Но подробнее мы это рассмотрим в следующей части статьи.
На боковой стенке напечатана схема включения переключателя фаз:
Схема на корпусе переключателя фаз ФиФ ПФ 431
Рассмотрим схему критически. Как и в случае с реле напряжения ФИФ, эта схема немного сбивает с толку. А именно, мои претензии по пунктам:
- Три фазы и ноль заходят на клеммы 1, 2, 3, 4 переключателя, А куда идут вправо эти провода? Есть ли там что-то? Если есть, нужно это подписывать (например, внешние потребители, нагрузка без выбора фаз). Если далее по схеме ничего нет, то куда идут эти провода?
- Что хотел сказать разработчик, сделав некоторые линии толстыми? Обычно так выделяют силовые линии, по котором течёт большой ток. Почему тогда не выделена линия N от входа к выходу и входные провода? И почему провод на вход контроля 6 выделен, хотя по нему течёт ток в миллиамперы?
Я не зануда, я просто представил, что такую инструкцию (кстати, инструкцию на переключатель фаз ПФ-431 приведу в конце статьи) я принесу на проверку своему шефу. И пунктов для критики будет гораздо больше)
Особенности подключения
Источники питания 24 и 12 Вольт
После того, как необходимый фазовый переключатель куплен, его следует подключить.
Обратите внимание! Работы по подключению и вводу в строй подобного оборудования должен выполнять специалист, имеющий опыт и разрешение для работы с электричеством и высоким напряжением. Неточности в подключении и, соответственно, некорректная эксплуатация прибора может не только вызывать замыкание между фазами, но и привести к аварийной ситуации, угрожающей здоровью и жизни человека. Сам по себе фазовый переключатель является модульным устройством, устанавливаемым на необходимом объекте в специально предназначенный щиток посредством дин-рейки
Перед переключателем необходима установка трехфазного выключателя (автоматика). Подключение вторичных цепей прямо зависит от выбранной модели переключателя и его технических параметров. Как правило, соответствующая схема указывается в сопровождающей его документации
Сам по себе фазовый переключатель является модульным устройством, устанавливаемым на необходимом объекте в специально предназначенный щиток посредством дин-рейки. Перед переключателем необходима установка трехфазного выключателя (автоматика). Подключение вторичных цепей прямо зависит от выбранной модели переключателя и его технических параметров. Как правило, соответствующая схема указывается в сопровождающей его документации.
Как функционирует переключатель фаз
В качестве примера рассмотрим алгоритм подключения переключателя DigiTOP PS-63A, который используется для однофазной нагрузки на 220 Вт или одной фазы в трехфазной сети для промышленности и в быту. Для регулировки напряжения в приборе используется микроконтроллер. Этот элемент отражает показатели напряжения на цифровых индикаторах оборудования для каждой фазы. Выход на нагрузку идет через реле.
Переключатель работает за счет контролируемых фаз. Нажимая на кнопку, можно увидеть верхний предел напряжения, при котором срабатывают выключатели, и заведенная на прибор сеть обесточивается. Заданные значения меняются с помощью кнопок вверх и вниз. Далее при нажатии на кнопку показываются нижние параметры отключения. Для работы надо:
- выбрать приоритетную фазу;
- установить время для задержки первого включения (отсчет идет в секундах);
- обозначить период задержки для возврата на требуемую фазу;
- задать период задержки по нижнему значению.
При необходимости можно сбросить показатели до заводских путем нажатия на определенную кнопку.
Внимание! Функциональность оборудования зависит от заданных показателей для автоматического выбора фаз. Итак, фазовый переключатель – это функциональное и высокоэкономичное решение, способное действенно улучшить стабильность электропитания. Это особенно актуально для владельцев загородной недвижимости, где скачки напряжения и просто перебои с электричеством – не редкость
Это особенно актуально для владельцев загородной недвижимости, где скачки напряжения и просто перебои с электричеством – не редкость
Итак, фазовый переключатель – это функциональное и высокоэкономичное решение, способное действенно улучшить стабильность электропитания. Это особенно актуально для владельцев загородной недвижимости, где скачки напряжения и просто перебои с электричеством – не редкость.






























