Высокое напряжение и шарлатаны
Мощные электрические энергосистемы должны быть высоковольтными – мы это уже выяснили, и это знание подкреплено математическими расчетами, основанными на законах физики. Однако обратное утверждение – высоковольтные системы должны быть мощными – неверно, потому что мощность, согласно формуле (1), является произведением напряжения и тока. Если ток в высоковольтной системе мал, то и мощность будет небольшой.
Примерами маломощных высоковольтных систем являются:
- газовые электрозажигалки, в которых напряжение пальчиковой батарейки (1.5 В) увеличивается до нескольких киловольт, при этом ток, потребляемый от источника питания, не превышает нескольких миллиампер, а мощность – несколько десятков милливатт;
- автомобильная система зажигания, работающая аналогично электрозажигалке – напряжение, подаваемое на свечи двигателя, достигает 30 кВ, в то время как энергия, затрачиваемая на один разряд в свече, не превышает 0.1 Дж, таким образом, общая мощность этой системы не превышает 25 Вт;
- кинескопы старых телевизоров и мониторов – на их второй анод подается напряжение 12…16 кВ (черно-белые) или 25 кВ (цветные), при этом максимальный ток анода не превышает 300 мкА (черно-белые) и 1 мА (цветные), таким образом, максимальная мощность высоковольтных источников питания кинескопов не больше 5 Вт (черно-белые) и 25 Вт (цветные).
К сожалению, существует определенный круг людей, которые от словосочетания «высокое напряжение» впадают в экстаз и принципиально не хотят видеть разницы между «большим напряжением» и «большой мощностью». Особенно много таких людей среди «исследователей» эфира, «свободных энергий», «торсионных полей» и других подобных «явлений». Я согласен, что вид неодимового магнита, проносящегося мимо катушки, обладает некоторым волшебством, а наблюдение на экране осциллографа импульсов с амплитудой несколько сотен вольт вселяет надежду что «мы на верном пути к бесплатной энергии». Но практически всегда эти люди просто принимают желаемое за действительное и, по разным причинам, не хотят разбираться в процессах, происходящих в их устройствах.
И на это можно было бы не обращать внимания, если бы не возможность «вещать на весь мир», появившуюся после развития сети Интернет. К сожалению, обладая определенной харизмой, эти люди в глазах еще более невежественных людей становятся «авторитетами» по некоторым вопросам. А это уже прямой путь к мошенничеству.
Сейчас в сети можно встретить достаточно большое количество доступных для приобретения конструкторов и готовых устройств, обещающих «бесплатное» электричество в виде импульсов высокого напряжения, «вытащенных» из 12-вольтового аккумулятора. Соглашаясь на подобные предложения, люди за реальные деньги получают, в лучшем случае, макет для демонстрации явлений, обнаруженных еще Фарадеем. Поэтому не попадайтесь на уловки мошенников и помните, что наличие высокого напряжения еще не означает наличия большой мощности – в большинстве случаев ток в подобных устройствах оказывается слишком мал для практического применения. А если даже и ток, и напряжение велики, что свидетельствует о большой мгновенной мощности, то есть еще время длительности этого состояния, определяющее количество энергии – главный параметр для определения КПД.
Мне не раз приходилось общаться с «искателями свободных энергий», в том числе и лично. Но пока еще никому из них не удалось объективно доказать факт получения «энергии из ничего» – достаточно быстро их аккумуляторы садились, а «чудо-моторы» останавливались. Но это не значит, что подобные эксперименты не нужно проводить совсем – в конце концов, именно такие упрямцы и открывают новые законы и явления. Однако для этого нужно много работать и хорошо знать уже известные и изученные вещи, а самое главное – не бояться и не лениться сомневаться в себе.
Схема как сделать из постоянного тока переменный — Портал о стройке
Люди всего земного шара в настоящее время имеют возможность получить знания в различных технических направлениях. Нам всем остается лишь воспользоваться знаниями, современной имеющейся базой научных открытий как отечественных так и зарубежных ученых.
Чтобы получить необходимые знания для разрешения каких-либо технических вопросов, мы обращаемся к тому или иному источнику информации. Человек, допустим открывает учебник по электротехнике и получает различную техническую информацию, к примеру:
- переменное напряжение является синусоидальным напряжением;
- коллекторный двигатель может работать как от переменного так и от постоянного тока;
- каждый диод обладает своим потенциальным барьером
и так далее.
И зачастую получается, что человеку трудно понять прочитанное. Он может запомнить информацию, но не осознавать того, что он прочитал. То-есть, кроме того что мы прочитали, нам необходимо понять явления физики.
Для чего нужен постоянный ток
Что из себя представляет постоянный ток? В чем различие между переменным и постоянным током? Чтобы нам ответить на эти и другие вопросы, — нам нужно вспомнить физику и электротехнику.
Постоянный ток — название происходит от самого слова постоянный, то-есть ток, в котором отсутствуют пульсации, — в отличие от переменного тока. К таким источникам энергии \постоянного тока\ относятся химические источники тока:
- первичные источники;
- электрохимические аккумуляторы.
Первичные источники тока — это различные батарейки \разового пользования\, не подлежащие своему восстановлению в первоначальное состояние — после их разрядки.
К электрохимическим аккумуляторам относятся различные типы аккумуляторов, способность которых проявляется в возвращении их в свое первоначальное химическое состояние в процессе воздействия электрического тока, — зарядки аккумулятора. Другими словами, зарядили:
- аккумулятор авто;
- аккумулятор шуруповерта;
- аккумуляторы соединенные в батареи — для телефонной связи,
— в результате, получаем неоднократную возможность в их дальнейшей эксплуатации, эксплуатации источников постоянного тока.
Какие преимущества мы находим в применении постоянного тока? Данную электрическую энергию можно аккумулировать, допустим, для той же самой ветряной электростанции, — при отсутствии ветра.
Следовательно, вывод такой, что в приведенных источниках электрической энергии отсутствует частота, — в виду отсутствия пульсаций тока.
Где еще можно наблюдать применение постоянного тока? Постоянный ток необходим также для питания электродвигателей — работающих от постоянного тока. Электродвигатели постоянного тока применяются как тяговые двигатели, в которых допускается плавное вращение ротора, к примеру, в электровозе.
Вот мы и ответили на такой простой вопрос «для чего нужен постоянный ток».
Однополупериодный выпрямитель тока
Однополупериодный выпрямитель тока — это наиболее упрощенная схема выпрямления тока.
рис.1
рис.2
Рассмотрим две схемы, разница которых состоит в том, что в первой схеме однополупериодного выпрямителя тока, — параллельно нагрузке подключен конденсатор. Первая схема \рис.1\ состоит из:
и подключенной нагрузки ко вторичной обмотке трансформатора.
Во второй схеме однополупериодного выпрямителя тока, цепь вторичной обмотки трансформатора состоит из диода и подключенной нагрузки \рис.2\. В электротехнике, диоды состоящие в схеме, — еще называют вентилями. Если в своих описаниях схем Вы даете пояснение и заменяете слово «диод» словом «вентиль», — разницы не будет никакой.
На представленных кривых изменения напряжения \рис.1\ видно, что:
- переменное напряжение в схеме наблюдается перед вентилем \диодом\;
- после вентиля напряжение пульсирующее — положительной полярности
и после конденсатора, параллельно включенного перед нагрузкой, — напряжение выглядит как бы сглаживающим. То-есть конденсатор состоящий в схеме после диода, — сглаживает пульсацию. Поэтому, конденсаторы еще называют фильтрами.
Но для питания отдельных схем-блоков, к примеру в радиотехнике такие схемы выпрямления тока не подходят, так как пульсации будут создавать фон переменного тока, а это в свою очередь будет приводить к искажению звукового сигнала.
Для питания схем:
- телевизоров;
- транзисторных радиоприемников;
- электронных приборов,
— схемы выпрямления, в целом состоят из так называемых реактивных элементов — дросселей и конденсаторов.
Принцип работы
Механическая энергия преобразуется изображенным на рисунке генератором в электрическую следующим образом:
за счет такого явления, как электромагнитная индукция, при вращении рамки «4», помещенной в магнитное поле «3» (возникающее между различными полюсами магнита «2»), в ней образуется ЭДС «5». Напряжение в сеть подается через токосъемники «7» с кольцевых контактов «6», к которым подключена рамка «4».
Видео: постоянный и переменный ток — отличия
Что касается величины ЭДС, то она зависит от скорости пересечения силовых линий «3» рамкой «4». Из-за особенностей электромагнитного поля минимальная скорость пересечения, а значит и самое низкое значение электродвижущей силы будет в момент, когда рамка находится в вертикальном положении, соответственно, максимальное — в горизонтальном.
Учитывая изложенное выше, в процессе равномерного вращения индуктируется ЭДС, характеристики величины и направления которого изменяются с определенным периодом.
Передача электрического тока на дальние расстояния
Итак, электрический ток мы получили. Теперь надо как-то передать его на дальние расстояния, не забывая про закон Джоуля-Ленца: Q=I2Rt . То есть нам надо каким-то чудом уменьшить силу тока, которая будет течь по проводам, так как в основном из-за нее происходят большие потери.
Для этих целей идеально подойдет трансформатор, но не простой, а трехфазный. Здесь используется замечательное свойство трансформатора: если повышаем напряжение, то понижаем силу тока, и наоборот, понижаем напряжение, увеличиваем силу тока. Поэтому, для того, чтобы передать полученную электроэнергию на дальние расстояния, нам нужно увеличить в несколько раз напряжение, тем самым мы в это же число раз уменьшим силу тока. Ниже на рисунке схема передачи электроэнергии от генератора ГЭС и до конечного потребителя, то есть для заводов, для электротранспорта и для нас с вами.
Передача электроэнергии от генератора до конечного потребителя
С ГЭС напряжение повышают до нескольких киловольт, чаще всего до 110 кВ. Все это достигается с помощью трехфазного высоковольтного повышающего трансформатора (2).
Трехфазный высоковольтный трансформатор
Далее высоковольтное напряжение идет по высоковольтной линии (3) и доходит до какого-либо города, либо райцентра.
Высоковольтная линия передачи электроэнергии
В каждом райцентре либо городе есть своя подстанция, где имеется уже свой высоковольтный понижающий трансформатор (4), который преобразует напряжение 110 кВ в 10 кВ, либо в 6 кВ (5).
Почему нельзя было сразу тянуть провода с генератора? Зачем надо было повышать, а потом снова понижать напряжение? Все опять же из за закона Джоуля-Ленца. Так как ГЭС находится на очень большом расстоянии от потребителей электроэнергии, приходится повышать напряжение, чтобы минимизировать потери на нагрев проводов. Как мы уже говорили, трансформатор повышает напряжение, но при этом уменьшает во столько же раз силу тока, поэтому потери в проводах на дальние расстояния сокращаются в разы, исходя из формулы Джоуля-Ленца Q=I2Rt.
Потом уже с подстанции напряжение расходится по трансформаторным «будкам», которые можно уже заметить в каждом районе.
Трансформатор 6 кВ в 380 В
От этих «будок» выходит после преобразования приблизительно 380 Вольт. Но здесь есть один нюанс. Везде используется три провода, а к нам в дома заходят чаще всего два провода. В чем же дело? А дело как раз в том, что есть такое понятие как линейное и фазное напряжение. Линейное напряжение замеряется между 3 проводами, по которым идут 380 В. Они называются фазами. То есть грубо говоря — это те же самые провода, которые вышли с генератора еще где-нибудь на ГЭС. Но если взять любую из фаз и замерять напряжение относительно нулевого проводника, то есть относительно нуля, то у нас будет фазное напряжение 220 В. Получается, к нам в дом заходит ОДНА фаза и НОЛЬ. Куда деваются другие фазы? Они равномерно распределяются между жильцами дома или вашего района. То есть к вашему соседу может придти другая фаза, но тот же самый ноль.
Трехфазное линия передачи электроэнергии
БЕСПЕРЕБОЙНЫЕ И РЕЗЕРВНЫЕ ИСТОЧНИКИ
Источники бесперебойного и резервного энергоснабжения необходимы при краткосрочных и длительных отключениях электроэнергии. При отсутствии таких устройств частный дом может остаться без света, отопления и всей электротехники на неопределенный срок.
Бесперебойные.
Эти устройства обеспечивают работоспособность подключенных электроприборов и техники при кратковременных перебоях в поставках электроэнергии. Также они выполняют функцию защиты от скачков напряжения и помех.
Бесперебойники делятся на три категории:
Оff-line.
Имеют самую простую конструкцию, высокий КПД и низкую стоимость. При отключении электроэнергии или выходе параметров напряжения за допустимые пределы источник автоматически включает встроенный аккумулятор.
Line-interactive.
Имеют аналогичную конструкцию плюс встроенный стабилизатор. Аккумулятор включается только тогда, когда стабилизатор неспособен справиться со стабилизацией входного напряжения. Его основные недостатки, как и у предыдущего устройства – это наличие промежутка времени, требуемого на переключение режимов работы, и невозможность корректировать частоту сети.
Оnline.
У таких источников самое высокое качество и стоимость. Они работают по принципу двойного преобразования: входное напряжение сначала преобразуется в постоянное, а затем с помощью инвертора обратно в переменное. Здесь не требуется время на переключение на питание от внешнего аккумулятора, он подключен в цепь и при стабильном энергоснабжении находится в буферном режиме.
Бесперебойные источники могут обеспечить кратковременную работу электротехники на протяжении от нескольких минут до суток и используются:
- для безопасного отключения устройств при перебоях в сети;
- в охранно пожарной сигнализации, видеонаблюдении, контроле доступа;
- для оборудования системы умный дом.
Резервные источники питания.
Эти устройства необходимы для питания электроприборов при длительных отключениях электроэнергии или когда объект находится далеко от линии электропередач.
Автономные электростанции бывают следующих видов:
Бензиновые генераторы.
Эффективны, но потребляют много топлива. Работают бесшумно, хорошо запускаются в зимний период.
Дизельные генераторы.
Работают практически в любых условиях, но также требуют значительных финансовых вложений. Целесообразно их использование при суммарной потребляемой мощности свыше 6 кВт.
Используют природный источник энергии – солнечный свет. Их применение выгодно в условиях климата с большим количеством солнечных дней. Станции не имеют подвижных частей и отличаются высокой надежностью.
Ветряные генераторы.
Они должны размещаться на возвышенности и в местности с регулярным движением воздуха, желательно в одном направлении. Конструкция имеет большой вес, осложняет ситуацию наличие подвижных частей.
Использование солнечных и ветряных генераторов целесообразно при их постоянной эксплуатации как альтернативных систем электроснабжения, так как они требуют значительных затрат на приобретение и установку и окупаются не сразу.
* * *
2014-2022 г.г. Все права защищены.Материалы сайта имеют ознакомительный характер, могут выражать мнение автора и не подлежат использованию в качестве руководящих и нормативных документов.
Двухполупериодный выпрямитель

Некоторые образцы силового оборудования работают только при большой величине выпрямленного тока, протекающего в нагрузке. Ее неспособны обеспечить однополупериодные выпрямители, что объясняется значительными потерями в них. Для повышения нагрузочной способности в цепях трехфазного тока все чаще применяются двухполупериодные выпрямительные приборы, содержащие по два диода на каждую из фаз.
Анализ рабочих диаграмм такого выпрямителя наглядно свидетельствует о его бесспорных достоинствах. При работе этих схем используются как положительные, так и отрицательные полуволны, что поднимает КПД всего преобразователя. Объясняется это тем, что трехфазная структура схемы совместно с двухполупериодным выпрямлением обеспечивают шестикратное увеличение частоты пульсаций. За счет этого амплитуда сигнала на выходе после сглаживающих конденсаторов заметно возрастает (в сравнении с однополупериодным выпрямителем), а отдаваемая в нагрузку мощность повышается.
Источники ЭДС
Источники электротока любого рода бывают двух видов:
- первичные, с их помощью происходит генерация электроэнергии путем превращения механической, солнечной, тепловой, химической или другой энергии в электрическую;
- вторичные, они не генерируют электроэнергию, а преобразуют ее, например, из переменной в постоянную или наоборот.
Единственным первичным источником переменного электротока является генератор, упрощенная схема такого устройства показана на рисунке.
Упрощенное изображение конструкции генератора
Обозначения:
- 1 – направление вращения;
- 2 – магнит с полюсами S и N;
- 3 – магнитное поле;
- 4 – проволочная рамка;
- 5 – ЭДС;
- 6 – кольцевые контакты;
- 7 – токосъемники.
Почему именно переменное напряжение?
Не так давно по историческим меркам у человечества возникла дилемма: какой ток лучше? Переменный или постоянный? Этот период времени был известен, как «война токов». На самом деле были споры между Николой Теслой и Эдисоном — самыми великими учеными-изобретателями того времени. Эдисон был за постоянный ток, а Никола Тесла — за переменный. Это борьба продолжалось более 100 лет, даже после смерти этих великих ученых! Но все-таки в 2007 году окончательную победу одержал переменный ток.
Дело все в том, что постоянный ток при передаче на большие расстояния теряет свою энергию на нагрев проводов. Здесь во всем виноват закон Джоуля-Ленца
Q=I2Rt
где
Q — количество выделяемого тепла (Джоули)
I — сила тока, протекающего через проводник (Амперы)
R — сопротивление проводника (Омы)
t — время прохождения тока через проводник (Секунды)
Нетрудно догадаться, что чем больше сила тока будет протекать по проводам, и чем длиннее будут провода, тем больше они будут нагреваться, так как сопротивление провода выражается формулой:
сопротивление провода формула
Второй причиной было то, что в генераторе постоянного тока надо было использовать специальную конструкцию, которая бы позволяла снимать электрический ток с движущихся обмоток. Для этого на валу двигателя крепился так называемый коллектор, к которому припаивались обмотки генератора. Коллектор все время находился в движении, так как он закреплен на самом валу генератора. С коллектора с помощью графитовых щеток снималось напряжение. Тот же самый принцип до сих пор используется в генераторах и двигателях постоянного тока.
Принцип работы генератора постоянного тока
Минусом такой конструкции является то, что со временем щетки и коллектор изнашиваются. Поэтому, такой генератор надо часто обслуживать, вовремя заменять щетки и чистить коллектор. Чаще всего такой генератор имеет два провода: плюс и минус. Чем больше коллекторных пластин (ламелей) на таком генераторе, тем чище будет постоянный ток с такого генератора. Если такой генератор имеет множество ламелей и крутится с одинаковой скоростью, то на осциллографе можно увидеть примерно такую картину постоянного тока
осциллограмма постоянного тока
Таких недостатков лишен генератор переменного напряжения. Принцип его действия показан ниже
Принцип работы генератора переменного тока
В настоящее время в нем используются три обмотки, разнесенные друг от друга на 120 градусов. Один конец каждой обмотки соединяется с друг другом, образуя так называемый «ноль». В нашей стране такие генераторы на ТЭС или ГЭС стараются крутить со скоростью 50 оборотов/сек. Ну или 3000 оборотов/минуту. Неплохая такая скорость). В Америке же их крутят под 60 оборотов/сек. А что такое обороты в секунду? Это и есть частота. А частота, как вы помните, выражается в Герцах (Гц). Поэтому, у нас в розетках частота 50 Гц, в Америке 60 Гц.
Такие генераторы называют трехфазными, так как они имеют три фазы: A, B, C. В англо-язычной литературе можно увидеть обозначение R, S, T либо L1, L2, L3. Точка, где соединяется конец всех обмоток обозначается буквой N (ноль).
Генератор переменного тока
То есть по сути с генератора выходит 4 провода: фазы A,B,С и 0, он же нейтраль N, который соединяет один конец каждой из трех обмоток.
Обмотки генератора переменного тока
При вращении ротора-магнита в каждой обмотке создается электрический ток. Если с помощью осциллографа вывести осциллограммы сразу трех обмоток, то можно увидеть что-то типа этого:
Осциллограммы трехфазного напряжения
Принцип действия

Принцип работы трехфазного выпрямителя Принцип работы любого преобразователя синусоидального напряжения основан на выпрямительных свойствах особого полупроводникового элемента – германиевого или кремниевого диода. При протекании через него переменного тока положительная полуволна свободно «проходит» через рабочий электронный переход, смещенный в прямом направлении. При воздействии отрицательной полуволны электроны встречают препятствие в виде потенциального барьера, так что ток через переход течь не может.
В простейших схемах включения используется неполный цикл обработки переменных уровней, так как вторая полуволна безвозвратно теряется. Это заметно снижает преобразуемую мощность. Для сохранения полезной составляющей были разработаны 2-хполупериодные схемы выпрямления, в которых количество диодов увеличено до двух.
Получаем 12 Вольт из 220
Наиболее часто стоит задача получить 12 вольт из бытовой электросети 220В. Это можно сделать несколькими способами:
- Понизить напряжение без трансформатора.
- Использовать сетевой трансформатор 50 Гц.
- Использовать импульсный блок питания, возможно в паре с импульсным или линейным преобразователем.
Понижение напряжения без трансформатора
Преобразовать напряжение из 220 Вольт в 12 без трансформатора можно 3-мя способами:
- Понизить напряжение с помощью балластного конденсатора. Универсальный способ используется для питания маломощной электроники, например светодиодных ламп, и для заряда небольших аккумуляторов, как в фонариках. Недостатком является низкий косинус Фи у схемы и невысокая надежность, но это не мешает её повсеместно использовать в дешевых электроприборах.
- Понизить напряжение (ограничить ток) с помощью резистора. Способ не очень хороший, но имеет право на существование, подойдет, чтобы запитать какую-то очень слабую нагрузку, типа светодиода. Его основной недостаток – это выделение большого количества активной мощности в виде тепла на резисторе.
- Использовать автотрансформатор или дроссель с подобной логикой намотки.
Гасящий конденсатор
Прежде чем приступить к рассмотрению этой схемы предварительно стоит сказать об условиях, которые вы должны соблюдать:
- Блок питания не универсальный, поэтому его рассчитывают и используют только для работы с одним заведомо известным прибором.
- Все внешние элементы блока питания, например регуляторы, если вы будете использовать дополнительные компоненты для схемы, должны быть изолированы, а на металлических ручках потенциометров надеты пластиковые колпачки. Не касайтесь платы блока питания и проводов для подключения выходного напряжения, если к ним не подключена нагрузка или если в схеме не установлен стабилитрон или стабилизатор для низкого постоянного напряжения.
Тем не менее, такая схема вряд ли вас убьёт, но удар электрическим током получить можно.
Схема изображена на рисунке ниже:
R1 – нужен для разрядки гасящего конденсатора, C1 – основной элемент, гасящий конденсатор, R2 – ограничивает токи при включении схемы, VD1 – диодный мост, VD2 – стабилитрон на нужное напряжение, для 12 вольт подойдут: Д814Д, КС207В, 1N4742A. Можно использовать и линейный преобразователь.

Или усиленный вариант первой схемы:

Номинал гасящего конденсатора рассчитывают по формуле:
С(мкФ) = 3200*I(нагрузки)/√(Uвход²-Uвыход²)
С(мкФ) = 3200*I(нагрузки)/√Uвход
Но можно и воспользоваться калькуляторами, они есть в онлайн или в виде программы для ПК, например как вариант от Гончарука Вадима, можете поискать в интернете.
Конденсаторы должны быть такими – пленочными:

Остальные перечисленные способы рассматривать не имеет смысла, т.к. понижение напряжения с 220 до 12 Вольт с помощью резистора не эффективно ввиду большого тепловыделения (размеры и мощность резистора будут соответствующие), а мотать дроссель с отводом от определенного витка чтобы получить 12 вольт нецелесообразно ввиду трудозатрат и габаритов.
Блок питания на сетевом трансформаторе
Классическая и надежная схема, идеально подходит для питания усилителей звука, например колонок и магнитол. При условии установки нормального фильтрующего конденсатора, который обеспечит требуемый уровень пульсаций.

В дополнение можно установить стабилизатор на 12 вольт, типа КРЕН или L7812 или любой другой для нужного напряжения. Без него выходное напряжение будет изменяться соответственно скачкам напряжения в сети и будет равно:
Uвых=Uвх*Ктр
Ктр – коэффициент трансформации.

Здесь стоит отметить, что выходное напряжение после диодного моста должно быть на 2-3 вольта больше, чем выходное напряжение БП – 12В, но не более 30В, оно ограничено техническими характеристиками стабилизатора, и КПД зависит от разницы напряжений между входом и выходом.
Трансформатор должен выдавать 12-15В переменного тока. Стоит отметить, что выпрямленное и сглаженное напряжение будет в 1,41 раз больше входного. Оно будет близко к амплитудному значению входной синусоиды.
Также хочется добавить схему регулируемого БП на LM317. С его помощью вы можете получить любое напряжение от 1,1 В до величины выпрямленного напряжения с трансформатора.

Мостовые устройства

Еще больше повысить эффективность преобразования переменного напряжения в постоянное позволяет «трехфазная мостовая схема выпрямления». Этот способ включения удобнее представить в виде совокупности двух однополупериодных схем с нулевой точкой, в которых нечетные диоды образуют катодную группу, а четные – их анодное объединение. В трехфазной мостовой схеме две ветки обработки полуволн различной полярности фактически объединены в единую систему.
Принцип действия трехфазного мостового выпрямителя проще всего представить так:
- при действии на его входе переменного потенциала для каждой полуволны открытыми оказываются два диода из четырех, включенных как бы зеркально;
- в первом случае выпрямляется положительная полуволна входного напряжения, а во втором – отрицательная;
- в результате на выходе такой перекрестной схемы на одном полюсе моста всегда действует плюс, а на другом – минус.
Как в трехфазных выпрямительных мостах, так и в двухполупериодных схемах на диодных переходах теряется часть входного напряжения (на каждом диоде – не более 0,6 Вольта).
Общая потеря за один такт (положительный и отрицательный) в трехфазном мосте составит таким образом 1,2 Вольта. Разработчики выпрямительного оборудования всегда учитывают эти потери и для получения требуемой мощности на выходе заранее закладывают чуть завышенные входные параметры.
Механические источники постоянного тока
Устройствами, преобразующими механическую энергию в электрическую, являются турбо и гидро генераторы. Они вырабатывают переменный электрический ток. Для основной части бытовых приборов источником постоянного тока выступают их блоки питания. В них производится преобразование переменного напряжения генератора в постоянное напряжение, необходимое для работы устройств. Эту задачу выполняют выпрямители, которые должны обеспечивать необходимую мощность источника постоянного тока для их нагрузки и постоянное значение выходного напряжения, не зависящее от потребляемого тока.
Блоки питания могут быть линейными и импульсными. Линейные блоки выполняются по разным схемам, основу которых составляют:
- однополупериодые выпрямители;
- двухполупериодные выпрямители.
В выпрямителях используется свойство полупроводниковых диодов пропускать ток только в одном направлении. Выпрямленное таким образом напряжение еще не является постоянным. Емкости последующих за выпрямителем конденсаторов сглаживающего фильтра при своем быстром заряде и медленном разряде поддерживают величину положительного однополярного напряжения на определенном значении. Его величина определяется трансформатором, получающим напряжение от генератора переменного тока. Для однофазного напряжения домашней сети 220 В 50 Гц его стальной сердечник имеет значительные размеры и вес.
Схемы однополупериодных содержат всего один полупроводниковый диод, пропускающий только одну полуволну синусоидального переменного входного напряжения.

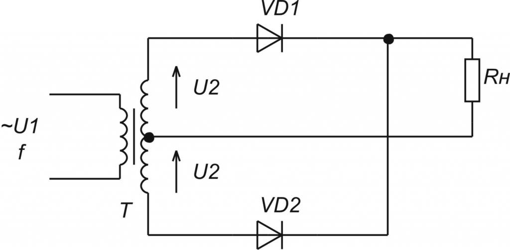
Двухполупериодные выпрямители выполняются по мостовой схеме или по схеме с общей точкой. В последнем случае вторичная обмотка сетевого трансформатора имеет вывод от своей середины. Эти выпрямители представляют собой параллельное включение двух однополупериодных выпрямителей. Они действуют на обе полуволны синусоиды переменного входного напряжения.

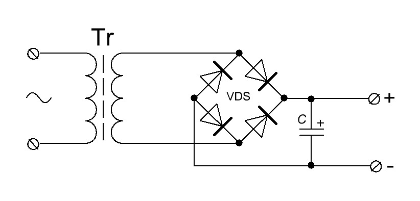
Мостовая схема выпрямителя является наиболее распространенной. Соединение 4-х диодов в ней напоминает «квадрат». К одной из диагоналей подключается переменное напряжение вторичной обмотки сетевого трансформатора. Нагрузка включается в другую диагональ «квадрата». Им будет входной элемент сглаживающего фильтра.

Заключение
Напряжение и ток, хоть они и связаны между собой, определяются разными компонентами системы электропитания: напряжение – источником, а ток – потребителем электрической энергии. Эти параметры ни в коем случае нельзя путать. По отдельности ни напряжение, ни ток не выполняют никакой полезной функции. Согласно формуле (1), даже если у нас будет миллиард миллиардов вольт, но ток будет равен нулю, толку от такой системы не будет никакого, потому что энергия потребляется электроприбором только в случае одновременного присутствия на его выводах питания и напряжения, и тока. Только в этом случае оборудованием будет выполняться полезная работа, и его использование будет иметь практический смысл.
А вот конкретные значения напряжения и тока уже определяются здравым смыслом и опытом, накопленным за два века коммерческого использования электричества. И хоть в наших розетках и присутствует опасное для жизни напряжение, его величина является технически и экономически обоснованной и ее изменение повлечет за собой изменение качества нашей жизни. Поэтому с высоким напряжением придется смириться. Но самое главное – с ним нужно научиться правильно «дружить», поскольку безопасным электричество будет только при обязательном соблюдении всех правил обращения с электропроводкой и электрическими приборами.






























