Технические характеристики
Рассмотрим основные технические параметры транзистора 13002. Они приведены в datasheet в разделах максимальных значений и электрических характеристик. Превышение предельно допустимых величин приводит к выходу устройства из строя.
Максимальные значения параметров для транзистора 13002:
- напряжение К-Э: (VCEO (SUS)) до 300 В;
- напряжение Э-Б: (VEBO) до 9 В;
- ток коллектора: (IC) до 1.5 А; (ICM) до 3 А (пиковый);
- ток базы: (IВ) = 0.75 А; (IВМ) до 1.5 А (пиковый);
- рассеиваемая мощность (РD): до 1.4 Вт (без радиатора); до 40 Вт (с теплоотводом);
- диапазон рабочих температур (TJ,Tstg) от -65 до +150ОС.
Электрические параметры
Электрические характеристики представляют собой перечень номинальных значений параметров, при которых гарантируется стабильная работа полупроводникового устройства. Для транзистора 13002 представлены в таблице ниже. Обычно производитель указывает их с учётом температуры кристалла не более +25ОС. В столбце «режимы измерений» приведены условия тестирования.

Аналоги
Наиболее подходящей заменой для рассматриваемого полупроводникового триода можно назвать более мощный транзистор 13003. Он встречается с символами в начале маркировке: MJE, ST, PHE, KSE, указывающими на производителя. По расположению выводов полностью идентичен. Имеет лучшие технические параметры, но перед его использованием внимательно ознакомьтесь с datasheet.
Наиболее близкими российскими аналогами является: КТ8170Б1, КТ872.
Схема «зарядки» для телефона.

R1 — 1 Ом, 1Ватт. R2 — 20 кОм. R3 — 680 кОм. R4 — 100 кОм. R5 — 43 Ом. R6 — 5,1 Ом. R7 — 33 Ом. R8 — 1 кОм. R9 — 1,5 кОм. C1 — 22 мФ,25в(оксидный). C2 — 1 нФ, 400в. C3 — 3,3 нФ, 1000в. C4 — 2,2 мФ,400в(оксидный). C5 — 100 мФ,25в(оксидный). VD1 — стабилитрон 5,6в. VD2,VD3 — диод 1N407. VD4 — диод 1N4937. VD5 — индикаторный светодиод. Транзистор — MJE13001(13001), MJE13003(13003), самый надежный вариант — MJE13005(13005).
Использование каких — либо материалов этой страницы, допускается при наличии ссылки на сайт «Электрика это просто».
13001 – кремниевый, эпитаксильно-планарный биполярный транзистор n-p-n проводимости. Используется в маломощных импульсных блоках питания бытовых приборов, зарядках, энергосберегающих, светодиодных лампах и других высоковольтных устройствах. Так же его можно встретить в схемах низкочастотных усилителей в качестве усилителя звукового сигнала.
H13005D Datasheet (PDF)
Транзистор h945
1.1. h13005dl.pdf Size:120K _jdsemi
R H13005DL 深圳市晶导电子有限公司 深圳市晶导电子有限公司 深圳市晶导电子有限公司 深圳市晶导电子有限公司 www.jdsemi.cn Bipolar Junction Transistor ShenZhen Jingdao Electronic Co.,Ltd. ◆Si NPN ◆RoHS COMPLIANT 1. 1. 1.APPLICATION 1. Mainly used for 110V power Fluorescent Lamp、 Electronic Ballast,etc 2. 2. 2
1.2. h13005d 2.pdf Size:118K _jdsemi
R H13005D 深圳市晶导电子有限公司 深圳市晶导电子有限公司 深圳市晶导电子有限公司 深圳市晶导电子有限公司 www.jdsemi.cn Bipolar Junction Transistor ShenZhen Jingdao Electronic Co.,Ltd. ◆Si NPN ◆RoHS COMPLIANT 1. 1. 1.APPLICATION 1. Fluorescent Lamp、Electronic Ballast、 and Switch-mode power supplies 2. 2. 2.
1.3. h13005d.pdf Size:118K _jdsemi
R H13005D 深圳市晶导电子有限公司 深圳市晶导电子有限公司 深圳市晶导电子有限公司 深圳市晶导电子有限公司 www.jdsemi.cn Bipolar Junction Transistor ShenZhen Jingdao Electronic Co.,Ltd. ◆Si NPN ◆RoHS COMPLIANT 1. 1. 1.APPLICATION 1. Fluorescent Lamp、Electronic Ballast、 and Switch-mode power supplies 2. 2. 2.
3DD13007_B8 Datasheet (PDF)
1.1. 3dd13007 b8d.pdf Size:154K _crhj
硅三重扩散 NPN 双极型晶体管 R ○ 3DD13007 B8D 产品概述 特征参数 产品特点 3DD13007 B8D 是硅 ● 开关损耗低 符 号 额定值 单 位 ● 反向漏电流小 NPN 型功率开关晶体管,该 VCEO 400 V ● 高温特性好 IC 7 A 产品采用平面工艺, 分压环 ● 合适的开关速度 Ptot (TC=25℃) 80 W 终端结构和少
1.2. 3dd13007 h8d.pdf Size:155K _crhj
硅三重扩散 NPN 双极型晶体管 R ○ 3DD13007 H8D 产品概述 特征参数 产品特点 ● 开关损耗低 3DD13007 H8D 是硅 符 号 额定值 单 位 ● 反向漏电流小 NPN 型功率开关晶体管,该 VCEO 400 V ● 高温特性好 IC 9 A 产品采用平面工艺, 分压环 ● 合适的开关速度 Ptot W (TC=25℃) 90 终端结构和
1.3. 3dd13007 b8.pdf Size:155K _crhj
硅三重扩散 NPN 双极型晶体管 R ○ 3DD13007 B8 产品概述 特征参数 产品特点 ● 开关损耗低 3DD13007 B8 是硅 NPN 符 号 额定值 单 位 ● 反向漏电流小 型功率开关晶体管, VCEO 400 V 该产品 ● 高温特性好 IC 8 A 采用平面工艺, 分压环终端 ● 合适的开关速度 Ptot W (TC=25℃) 80 结构和
1.4. 3dd13007 z7.pdf Size:151K _crhj
硅三重扩散 NPN 双极型晶体管 R ○ 3DD13007 Z7 产品概述 特征参数 产品特点 3DD13007 Z7 是硅 NPN ● 开关损耗低 符 号 额定值 单 位 ● 反向漏电流小 VCEO 200 V 型功率开关晶体管, 该产品 ● 高温特性好 IC 8 A 采用平面工艺, 分压环终端 ● 合适的开关速度 Ptot (TC=25℃) 50 W 结构和少
1.5. 3dd13007 x1.pdf Size:153K _crhj
硅三重扩散 NPN 双极型晶体管 R ○ 3DD13007 X1 产品概述 特征参数 产品特点 ● 开关损耗低 3DD13007 X1 是硅NPN 符 号 额定值 单 位 ● 反向漏电流小 型功率开关晶体管, VCEO 400 V 该产品 ● 高温特性好 IC 8 A 采用平面工艺, 分压环终端 ● 反向击穿电压高 Ptot W (TC=25℃) 80 结构和
1.6. 3dd13007 y8.pdf Size:153K _crhj
硅三重扩散 NPN 双极型晶体管 R ○ 3DD13007 Y8 产品概述 特征参数 产品特点 ● 开关损耗低 3DD13007 Y8 是硅NPN 符 号 额定值 单 位 ● 反向漏电流小 型功率开关晶体管, VCEO 340 V 该产品 ● 高温特性好 IC 7 A 采用平面工艺, 分压环终端 ● 反向击穿电压高 Ptot W (TC=25℃) 80 结构和
1.7. 3dd13007 z8.pdf Size:154K _crhj
硅三重扩散 NPN 双极型晶体管 R ○ 3DD13007 Z8 产品概述 特征参数 产品特点 3DD13007 Z8 是硅 NPN ● 开关损耗低 符 号 额定值 单 位 ● 反向漏电流小 VCEO 200 V 型功率开关晶体管, 该产品 ● 高温特性好 IC 8 A 采用平面工艺, 分压环终端 ● 合适的开关速度 Ptot (TC=25℃) 75 W 结构和少
Распиновка
Цоколевка 13003 у большинства производителей выполняется в пластиковым корпусом ТО-126. У компании STMicroelectronics (STM) этот корпус называется SOT-32. Фирменный MJE13003 у компании Motorola имел пластиковый корпус — ТО-225A. Это тот же, немного улучшенный ТО-126, согласно системы стандартизации полупроводниковых приборов Jedec. Три гибких вывода из корпуса ТО-126, если смотреть на маркировку, имеют следующее назначение: самый левый контакт – база; посередине – коллектор; крайний справа – эмиттер.
В статье рассмотрено назначение выводов, встречающееся у большинства производителей, однако бывает и другая – нетипичная распиновка 13003 в ТО-126. У той же STM, если смотреть на прибор как описано выше, эмиттер будет слева, база справа, а коллектор посередине. Аналогичная цоколевка у KSE13003 (Fairchild Semiconductor). Очень редко, но встречаются приборы в корпусе ТО-220. Для наглядности просмотрите рисунок с цоколевкой от разных компаний.
Проверка стабилизатора
Сразу возникает уместный вопрос о том, как проверить tl431 мультиметром. Как показывает практика, одним мультиметром проверить не получится. Для проверки tl431 мультиметром следует собрать схему. Для этого понадобятся: три резистора (один из них подстроечный), светодиод или лампочка, источник постоянного тока 5В.

Резистор R3 необходимо подобрать таким образом, чтобы он ограничил ток до 20мА в цепи питания. Его номинал составляет примерно 100Ом. Резисторы R2 и R3 выполняют роль балансира. Как только напряжение будет 2,5 В на управляющем электроде, то переход светодиода откроется, и напряжение пойдет через него. Эта схема хороша тем, что светодиод выполняет роль индикатора.
Источник постоянного тока — 5В является фиксированным, а управлять микросхемой tl431 можно с помощью переменного резистора R2. Когда питание на микросхему не подается, то диод не горит. После того как сопротивление изменяется при помощи подстроечного резистора, светодиод загорается. После этого мультиметр нужно включить в режим измерения постоянного тока и замерить напряжение на управляющем выводе, которое должно составлять 2,5. Если напряжение присутствует и светодиод горит, то элемент можно считать рабочим.
Основные технические характеристики
13003 – это высоковольтный силовой транзистор, прежде всего спроектированный для работы с большими токами и пропускаемым напряжением между коллектором и базой. Высокая скорость переключений и низким временем задержки включения/выключения позволяет использовать его преимущественно в импульсных схемах с индуктивной нагрузкой.
Предельные режимы эксплуатации
13003 рассчитан на работу с большими напряжениями и токами. Так, заявленные производителями максимально допустимые характеристики постоянного рабочего напряжения достигают (VCEO) 400 вольт, а порогового (VCEV) 700 вольт. Номинальное значение постоянного коллекторного тока коллектора (IC) 1.5 A, а импульсного пиковое (ICM), как у большинства силовых транзисторов, в два раза больше 3 A. Максимальная мощность рассеивания, при этом, не должна превышать 40 Ватт.
Предельные значения для пикового тока измерены при длительности импульса в 5 мс и величине обратной скважности не более 10%
Электрические характеристики
Следует учесть, что для расчета возможности применения 13003 в своих схемах, величины предельных режимов эксплуатации обычно уменьшают на 25-30%. Это связано с тем, что они рассчитаны на работу прибора при температуре Тс=25°С. Рабочая же температура устройства будет значительно выше. Зная это, производители в электрических характеристиках на 13003, указывают параметры его использования не только при температуре Тс=25°С.
Как мы видим, в таблице электрических параметров 13003, величины напряжений насыщения и времени переключения приведены и для температуры 100 градусов. Если внимательно присмотреться, то можно увидеть, что эти значения указаны при максимальном токе коллектора IC не превышающем 1 A. А это в 1.5 раза (на 33%) меньше, приведенного значения в предельно допустимых параметрах.
Микросхемы
Микросхемы для блоков питания — онлайн справочник
- HA16107 HA16108
- HM9207
- IX1779ce
- KA3882
- M67209
- MA2830
- MA2831
- STK730-080
- STK7348
- STR451
- STR6307
- STR10006
- STR11006
- STR40115
- STR50103
- STR50115
- STR54041
- STR80145
- STRD1816
- STRD6004
- STRD6601
- STR-M6549
- STR-S5941
- TDA4600
- TDA4601
- TDA4601b
- TDA4605
- TDA8380
- TEA1039
- TEA2018
- TEA2019
- TEA2162
- TEA2164
- TEA2260
- TEA2262
- TEA5170
- UAA4006
- Шим-контроллер UC3842
- UC3844, UC3845, UC2844, UC2845
- LNK623, LNK624, LNK625, LNK626
Микросхемы для фотовспышек
- AT1450
- BD4222
- TPS65560
Стабилизаторы напряжения
- Микросхемы стабилизаторов напряжения AN_ххх серии
- Микросхемы стабилизаторов напряжения MC_ххх серии
- Микросхемы стабилизаторов напряжения LM_ххх серии
Микросхемы выходного каскада кадровой развертки
- Микросхемы LA7837, LA7838
- LA7845
- Микросхемы LA7875N, LA7876N
- STK792-210
- STK79315A
Микросхемы для аудио и радиоаппаратуры
- ТЕА6310T
- Микросхема TDA7386 4х канальный УМЗЧ
Драйверы
- BD6735FV BD6736FV
- DRV8833
- LB1838m
- LV8401
- LV8011
- LV8013T
- LV8713T
- MPC17511A
Отечественные микросхемы
ALJ13002 Datasheet (PDF)
1.1. alj13002.pdf Size:103K _update
SUNROC ALJ13002 TRANSISTOR(NPN) FEATURES 1. EMITTER Power dissipation 2.COLLECTOR PCM:0.8W(Tamb=25℃) Collector current 3.BASE ICM:0.6A Collector-base voltage V(BR)CBO: 600V 1 2 3 Opcrating and storage junction temperature range TJ,Tstg:-65℃ to -150℃ ELECTRICAL CHARACTERISTICS(Tamb=25℃ unless otherwise specjfied): MIN TYP MAX UNIT Parameter Symbol Tes
3.1. alj13003.pdf Size:104K _update
SUNROC ALJ13003 TRANSISTOR(NPN) FEATURES ·power switching applications MAXIMUM RATINGS(Ta=25℃ unless otherwise noted) Symbol Parameter Value Units VCBO Collector-Base Voltage 600 V VCEO Collector-Emitter Voltage 400 V VEBO Emitter-Base Voltage 9 V IC Collector Current-Continuous 1.2 A PC Collector Power Dissipation 25 W TJ Junction Temperature 150 ℃ Tstg Storage Temperature -55
3.2. alj13005.pdf Size:150K _update
SUNROC ALJ13005 TRANSISTOR(NPN) MAXIMUM RATINGS(Ta=25℃ unless otherwise noted) MAXI Parameter Value Units Collector-Base Voltage VCBO 700 V Collector-Emitter Voltage VCEO 400 V Emitter-Base Voltage VEBO 9 V Collector Current IC 2.0 A Collector Power Dissipation PC 50 W Junction Temperature Tj 150 ℃ Storag Temperature -55~150 ℃ Tstg ELECTRICAL CHARACTERISTICS
3.3. alj13003-251.pdf Size:104K _update
SUNROC ALJ13003 TRANSISTOR(NPN) FEATURES ·power switching applications MAXIMUM RATINGS(Ta=25℃ unless otherwise noted) Symbol Parameter Value Units VCBO Collector-Base Voltage 600 V VCEO Collector-Emitter Voltage 400 V VEBO Emitter-Base Voltage 9 V IC Collector Current-Continuous 1.2 A PC Collector Power Dissipation 25 W TJ Junction Temperature 150 ℃ Tstg Storage Temperature -55
3.4. alj13001.pdf Size:195K _update
SUNROC ALJ13001 TRANSISTOR (NPN) TO-92 FEATURES 1. BASE power switching applications 2. COLLECTOR 3. EMITTER MAXIMUM RATINGS (TA=25℃ unless otherwise noted) Symbol Parameter Value Units 1 2 3 VCBO Collector -Base Voltage 600 V VCEO Collector-Emitter Voltage 400 V VEBO Emitter-Base Voltage 7 V IC Collector Current -Continuous 0.2 A PC Collector Power Dissipation
Другие транзисторы… 2SC4355 , 2SC4356 , 2SC4357 , 2SC4358 , 2SC4359 , 2SC436 , 2SC4360 , 2SC4361 , BD139 , 2SC4363 , 2SC4364 , 2SC4365 , 2SC4366 , 2SC4367 , 2SC4368 , 2SC4369 , 2SC437 .
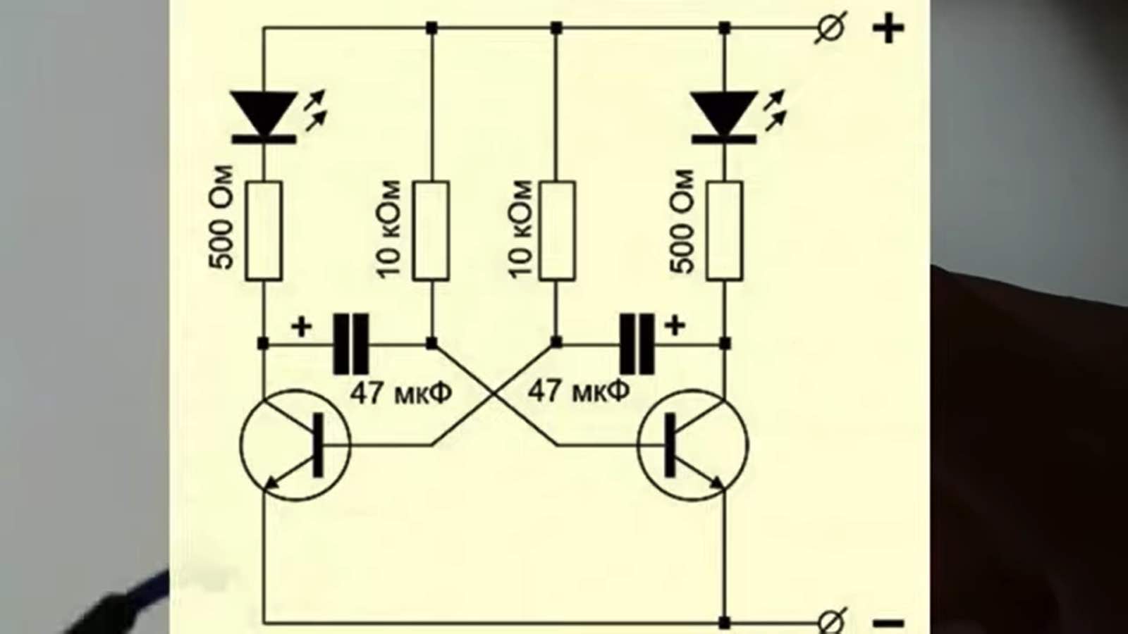
Мультивибратор на КТ315
Мультивибратор — это генератор широкой импульсной модуляции (или коротко ШИМ). Получается, что генератор будет выдавать сигнал либо постоянного плюса, либо постоянного минуса.

Принцип действий заключается в попеременном поступлении тока то к одному, то к другому светодиоду (их два). Частоту каждого из них можно менять (если резисторы будут разными, то и включение светодиодов тоже будет отличаться). Данная схема работает от напряжения 1,7 В до 16 В. Чтобы запустить схему понадобиться 3,2 В (этого будет достаточно, чтобы увидеть деятельность светодиодов).
Стоит отметить, что схема парная (2 конденсатора, 2 резистора, (2 RC-цепи), 2 светодиода), а вот значения транзисторов могут отличаться (от 220 Ом до 300 Ом), в таком случае схема все равно будет работать.
Надежная функциональность мультивибратора зависит от более высокого сопротивления одного из резисторов.
Отметим, что, чем больше сопротивление на переменном резисторе, тем больше будет мигать светодиод.
Транзистор КТ815 (n-p-n типа).
КТ815 — кремниевый биполярный n-p-n транзистор низкочастотный средней мощности, в пластмассовом корпусе TO-126, либо в корпусе D-PAK для поверхностного монтажа (в наименовании суффикс 9, например, КТ815А9).
Назначение: КТ815 -транзистор широкого применения для использования в ключевых и линейных схемах.
Типы: КТ815А, КТ815Б, КТ815В, КТ815Г
Комплементарная пара: КТ814 (pnp транзистор с такими же характеристиками)
Аналог: BD135, BD137, BD139
Цоколевка КТ815: Э-К-Б , смотри рисунок
Производители: Интеграл (Беларусь), Кремний-Маркетинг (Брянск)
Datasheet: (подробные характеристики с графиками зависимостей параметров)
Как выбрать
Прежде чем отправиться за покупкой мягкой мебели, определитесь со своими потребностями. Если вы планируете покупку дивана для гостей, остановитесь на бюджетной, но современной модели
Важно, чтобы обивка служила долго и не истиралась
Если же планируется покупка мебели для ежедневного сна, основное внимание нужно уделить прочности каркаса и качеству наполнителя. Они обеспечивают правильное положение человека во время сна, сохраняют здоровье позвоночника и обеспечивают качественный сон. В anderssen доступны разные модели диванов, которые обеспечивают наиболее удобную эксплуатацию
В первую очередь необходимо замерить помещение, в которое планируется покупать мебель
В anderssen доступны разные модели диванов, которые обеспечивают наиболее удобную эксплуатацию. В первую очередь необходимо замерить помещение, в которое планируется покупать мебель
Важно, чтобы диван поместился на место установки. Затем посмотрите на подходящие модели. Если в одних случаях подойдет большой угловой диван, в других можно установить только небольшой диван или кресло
Среди самых популярных вариантов трансформации выделяют следующие:
Если в одних случаях подойдет большой угловой диван, в других можно установить только небольшой диван или кресло. Среди самых популярных вариантов трансформации выделяют следующие:
- Аккордеон;
- Клик-кляк;
- Еврокнижку.
На видео: диван аккордеон от андерссен.
Угловая модель
Это один из самых удобных вариантов для любого помещения. Выделяют различные варианты таких конструкций, которые наиболее удобны для квартир и офисов. Несмотря на основную форму, у мебели могут быть и другие особенности. В anderssen предлагают следующие варианты:
- Раскладные, оснащенные наиболее прочными механизмами трансформации и длительным сроком эксплуатации.
- Маленькие и большие модели, выбор которых обусловлен параметрами помещения и наличием свободного пространства.
- Закругленные и прямые конструкции.
Большинство моделей anderssen оборудовано дополнительными элементами. Современные коллекции включают боковые полки, отличающиеся удобством и особым стилем. Некоторые модели становятся настоящим центром просторного помещения. Диваны оснащены всем необходимым для полноценного отдыха и включают просторные мягкие зоны, столик квадратной формы и полки для книг. У столика подходящая высота для расположения на нем ноутбука или планшета.
Угловые диваны оборудованы угловой полкой. Некоторые варианты трансформации позволяют превратить обычный столик во вместительную тумбу. В качестве столешницы можно использовать деревянные подлокотники. На них можно положить телефон, планшет или книгу.
На видео: угловой диван Дискавери.
3DD13007_B8 Datasheet (PDF)
1.1. 3dd13007 b8d.pdf Size:154K _crhj
硅三重扩散 NPN 双极型晶体管 R ○ 3DD13007 B8D 产品概述 特征参数 产品特点 3DD13007 B8D 是硅 ● 开关损耗低 符 号 额定值 单 位 ● 反向漏电流小 NPN 型功率开关晶体管,该 VCEO 400 V ● 高温特性好 IC 7 A 产品采用平面工艺, 分压环 ● 合适的开关速度 Ptot (TC=25℃) 80 W 终端结构和少
1.2. 3dd13007 h8d.pdf Size:155K _crhj
硅三重扩散 NPN 双极型晶体管 R ○ 3DD13007 H8D 产品概述 特征参数 产品特点 ● 开关损耗低 3DD13007 H8D 是硅 符 号 额定值 单 位 ● 反向漏电流小 NPN 型功率开关晶体管,该 VCEO 400 V ● 高温特性好 IC 9 A 产品采用平面工艺, 分压环 ● 合适的开关速度 Ptot W (TC=25℃) 90 终端结构和
1.3. 3dd13007 b8.pdf Size:155K _crhj
硅三重扩散 NPN 双极型晶体管 R ○ 3DD13007 B8 产品概述 特征参数 产品特点 ● 开关损耗低 3DD13007 B8 是硅 NPN 符 号 额定值 单 位 ● 反向漏电流小 型功率开关晶体管, VCEO 400 V 该产品 ● 高温特性好 IC 8 A 采用平面工艺, 分压环终端 ● 合适的开关速度 Ptot W (TC=25℃) 80 结构和
1.4. 3dd13007 z7.pdf Size:151K _crhj
硅三重扩散 NPN 双极型晶体管 R ○ 3DD13007 Z7 产品概述 特征参数 产品特点 3DD13007 Z7 是硅 NPN ● 开关损耗低 符 号 额定值 单 位 ● 反向漏电流小 VCEO 200 V 型功率开关晶体管, 该产品 ● 高温特性好 IC 8 A 采用平面工艺, 分压环终端 ● 合适的开关速度 Ptot (TC=25℃) 50 W 结构和少
1.5. 3dd13007 x1.pdf Size:153K _crhj
硅三重扩散 NPN 双极型晶体管 R ○ 3DD13007 X1 产品概述 特征参数 产品特点 ● 开关损耗低 3DD13007 X1 是硅NPN 符 号 额定值 单 位 ● 反向漏电流小 型功率开关晶体管, VCEO 400 V 该产品 ● 高温特性好 IC 8 A 采用平面工艺, 分压环终端 ● 反向击穿电压高 Ptot W (TC=25℃) 80 结构和
1.6. 3dd13007 y8.pdf Size:153K _crhj
硅三重扩散 NPN 双极型晶体管 R ○ 3DD13007 Y8 产品概述 特征参数 产品特点 ● 开关损耗低 3DD13007 Y8 是硅NPN 符 号 额定值 单 位 ● 反向漏电流小 型功率开关晶体管, VCEO 340 V 该产品 ● 高温特性好 IC 7 A 采用平面工艺, 分压环终端 ● 反向击穿电压高 Ptot W (TC=25℃) 80 结构和
1.7. 3dd13007 z8.pdf Size:154K _crhj
硅三重扩散 NPN 双极型晶体管 R ○ 3DD13007 Z8 产品概述 特征参数 产品特点 3DD13007 Z8 是硅 NPN ● 开关损耗低 符 号 额定值 单 位 ● 反向漏电流小 VCEO 200 V 型功率开关晶体管, 该产品 ● 高温特性好 IC 8 A 采用平面工艺, 分压环终端 ● 合适的开关速度 Ptot (TC=25℃) 75 W 结构和少
Характеристика КТ315
Несмотря на то, что КТ315 считается настоящим ветераном-транзистором, его характеристика даже на сегодняшний день является не самой худшей, а в свое время — настоящим прорывом. Развитие в сфере транзисторов повлияла на уход КТ315 с рынка.
Рассмотрим характеристику КТ315 в корпусе КТ-26 (ТО-92). В datasheet говорится, что:
- рабочая температура КТ315 от -45 °С до +100 °С;
- максимальное напряжение коллектор-база равняется от 20 В до 40 В;
- предельное напряжение коллектор-эмиттер равняется от 20 В до 60 В;
- наивысшее напряжение эмиттер-база равняется 6 В;
- максимальный постоянный ток коллектора равен 100 мА, но у КТ315Ж1 и у КТ315И1 — 50 мА;
- рассеиваемая мощность коллектора равна 150 мВТ, а у КТ315Ж1 и у КТ315И1 — 100 мВТ.

Электрическая характеристика
Как и говорилось, “оранжевая чума” достаточно неплоха в работе, но ее показатели слишком отстают ее конкурентов (чего только стоит работа при максимальной температуре в +100 °С, что очень мало).
Электрические характеристики будут проанализированы с условием, что температура окружающей среды будет равна +25 °С.
- Обратный ток коллектора от 0,5 нА до 0,6 нА;
- Обратный ток эмиттера от 3 мкА до 50 мкА;
- Напряжение насыщения коллектор-эмиттер от 0,4 В до 0,9 В;
- Напряжение насыщения база-эмиттер от 0,9 В до 1,35 В;
- Емкость коллекторного перехода — 7 пФ, у КТ315Ж1 — 10 пФ, у КТ315И1 — 10 пФ;
- Граничная частота коэффициента передачи тока — 250 МГц;
- Постоянная времени цепи обратной связи от 300 пс до 1000 пс.
Классификация
Всего насчитывается 10 видов КТ315 (от А1 до Р1). Они различаются по своим показателям, например, напряжение насыщения коллектор-эмиттер у А1 составляет 25 В, а у В1 — 40 В. Всю остальную информацию можно посмотреть в этой таблице.

Маркировка
КТ315 отличает не только его внешний вид, но и отметка. Она сосредоточена в цифро-буквенном значении (нужно выделить, что буква всегда расположена в левом углу), а у тех, кто отличался повышенной надежностью и использовался для компьютеров, телевизоров и т.д., рядом с маркировкой стояла точка. Как говорилось ранее, два кремниевых транзистора очень легко спутать
Чтобы этого избежать, важно обратить свое внимание на описываемый пункт. Какая маркировка у КТ315 понятна, а у КТ361 она отличается тем, что буква размещена посередине самого корпуса

Маркировка
Цифры “13001” на корпусе дают общее представление об этом полупроводниковом устройстве. Многие производители маркируют так свои изделия из-за отсутствия места на корпусе ТО-92, не указывая при этом префикс в начале. В статье приведены технические характеристики устройств малоизвестных в России производителей DGNJDZ, Semtech Electronics, YFWDIODE. Указанные производители в своих даташитах не указывают дополнительных символов маркировки. Без дополнительных обозначений маркирует свой транзистор TS13001 тайваньская компания TSMC. Первые две литеры “TS” являются аббревиатурой первых двух слов в полном названии компании Taiwan Semiconductor Manufacturing Company. В тоже время, на рыке достаточно широко представлены транзисторы mje13001, которые тоже промаркированы цифрами 13001. SHENZHEN JTD ELECTRONICS и многие другие производители применяют s13001 s8d при маркировке своих девайсов. Встречаются и другие префиксы, не рассмотренные в статье. Многие продавцы не заморачиваясь с маркировкой в наименовании товара, указывают все возможные его типы вместе с датой производства.

Основные технические характеристики
13003 – это высоковольтный силовой транзистор, прежде всего спроектированный для работы с большими токами и пропускаемым напряжением между коллектором и базой. Высокая скорость переключений и низким временем задержки включения/выключения позволяет использовать его преимущественно в импульсных схемах с индуктивной нагрузкой.
Предельные режимы эксплуатации
13003 рассчитан на работу с большими напряжениями и токами. Так, заявленные производителями максимально допустимые характеристики постоянного рабочего напряжения достигают (VCEO) 400 вольт, а порогового (VCEV) 700 вольт. Номинальное значение постоянного коллекторного тока коллектора (IC) 1.5 A, а импульсного пиковое (ICM), как у большинства силовых транзисторов, в два раза больше 3 A. Максимальная мощность рассеивания, при этом, не должна превышать 40 Ватт.
Предельные значения для пикового тока измерены при длительности импульса в 5 мс и величине обратной скважности не более 10%
Электрические характеристики
Следует учесть, что для расчета возможности применения 13003 в своих схемах, величины предельных режимов эксплуатации обычно уменьшают на 25-30%. Это связано с тем, что они рассчитаны на работу прибора при температуре Тс=25°С. Рабочая же температура устройства будет значительно выше. Зная это, производители в электрических характеристиках на 13003, указывают параметры его использования не только при температуре Тс=25°С.
Как мы видим, в таблице электрических параметров 13003, величины напряжений насыщения и времени переключения приведены и для температуры 100 градусов. Если внимательно присмотреться, то можно увидеть, что эти значения указаны при максимальном токе коллектора IC не превышающем 1 A. А это в 1.5 раза (на 33%) меньше, приведенного значения в предельно допустимых параметрах.
Маркировка
Транзистор, чаще всего, обозначен на корпусе только цифрами. Цифры “13009” обозначают серийный номер в американской системе JEDEC. Считается, что впервые данный транзистор произвела американская компания Motorola. Символы mje, в начале маркировки транзистора указывали на брэнд именно этой компании. После 1999 года, когда компания Motorola была реструктуризирована, с символов «MJE» начинается маркировка данного транзистора у других производителей, не связанных с этой компанией. В то же время ON Semiconductor, дочерняя компания Motorola, так же продолжает выпускать эти транзисторы с указанием mje13009 на корпусе. Более именитые из производители, вместо MJE, указывают в начале маркировки первые буквы из названия своих компаний: ST13009 (ST Microelectronics), J13009,FJP13009 (Fairchild), PHE13009 (WeEn Semiconductors).
Транзисторы MJE13001 и 13001
Т ранзисторы кремниевые структуры n-p-n, высоковольтные усилительные. Производство транзисторов 13001 локализовано в странах Юго-восточной Азии и в Индии. Применяются в маломощных импульсных блоках питания, зарядных устройствах для различных мобильных телефонов, планшетов и т
п.Внимание!
При близких(почти идеинтичных) общих параметрах уразных производителей транзисторы 13001 могутотличаться по расположению выводов .
Выпускаются в пластмассовых корпусах TO-92, с гибкими выводами и TO-126 с жесткими. Тип прибора указывается на корпусе. На рисунке ниже — цоколевка MJE13001 и 13001 разных производителей, с разными корпусами.

Маркировка
Цифры “13001” на корпусе дают общее представление об этом полупроводниковом устройстве. Многие производители маркируют так свои изделия из-за отсутствия места на корпусе ТО-92, не указывая при этом префикс в начале. В статье приведены технические характеристики устройств малоизвестных в России производителей DGNJDZ, Semtech Electronics, YFWDIODE. Указанные производители в своих даташитах не указывают дополнительных символов маркировки. Без дополнительных обозначений маркирует свой транзистор TS13001 тайваньская компания TSMC. Первые две литеры “TS” являются аббревиатурой первых двух слов в полном названии компании Taiwan Semiconductor Manufacturing Company. В тоже время, на рыке достаточно широко представлены транзисторы mje13001, которые тоже промаркированы цифрами 13001. SHENZHEN JTD ELECTRONICS и многие другие производители применяют s13001 s8d при маркировке своих девайсов. Встречаются и другие префиксы, не рассмотренные в статье. Многие продавцы не заморачиваясь с маркировкой в наименовании товара, указывают все возможные его типы вместе с датой производства.




























