Делаем шунт
Делаем шунт, с которого будем снимать напряжение. Смысл шунта в том, что падение напряжения на нём, говорит ШИМ-у о том, как нагружен по току – выход БП. Например сопротивление шунта у нас получилось 0,05 (Ом), если измерить напряжение на шунте в момент прохождения 10 А то напряжение на нём будет:
U=I*R = 10*0,05 = 0,5 (Вольт)
Про манганиновый шунт писать не буду, поскольку его не покупал и у меня его нет, использовал две дорожки на самой плате, замыкаем дорожки на плате как на фото, для получения шунта. Понятное дело, что лучше использовать манганиновый, но и так работает более чем нормально.

Блок питания ATX на ШИМ SG6105 — переделка в лабораторный
Недавно мы публиковали материалы по переходнику с SG6105 на TL494, с его помощью очень легко можно было заменить одну микросхему другой и избавиться от назойливых защит. Этот отдельный модуль устанавливался на штатное место SG6105 и позволял проводить минимальную корректировку основной платы блока.
При переделке блока на ШИМ SG6105 в лабораторный, изменений в основной плате будет немного больше, но обо всем по порядку.

Изменение в основной плате блока
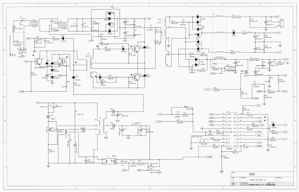
Ниже приведена схема COLORSit 330U-FNM на ШИМ SG6105, плата этого блока точно совпадает со схемой.

Первым делом необходимо удалить часть компонентов, которые нам будут уже не нужны. В основном это касается силовых шин +5; +3,3; -12 В, элементов обвязки защит и служебных выводов SG6105.

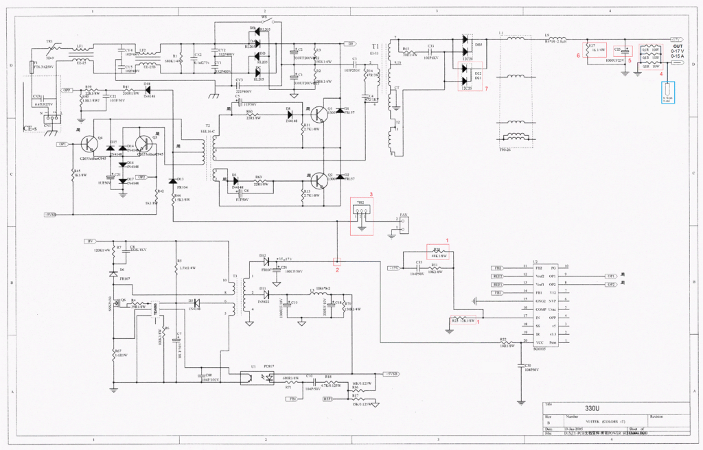
Дополнительные изменения в плате касаются новых элементов, выделенных красными рамками с нумерацией изменений.
- Устанавливаем новые номиналы для резисторов обратной связи с шины +12 В. Это для R28 — 48 кОм, R23 — 12 кОм.
- Переключаем питание ШИМ на другую обмотку дежурки с напряжением 15-17 В, т.к. для питания TL494 нужно минимум 7 В. (т.е. R22 подключаем к диоду D12)
- Питание вентилятора также нужно брать с этой же обмотки дежурки, используя дополнительный стабилизатор LM7812.
- Устанавливаем токоизмерительный шунт, в качестве которого используем три резистора номиналом 0,1 Ом, мощностью 10 Вт. Минусовая клемма выхода блока будет теперь уже после шунта.
- Следует поставить новый выходной электролитический конденсатор с рабочим напряжением минимум 25 В, номиналом в 1000-2200 мкФ.
- Нагрузочный резистор R27 лучше заменить резистором с чуть большим сопротивлением в 1 кОм.
- Если в блоке используется маломощная диодная сборка по шине +12 В, параллельно ей желательно установить еще одну или заменить на более мощную.

Переходник с SG6105 на TL494 для регулировки тока
Схема переходника с SG6105 на TL494 для регулировки тока включает в себя: TL494 с необходимой обвязкой и две TL431. По сути, можно обойтись лишь одной TL431, которая используется для дежурки. Поскольку схемы блоков на SG6105 бывают разные нельзя заранее сказать, какая из TL431 используется дежуркой, а какая для шины 3,3 В, для универсальности решено было оставить обе.

16-я ножка TL494 подключается на минусовый выход после шунтов (обозначенная синей рамкой), место подключения вывода к 16 ножке тоже обозначено и указанно на схеме. R4 используется для регулировки напряжения, а R10 для регулировки тока. Расчет обвязки выполнен для выходного напряжения 0-17 В; 0-15 А. Печатку для переходника с регулировкой тока можно будет скачать в конце статьи.

Если токи в 15А не нужны, достаточно убрать один из токоизмерительных резисторов 0,1 Ом (использовать два вместо трех), при двух — максимальный рабочий ток будет около 10 А.
Вот таким получился наш переходник.

Сборка блока
Для установки переходника на место SG6105 нужно использовать панельку. После финишной сборки переходник желательной прочно зафиксировать в разъеме используя термо силикон или что-то другое.

Из-за больших размеров трех резисторов по 10 Вт их очень удобно крепить на радиатор, на радиатор также следует установить LM7812 т.к. при работе вентилятора она будет сильно греться.

Вот так выглядит блок после удаления лишних компонентов и готовый к установке переходника.

Подключаем наш переходник в панельку микросхемы SG6105.

Такой переходник должен подходить практически ко всем блокам питания на SG6105, но необходимо быть внимательным при удалении ненужных компонентов и внимательно вникнуть в отличия схем и нумерации деталей.
Тесты
Поскольку вольтамперметр с диапазоном на 20А еще не приехал, используем мультиметр в качестве амперметра и простенький цифровой вольтметр, который питается от линии, на которой меряет напряжение (из-за этого его показания и пропадают при напряжении ниже 3 В).
Немного слов о стабильности напряжения. Пульсации 0,1 В с периодом 10 миллисекунд на максимальном токе 15 А и выходном напряжении 17 В.

Плюсы и минусы
К плюсам можно отнести относительно небольшой вес устройства, довольно большой коэффициент полезного действия. Если сравнивать итоговую сумму, которую можно потратить приобретая комплектующие с заводским аналогом, то такой бп очень выгоден за счет маленькой стоимости.
Также стоит отметить в плюсах широкий интервал напряжения питания. Кроме этого, в блоке питания могут быть встроенные датчики блокирования, на случай если устройство вдруг перегреется.
Помимо плюсов у этого устройства есть и минусы. Самым главным является создание помех, которые потом уходят в окружающий мир. Это происходит во время преобразования импульсов в пониженное напряжение. После того, как начинают появляться помехи, возникает необходимость подавить помехи.
Сборка и настройка ЛБП
Рекомендуем строить этот лабораторный БП в следующем порядке:
- Сборка и проверка модуля с мостовым выпрямителем, фильтрацией и реле, подключение к трансформатору и активация реле от независимого источника для проверки выходных напряжений.
- Исполнение модуля переключения обмоток и контроля охлаждения радиаторов. Запуск этого модуля облегчит настройку будущего источника питания. Для этого понадобится другой источник питания для подачи регулируемого напряжения на вход системы, отвечающей за управление реле.
- Температурная часть схемы может быть настроена путем моделирования температуры. Для этой цели использовалась тепловая пушка, которая аккуратно нагревала радиатор с датчиком (BD135). Температура измерялась с помощью датчика, включенного в мультиметр (в то время не было готовых точных измерителей температуры). В обоих случаях настройка сводится к подбору PR201 и PR202 или PR301 и PR302 соответственно.
- Затем запускаем блок питания, регулируя RV1 таким образом, чтобы получить 0 В на выходе, что полезно при настройке ограничения тока. Само ограничение зависит от значений резисторов R18, R7, R17.
- Регулирование А/В индикаторов сводится к настройке опорных напряжений между контактами 35 и 36 микросхем ICL. В измерителях напряжения и тока использовался внешний эталонный источник. В случае с измерителями температуры такая точность не нужна, а отображение с десятичным знаком все же несколько преувеличено. Передача показаний температуры осуществляется одним выпрямительным диодом (на схеме их три). Это связано с дизайном печатной платы. На ней есть две перемычки.
- Непосредственно на выходных клеммах к вольтметру подключен делитель напряжения и резистор 0,01 Ом / 5 Вт, на котором падение напряжения используется для измерения тока нагрузки.
Дополнительным элементом источников питания является схема, которая позволяет включать только один источник питания без необходимости использования второго канала, несмотря на тот факт, что вспомогательный трансформатор питает оба канала источника питания сразу. На той же плате размещена система для включения и выключения блока питания с помощью одной слаботочной кнопки (для каждого канала блока питания).
Охлаждение лабораторного блока питания
Самым горячим элементом лабораторного блока питания является регулирующий силовой транзистор T1. Тепло, рассеиваемое на нем пропорционально разнице между входным и выходным значениями напряжения. Транзистор 2N3055 способен рассеять максимум 115Вт.
Таким образом, если на входе стабилизатора 37В, а на выходе мы установим значение 3В, то при токе 2,5А на транзисторе рассеивается примерно (не учитывая падение на шунте R4):
P=(37В-3В)×2,5А=85Вт.
Это рядом с максимумом, учитывая, что транзистор T1 будет работать в линейном режиме и отвести от него такое количество тепла будет очень сложно. Выходом будет применение радиатора с вентилятором от ПК или применение радиатора с достаточно большой площадью поверхности (читать ниже).
При эксплуатации лабораторного блока питания с нагрузкой 1,5А – 2,5А на диодный мост можно установить небольшой теплоотвод в виде алюминиевой пластинки.
Если представить максимально тяжелый режим и на выходе лабораторного блока питания будет короткое замыкание, то в этом случае на транзисторе T1 упадет практически все напряжение (без учета падения на R4), пусть это падение будет равно 35В (берем по максимуму). При этом максимальный ток будет равен 2,5А. Мощность, рассеиваемая на транзисторе T1, будет примерно равна 80-90 Вт. Для такой мощности необходим радиатор с площадью поверхности 1500 – 2000 см2.
Между 1 ножкой ШИМ и выходом плюс, припаиваем резистор
Данный резистор будет ограничивать напряжение выдаваемое БП. Этот резистор и R60 образует делитель напряжения, который будет делить выходное напряжение и подавать его на 1 ножку.
Входы ОУ(ШИМ) на 1-й и 2-й ножках у нас служат для задачи выходного напряжения.
На 2-ю ножку приходит задача по выходному напряжению БП, поскольку на вторую ножку максимально может прийти 5 вольт (vref) то обратное напряжение должно приходить на 1-ю ножку тоже не больше 5 вольт. Для этого нам и нужен делитель напряжения из 2х резисторов, R60 и тот что мы установим с выхода БП на 1 ногу.

Как это работает: допустим переменным резистором выставили на вторую ногу ШИМ 2,5 Вольта, тогда ШИМ будет выдавать такие импульсы (повышать выходное напряжение с выхода БП) пока на 1 ногу ОУ не придёт 2,5 (вольта). Допустим если этого резистора не будет, блок питания выйдет на максимальное напряжение, потому как нет обратной связи с выхода БП. Номинал резистора 18,5 кОм.
Импульсные преобразователи постоянного напряжения
Это пожалуй самые современные устройства регулирования в цепях постоянного тока. Его можно сравнить с трансформатором, поскольку поведение импульсного преобразователя подобно трансформатору с плавно меняющимся количеством витков:

Такие системы активно заменяют электроприводы с резистивным регулированием, путем подключения их к якорю машины последовательно, вместо резистивно-контакторной группы. Их довольно часто применяю в электрокарах, а также довольно большую популярность они обрели в подземном транспорте (метрополитен). Такие преобразователи выделяют минимум тепла, что не нагревает тоннелей и могут реализовывать режим рекуперативного торможения, что является большим плюсом для электроприводов с частым пуском и торможением.
Большим плюсом таких устройств есть то, что они могут осуществить рекуперацию энергии в сеть, плавно регулируют скорость нарастания тока, обладают высоким КПД и быстродействием.
Устройство и принцип работы блока питания
Стремление получить как можно компактнее готовое устройство примело к появлению различных микросхем, внутри которых находятся сотни, тысячи и миллионы отдельных электронных элементов. Поэтому практически любой электронный прибор содержит микросхему, стандартная величина питания которой 3,3 В или 5 В. Вспомогательные элементы могут питаться от 9 В до 12 В постоянного тока. Однако мы хорошо знаем, что розетке переменное напряжение 220 В частотою 50 Гц. Если его подать непосредственно на микросхему или какой-либо другой низковольтный элемент, то они мгновенно выйдут из строя.
Отсюда становится понятным, что главная задача сетевого блока питания (БП) состоит в снижении величины напряжения до приемлемого уровня, а также преобразование (выпрямление) его из переменного в постоянное. Кроме того, его уровень должен оставаться постоянным независимо от колебаний входного (в розетке). Иначе устройство будет работать нестабильно. Следовательно, еще одна важнейшая функция БП – это стабилизация уровня напряжения.
В целом структура блока питания состоит из трансформатора, выпрямителя, фильтра и стабилизатора.
Помимо основных узлов еще используется ряд вспомогательных, например, индикаторные светодиоды, которые сигнализируют о наличие подведенного напряжения. А если в БП предусмотрена его регулировка, то естественно там будет вольтметр, а возможно еще и амперметр.
Принцип действия тиристорного регулятора
Тиристор имеет два состояния – открытый, в котором он пропускает электрический ток и закрытый. Открывается этот элемент при протекании тока через управляющий электрод и остается открытым, пока через тиристор идет ток. Переменное напряжение в сети имеет синусоидальную форму. Тиристор, включенный в цепи нагрузки, открывается в определенный момент полуволны. Это называется “угол открытия”. В результате этого через электроприбор ток протекает не все время, а только после перехода элемента в открытое состояние. Это меняет действующее значение напряжения на нагрузке.
Важно! Вольтметр измеряет действующее значение. Для надежной работы допустимое напряжение тиристоров должно соответствовать максимальному напряжению, которое больше в 1,4 раз
Для бытовой сети это 308В.
РЕГУЛИРУЕМЫЙ ИСТОЧНИК ПИТАНИЯ С СИГНАЛИЗАЦИЕЙ ПЕРЕГРУЗКИ
Звуковая сигнализация позволяет пользователю быстро среагировать на аварийную ситуацию, если при экспериментах с различной радиоэлектронной аппаратурой возникла перегрузка источника питания. Схема источника питания с звуковым сигнализатором превышения потребления тока показана на рисунке.
Выпрямитель на диодах VD1—VD4 питается от трансформатора, вторичная обметка которого рассчитана на напряжение 18 В при токе нагрузки не менее 1 А, Регулируемый стабилизатор напряжения выполнен на транзисторах VT2 — VT5 по известной схеме. Переменным резистором R3 на выходе стабилизатора может быть установлено напряжение от 0 до +15 В.
Фото лабораторных блоков питания своими руками
Источники
- https://supereyes.ru/articles/power_supply/laboratornyy_blok_pitaniya_impulsnyy_ili_lineynyy_kakoy_vybrat/
- https://svoimirykami.guru/laboratornyj-blok-pitaniya-svoimi-rukami/
- https://amperof.ru/sovety-elektrika/laboratornyj-blok-pitaniya-svoimi-rukami.html
- https://USamodelkina.ru/16407-reguliruemyj-blok-pitanija-ochen-prosto-po-silam-dazhe-shkolniku-podrobno.html
- https://tehnoobzor.com/schemes/pitanie/2779-kak-sdelat-laboratornyy-blok-pitaniya-svoimi-rukami.html
- https://www.ixbt.com/live/topcompile/power-supply_3.html
Простейший самодельный блок питания
Если у вас нет навыков в изготовлении электрических приборов, то лучше начинать с самого простого, постепенно передвигаясь к сложным конструкциям. Состав простейшего источника постоянного напряжения:
- Трансформатор с двумя обмотками (первичной – для подключения к сети, вторичной – для подключения потребителей).
- Один или четыре диода для выпрямления переменного тока.
- Электролитический конденсатор для отсечки переменной составляющей выходного сигнала.
- Соединительные провода.
В случае если вы используете в схеме один полупроводниковый диод, то получите однополупериодный выпрямитель. Если применяете диодную сборку или мостовую схему включения, то блок питания называется двухполупериодным. Разница в выходном сигнале – во втором случае меньше пульсаций.

Такой самодельный блок питания хорош только в тех случаях, когда необходимо провести подключение приборов с одним рабочим напряжением. Так, если вы занимаетесь конструированием автомобильной электроники либо ее ремонтом, лучше выбирать трансформатор с выходным напряжением 12-14 вольт. От количества витков вторичной обмотки зависит выходное напряжение, а от сечения используемого провода — сила тока (чем больше толщина, тем больше ток).
Виды и особенности блоков питания
Встречаются два типа блоков питания:
- Импульсный;
- Линейный.
Блок импульсного типа может рождать помехи, которые буду отражаться на настройке приемников и других передатчиков. Блок питания линейного типа может оказаться неспособным для выдачи необходимой мощности.
Как правильно сделать лабораторный блок питания, от которого можно будет заряжать АКБ, и питать, чувствительны платы схем? Если взять простой блок питания линейного типа на 1,3-30 В, и мощностью тока не более 5 А, то получится хороший стабилизатор напряжения и тока.
Воспользуемся классической схемой для сборки блока питания своими руками. Она сконструирована на стабилизаторах LM317, которые регулируют напряжение в диапазоне 1,3-37В. Их работа совмещена с транзисторами КТ818. Это мощные радиодетали, которые способны пропустить большой ток. Защитную функцию схемы обеспечивают стабилизаторы LM301.
Применение
Блок питания с регулировкой своими руками и без нее, со вторичкой на выходе в 5-12 Вольт используется для подключения различных электротехнических устройств к электрической бытовой сети 220 В.
Чаще всего это:
- Различные персональные компьютеры (стационарные, со встроенным блоком, и ноутбуки, планшеты, нетбуки, карманные ПК);
- Гаджеты (смартфоны, аудио и видеоплееры, сотовые телефоны, видеокамеры и прочие устройства, имеющие в своей конструкции аккумуляторную батарею);
- Ручной портативный электроинструмент (шуруповерты, болгарки, дрели, воздуходувки и прочее);
- Различные другие устройства, рассчитанные на низкое напряжение, способные работать без подключения напрямую к бытовой электросети (LED-светильники,бритвы, автомагнитолы, радиоприемники)
Как сделать лабораторный блок питания своими руками — печатная плата и пошаговая сборка
Теперь рассмотрим пошагово сборку лабораторного блока питания своими руками. Трансформатор у нас есть уже готовый от усилителя. Напряжение на его выходах составило порядка 22 В. Подготавливаем корпус для БП.
Видеоинструкция по сборке лабораторного блока питания своими руками:
Программируемые и управляемые модули для ЛБП
Программируемый модуль RD6006 Управляемый модуль DPX6005S Мощный преобразователь DPS5015
Простой способ собрать для себя лабораторный источник питания — это взять управляемый модуль-преобразователь со стабилизацией питания. Одни из самых мощных на Алиэкспресс — это модули RD DPS5015 и DPS5020, с выходными токами 15 и 20 Ампер соответственно. Для удаленного управления выбирайте версии «С» — communication для работы через USB/Bluetooth/Wi-Fi. Модули RD DPH5005 имеют встроенный Buck Boost конвертер для повышения напряжения (можно питать 12/24 вольта и получить на выходе, 30-40-50В. Один из самых продвинутых программируемых преобразователей питания — это модель RD 6006 (подробный обзор). Предыдущий список модулей с интересными вариантами.
Стационарные источники питания все-в-одном
Блок питания KORAD KA3005D Блок питания NPS 1601 Блок питания Wanptek 3010/6005
Для стационарной работы я бы рекомендовал иметь дома хотя бы один мощный источник типа KORAD. Цифры в названии подобных ЛБП обычно показывают максимальные режимы питания: 30/60 Вольт и 5/10 Ампер. То есть KORAD KA3005 — это 30В/5А, модели 6005 стабилизирует большее выходное напряжение, а типа 3010 — больший ток (до 10 А). Плюс подобных источников — встроенный сетевой преобразователь на 220В.
Модули сетевого питания для сборки ЛБП
Импульсный источник питания 5/12/24/36/48/60V
Для питания управляемых модулей нужен сетевой преобразователь. Я бы не рекомендовал брать дешевые «народные» платы питания, а предложил бы посмотреть в сторону корпусных БП. В таких уже продумано охлаждение и монтаж, присутствует некоторая регулировка выхода. На выбор предлагаются источники с выходным напряжением на 5V, 12V, 24V, 36V, 48V, 60V и мощностью до 400 Вт. Конечно, можно использовать и компьютерные источники питания АТХ (с выходом 12В и преобразователем типа DPH5005, или с переделкой для повышения выходного напряжения), и другие от старой аппаратуры.
Таким образом, можно на базе готовых модулей и источников тока создать свой удобный и точный блок лабораторного питания. За основу можно взять как старую технику, так и полностью готовые комплектующие с Алиэкспресс и радиомагазинов. Цены варьируются от $5 за простой преобразователь с экраном и стабилизацией, и до $100 за мощное устройство. Из полезных функций — наличие Buck Boost конвертера, который помогает повышать напряжение при недостатке входного, функция заряда аккумуляторов (с наличием встроенной защиты и счетчиков емкости), функция стабилизации тока, функции удаленного управления.
RD6006 лабораторный источник питания точный блок питания мощный блок питания блок питания с алиэкспресс korad gophert dpx6005 dps5020 управляемый источник питания блок питания для гальваники источник питания блок питания блок питания со стабилизацией Автор не входит в состав редакции iXBT.com (подробнее »)
. спустя год.
Просматривая даташит на микросхему KA7500 (аналог TL-494) я обнаружил другое, более простое решение стабилизации тока БП. Авторы предлагают использовать второй компаратор (выв.15,16). С учётом того, что изначально этот компаратор смещён на 80 мВ, получается очень удобное решение. Мною оно повторено дважды. В приводимой схеме выходное напряжение 18 вольт, ток 5 ампер для питания схемы подогрева собачей будки. Для зарядки аккумуляторов естественно, можно использовать блок без перемотки, но всё-таки лучше перемотать. И провод желательно взять по толще, и виточков добавить.
При расчёте количества витков вторичной обмотки желательно, что бы на ХХ напряжение на выходе моста было больше стабилизированного примерно в 2 раза. Это обеспечит оптимальный ШИМ и, соответственно, надёжную стабилизацию.
Странно, но оно работает. А вообще-то не должно. Не должно потому, что смещение 80 мВольт в каком-то даташите указано, а в каком-то нет. И вообще это смещение маловато для стабильной работы.Поэтому я промакетировал подобную ОС на “спицах” и вот что получилось.
Для удобства макетирования я выбрал компаратор LM311. На 16-ую ногу (по TL-494) подал опорное напряжение 1 вольт. Вот теперь всё красиво. Компаратор срабатывает на 6,1 Ампера. Красный луч-выход компаратора, а зелёный-ток через нагрузку (R3). Да и резистор 0,15 Ом сделать легче и греться будет меньше, чем 0,3.Тогда схема чуток меняется.
Перемотка трансформаторов (перемотал 5 штук) ни разу не вызвала у меня проблемм. Просто нагреваю в шкафу до 150 – 200 градусов и в перчатках аккуратненько расшатываю.
Как изготовить шасси для блока питания?
Красиво будет выглядеть только та конструкция, которая полностью изготавливается самостоятельно. Но в качестве материала можно использовать что угодно: начиная с листового алюминия и заканчивая корпусами от персональных компьютеров. Нужно только тщательно продумать всю конструкцию, чтобы не возникло непредвиденных ситуаций. Если выходным каскадам требуется дополнительное охлаждение, то установите кулер для этой цели. Он может работать как постоянно при включенном устройстве, так и в автоматическом режиме. Для реализации последнего лучше всего применить простой микроконтроллер и датчик температуры. Датчик отслеживает значение температуры радиатора, а в микроконтроллере заложено то значение, при котором необходимо включить обдув воздухом. Даже лабораторный блок питания 10А, мощность которого немаленькая, будет стабильно работать с такой системой охлаждения.

Для обдува нужен воздух извне, поэтому вам потребуется устанавливать кулер и радиатор на задней стенке блока питания. Для обеспечения жесткости шасси применяйте алюминиевые уголки, из которых сначала сформируйте «скелет», а после установите на него обшивку – пластины из того же алюминия. Если есть возможность, то уголки соедините при помощи сварки, это увеличит прочность. Нижняя часть шасси должна быть крепкой, так как на ней монтируется силовой трансформатор. Чем выше мощность, тем большие габариты трансформатора, тем больше его вес. В качестве примера можно сравнить лабораторный блок питания 30В 5А и подобную конструкцию, но на 5 вольт и током порядка 1 А. У последнего габариты окажутся намного меньшими, да и вес незначительный.
Между электронными компонентами и корпусом должен находиться слой изоляции. Делать это нужно исключительно для себя, чтобы в случае случайного обрыва провода внутри блока он не закоротил на корпус. Перед установкой обшивки на «скелет» проведите ее изоляцию. Можно наклеить плотный картон или толстую липкую ленту. Главное, чтобы материал не проводил электричество. При помощи такой доработки улучшается безопасность. Но трансформатор может издавать неприятный гул, от которого избавиться можно путем фиксации и проклейки пластин сердечника, а также установки между корпусом и шасси резиновых подушек. Но максимальный эффект вы получите только при комбинировании этих решений.




























