Температура
Температурный диапазон эксплуатации свинцово-кислотных АБ составляет -30…+50 °С. Идеальная температура для
эксплуатации АБ составляет +20±5 °С. Более высокие температуры могут привести к сокращению срока службы АБ. Более низкие температуры не сокращают срок службы, но уменьшают отбираемую емкость. Превышение температуры +55 °С недопустимо. При замерах плотности электролита следует иметь в виду, что при повышении температуры электролита на 10°С плотность электролита уменьшается на 0,007 г/см3, а при понижении на 10 °С увеличивается на 0,007 г/см3. Следует избегать длительной эксплуатации АБ при температурах выше +45 °С. Во время разряда свинцовой АБ происходит снижение плотности электролита и при отрицательных температурах он замерзает. Область замерзания электролита примерно одинакова для всех типов свинцово-кислотных АБ и выглядит следующим образом:
| Степень разряженности (доля снятой емкости по отношению к номинальной), % | Температура замерзания электролита, °С |
|---|---|
| 20 | -30 |
| 40 | -20 |
| 60 | -15 |
| 80 | -10 |
| 100 | -5 |
При изменении температуры в пределах от +15°С до+25°С не требуется изменения значений зарядного напряжения. Если температура надолго отклоняется от указанных значений, то требуется корректировка зарядного напряжения. Корректировочный фактор составляет 0.005 В на элемент на каждый градус. Таким образом, необходимо соблюдать следующие значения напряжения.
| Температура АБ, °С | U заряда, В/эл. | U подзаряда, В/эл. |
|---|---|---|
| -10 | 2,40 | 2,37 |
| 2,40 | 2,37 | |
| +10 | 2,35 | 2,32 |
| +20 | 2,30 | 2,27 |
| +30 | 2,25 | 2,23 |
| +40 | 2,20 | 2,17 |
Что нужно знать владельцу такого устройства?
Особенностей у самодельного аппарата, собранного по схеме импульсного зарядного устройства, приведённой выше, не так много, сам процесс несложен, контроль над ним сведён к минимуму. Электронная защита исключает выход из строя компонентов при неправильном подключении или перегрузках в сети.
Как правильно заряжать
Подключите ИЗУ к сети 220 В, переведите выключатель в рабочее положение. Когда прибор, измеряющий ток и напряжение, заработает, переведите ручку подстроечного сопротивления влево до конца: получится на выходе 9 В. Теперь подсоедините выходные провода к клеммам АКБ, соблюдая соответствие (+) и (-). Переменным резистором не спеша увеличивайте напряжение до 13,5 В (если батарея совсем села) или 14,5 В (если аккумулятор неработоспособен на 50 %). Посмотрите на амперметр: I должна составлять 10 % от ёмкости. Например, для АКБ 55 А/ч это будет 5,5 А.
По ходу процесса сила тока будет падать, плотность электролита – повышаться. Процедуру можно считать законченной, когда I = 0,1 А или менее.
Как функционирует защита?
При случайном замыкании выходных проводов ИЗУ останется работоспособным: просто он выключится. Вытащите вилку из сети, устраните причину КЗ, и блок снова готов к работе. Ещё есть защита от перегрузки: устройство срабатывает при появлении тока в 10 А. Как только возникает подобное значение, устройство автоматически отключается.
Часто допускаемые ошибки
В первую очередь это спешка. Нельзя полноценно зарядить батарею ИЗУ за 4–5 часов. Понадобится не менее 14-ти. Тем более, если процесс осуществляется при отрицательной температуре. Также рекомендуется внимательно смотреть на полюса при подключении аккумулятора: не каждое ЗУ имеет защиту «от дурака». Если у вас аккумулятор свинцово-кислотный, обслуживаемый, на период зарядки стоит выкрутить (можно наполовину) пробки банок. Оберегайте устройство от проникновения влаги, образования конденсата. Последний может осесть на корпусе при внесении ЗУ с мороза в тёплое помещение. В этом случае эксплуатацию устройства можно начинать примерно через пару часов, когда влага, осевшая на электронных компонентах, высохнет.
Типичные поломки ЗУ и их ремонт
Один из наиболее распространённых дефектов, появляющихся обычно после года-второго срока эксплуатации, – отсутствие напряжения на выходе. В лучшем случае причина заключается в сгоревшем предохранителе: его нужно просто заменить
Если же он исправен, осмотрите печатную плату: в первую очередь обратите внимание на электролитические конденсаторы – их вздутие говорит о выходе из строя
Однако не стоит ограничиваться только их заменой: поломка конденсаторов могла по принципу цепочки привести к выходу из строя других элементов. Поэтому надо выпаять и проверить:
- выпрямительный диодный мост;
- конденсаторы фильтра;
- полевые транзисторы (они стоят на алюминиевых радиаторах).
Также не забудьте проверить целостность проводов питания и работоспособность выключателя. Если под рукой нет нужного предохранителя, его временно заменит «жучок»: проволока сечением 0,11 мм соответствует току в 3 А.
Виды аккумуляторов для автомобилей
В последние годы на прилавках российских автомагазинов представлено два основных типа автомобильных аккумуляторов: обслуживаемые и необслуживаемые. Аккумуляторы, которые можно и требуется обслуживать представляют собой моноблок с одной или несколькими крышечками. Весомый недостаток этого типа аккумуляторов – содержащаяся в сплаве на положительном полюсе, сурьма из-за воздействия раствора постепенно переходит на отрицательный полюс. Такие реакции приводят к постепенному понижению на электродах, а это ведет к разложению молекул воды на составные части – водород и кислород. Владельцы таких аккумуляторов замечают это при перезарядке аккумуляторов по обширному выделению газообразований. Еще одним весомым недостатком обслуживаемых батарей остается протекание электролита на корпус батареи при движении по неровной дороге. В большинстве случаев это обстоятельство вызывает сильный саморазряд аккумулятора.
Необслуживаемые аккумуляторы, в свою очередь, делятся на гелевые и AGM. В гелевых АКБ кислоту электролита заменяет специальный гель, который почти не испаряется и не требует доливки. Кроме того, в гелевых АКБ существенно низкий уровень саморазряда и количество циклов заряд-разряд увеличивается по сравнению с обслуживаемыми АКБ. Еще один тип необслуживаемых аккумуляторов – AGM, представляет собой батарею в которой кислота загущается специальным стекловолокном. Но такие аккумуляторы зависимы от исправности электросистем автомобиля. Неполадки электрооборудования в иных случаях влияют на состояние аккумулятора.

На следующие виды АКБ разделяются и по типу содержимого:
- Малосурьмянистые. В АКБ такого типа свинцовые пластины содержат малое количество сурьмы для увеличения прочности. Такой состав приводит к «выкипанию» воды содержащейся в электролите, что требует постоянного контроля и долива дистиллированной воды при необходимости.
- Кальциевые. Пластины таких АКБ содержат кальций, что уменьшает «выкипание» воды в составе электролита. Но такие батареи заметно чувствительны к сильным разрядам. Хватит 3-4 раз критического разряда аккумулятора, чтобы энергоемкость батареи сильно снизилась.
- Гибридные. В этих аккумуляторах удачно сочетаются характеристики кальциевых и малосурьмянистых батарей, так как используются пластины электродов сделанные по обеим технологиям. Отрицательные – малосурьмянистые, а положительные соответственно кальциевые.
Сравнение зарядников
Перечисленные выше марки – это небольшая часть имеющихся в продаже. На рынке моделей достаточно много. Неискушенному человеку очень трудно подобрать подходящую модель лучший зарядки для аккумуляторов. Для сравнения нескольких зарядных устройств ниже приведена таблица.
| Название зарядного устройства | Емкость батареи | Номинальный выход напряжения | Подзаряд при хранении | Масса |
|
Беркут смарт |
6-160 | 14,4-17 | + | 0,9 |
|
Bosch C3 |
1,2-120 | 14,4-14,7 | + | 0,85 |
|
Орион PV 150 |
15-90 | 6,0-15 | + | 0,75 |
|
DHC SC5Е |
10-200 | 14,8 | – | 2,7 |
|
CTE MXS5 |
0,2-100 | 14,8 | + | 0,70 |
|
Keepower batter |
3-80 | 14,4 | + | 0,85 |
Если потребность в хорошем зарядном устройстве возникает периодически (холодное время года, долго не использовалось авто) то нужно покупать недорогие модели. Следует остановится на простом варианте без регулировок и разных переключателей.
Более опытные автолюбители для контроля зарядки могут купить Функулон – зарядное устройство для автомобильного аккумулятора с функцией регулировки зарядного тока, встроенным амперметром. При встроенных батареях AGM и GEL нужно убедиться перед покупкой, имеет ли зарядное функцию для АКБ.
На что обратить внимание:
- Тип аккумулятора. Свинцовым и гелевым потребуется специальная модель, всем остальным можно покупать универсальное.
- Емкость батареи. (можно узнать на специальной наклейке). В зависимости от емкости выбирают мощность у лучшего зарядного устройства. Обозначается Ач.
На заметку!
В большинстве зарядников ток 6А. Они служат универсальным средством для легковых автомобилей. Для внедорожников используют модель с током не менее 18А.
Перед покупкой нужно изучить вопросы, как выбрать хорошее зарядное устройство. Остановить выбор на варианте, у которого есть плавная регулировка. Чем меньше сила зарядки, тем дольше заряжается модель. Для полной зарядки аккумулятора потребуется около 3 часов. Но все равно он не зарядится полностью.
При большем времени и количестве тока можно будет зарядить аккумулятор полностью. Приборы, которые работают от электрической сети используют большинство автовладельцев. Современные устройства могут контролировать процесс питания. При окончании зарядки система снижает мощность до полного заряда батареи. При полной зарядке система автоматически отключается.
Зарядка постоянным током
Перед тем, как выбрать зарядное устройство для конкретного автомобильного аккумулятора, необходимо разобраться с тем, какому методу зарядки отдать предпочтение.
Зарядка постоянным током предполагает, что на батарею будет подаваться постоянный ток, равный 10% от номинальной ёмкости АКБ – это рекомендуемое значение, оптимальное для абсолютного большинства автомобильных аккумуляторных батарей. По мере зарядки устройство будет поддерживать величину тока на заданном при включении уровне, при этом изменяться будет напряжение на клеммах батареи.
Если ЗУ не автоматическое, то при таком методе подзарядки необходимо время от времени корректировать значение тока (как минимум каждые 120 минут). По мере зарядки АКБ и роста напряжения на электродах электролит начинает закипать, и чем ближе будет аккумулятор к полной зарядке, тем интенсивнее будет газовыделение. В случае обслуживаемых батарей именно этот признак – интенсивное кипение электролита – является достаточным для прекращения процесса зарядки.
В автоматических ЗУ финал процесса определяется на основании показаний датчика напряжения – как только оно повысится до 14,4 В, ток автоматически уменьшается в два раза и процесс зарядки продолжается уже с меньшей интенсивностью. При 15 вольтах ток снова уменьшается вдвое, и этот процесс будет продолжаться до тех пор, пока напряжение не перестанет меняться. В принципе такой же алгоритм следует применять и в отношении зарядных устройств, не относящихся к автоматическим.
Классификация по методу зарядки
Зарядное устройство заряжает АКБ, подключаясь как промежуточное звено к сети бытового электропитания.
Переменный ток в 220 В выпрямляется, его напряжение понижается, и некоторые другие характеристики так же модифицируются под «требования» автомобильного аккумулятора.
Но зарядные устройства для автомобильных аккумуляторных батарей в первую очередь различаются по способу зарядки.
Они классифицируются на аппараты:
- постоянного тока;
- постоянного напряжения;
- аппараты, в которых реализован комбинированный метод.
Это означает, что устройство заряжает АКБ (аккумуляторную батарею) либо постоянным током, либо постоянным напряжением, либо может использовать любой из этих методов.
Каждый метод имеет свои функциональные особенности, плюсы и минусы.
Зарядка постоянным током
Это наиболее быстрый режим заряжания автомобильного аккумулятора. Используется постоянный ток, который должен быть равен 10% от емкости аккумулятора в амперчасах.
Если он будет ниже — аккумулятор будет заряжаться слишком долго или не зарядится вообще, если выше — АКБ может выйти из строя.
Автоматические зарядники постоянного тока устанавливают зарядный ток в зависимости от емкости АКБ самостоятельно, но на дешевых моделях, как правило, нет верньеров, позволяющих контролировать и регулировать ток.
Поэтому, если есть возможность, стоит приобрести зарядное устройство не только с функцией автоматической зарядки по току, но и с ручным регулятором, чтобы иметь возможность выставить ток зарядки самостоятельно.
Кроме того, за процессом зарядки нужно следить, т. к., несмотря на функцию автоматического отключения, которой снабжены почти все современные зарядники, превышение времени заряжания может привести к тому, что батарея «вскипит».
Зарядка постоянным током не очень хорошо сказывается на аккумуляторе, поэтому прибегать к этому методу часто не рекомендуется.
Важно: выбирая устройство зарядки при помощи постоянного тока, стоит присмотреться к тем, у которых есть режим десульфатации. Этот режим позволяет полностью восстанавливать емкость аккумулятора, долгое время (год и больше) стоявшего без дела
Зарядка постоянным напряжением
Метод постоянного напряжения — наиболее длительный, но и наиболее оптимальный для банок аккумулятора способ зарядить их. Здесь используется режим, в котором напряжение постоянно, но вот ток зарядки падает пропорционально оставшейся емкости аккумулятора.
Что это значит на практике? Допустим, полная емкость аккумулятора — 100% заряда. Зарядка идет постоянным напряжением 12-13 В.
При этом ток зарядки уменьшается по мере «наполнения» АКБ. Когда он заряжен на 99%, то ток уменьшается до 1% от исходного значения. Когда уровень заряда достигает 100%, ток падает до нуля.
Такой способ позволяет продлить срок службы АКБ, но сеанс «заправки» на несколько часов дольше, чем при методе заряжания постоянным током.
Поэтому такое устройство хуже подходит для экстренных ситуаций.
Комбинированный метод
Комбинированный метод предусматривает в работе «смену режимов». То есть зарядка идет вначале постоянным током, а потом, когда банки АКБ заряжены уже на 50-60%, аппарат автоматически переключает режим на зарядку постоянным напряжением.
Комбинированный способ дает возможность восстанавливать работоспособность аккумулятора быстро, но в ьто же время в щадящем режиме, что позволяет сохранить его ресурс работы.
Такой способ позволяет продлить срок службы старых аккумуляторов и не загубить раньше времени новые.
Все «комбинированные» зарядные устройства относятся к импульсному типу (что это такое — читайте ниже) и снабжены микропроцессорным блоком управления.
Виды разъёмов для зарядки
Начнём с разъёмов, которые используются в смартфонах для их зарядки. Ещё пару десятков лет назад типов разъёмов для зарядки было множество — каждый уважающий себя производитель мобильной техники считал необходимым ввести свой стандарт.
В 21 веке положение вещей стало меняться — производители начали договариваться и вводить общие стандарты. Сейчас перечень типов разъёмов получается небольшим, но прежде, чем отправляться в магазин, его придётся изучить.
miniUSB
В начале 2 000 годов большинство производителей мобильных устройств стало переходить на miniUSB. Это позволило использовать гнездо не только для зарядки, но и для обмена данными с внешними устройствами. Сейчас моделей с таким типом интерфейса в магазине не найдёшь, но старыми с miniUSB мы всё ещё пользуемся.
microUSB
Этот тип разъёма появился почти одновременно с miniUSB и сразу же начал вытеснять с рынка последний. MicroUSB получился более компактным и, как утверждают разработчики, более долговечным. Впрочем, заявление это судя по отзывам пользователей, весьма спорно. Сегодня подавляющее большинство смартфонов идут с гнездом microUSB.
USB Type-C
Относительно молодой тип USB-разъёма, который начали устанавливать в ноутбуки, планшеты и смартфоны. Ещё пять лет назад устройство с таким разъёмом было редкостью, сегодня же большинство мобильных гаджетов выпускается с 24-контактным гнездом USB–C. Исключение могут составлять лишь айпады и айподы компании Apple, которая никак не хочет договариваться о стандартах с другими производителями.
Lightning
Как уже было отмечено, Apple, пожалуй, единственная компания, которая никак не хочет договариваться об общих стандартах интерфейса, а продолжает оснащать свои гаджеты уникальными разъёмами. Одним из первых появился магнитный пятиконтактный разъём.
Почти одновременно с ним компания начала выпускать тридцатиконтактные розетки, которые, мягко говоря, были не совсем компактными. Самым же современным оказался восьмиконтактный симметричный разъём. Вилку этого типа можно вставлять в розетку любой стороной.
Из всего вышесказанного можно сделать вывод, что одним из основных критериев при выборе зарядного устройства остался тип вилки, которой оно оснащено. В противном случае придётся искать соответствующий переходник или заменить кабель, если он съёмный.
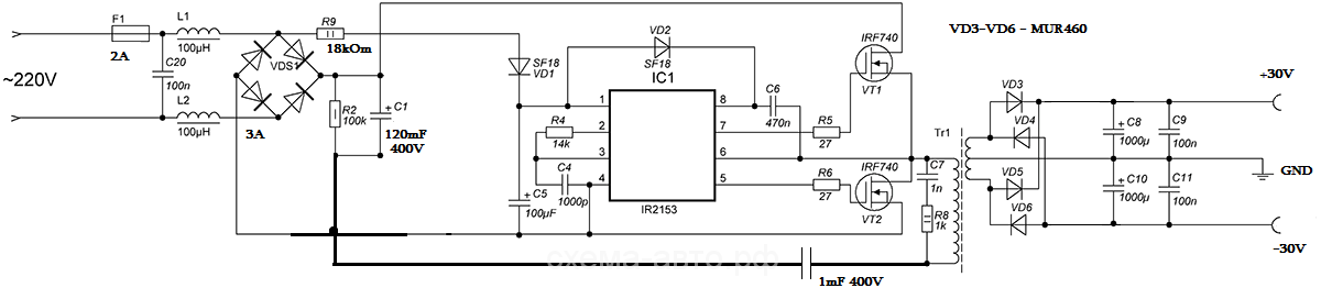
Инструкция по изготовлению импульсного ЗУ своими руками
![]()
Простая схема для изготовления импульсной зарядки
Сделать ЗУ для автоаккумуляторов можно в домашних условиях, рассмотрим процесс изготовления девайса со схемой IR2153. В этой схеме нет двух конденсаторных элементов, подключенных к средней точке, вместо них устанавливается электролит. По этой схеме можно изготовить девайс, который изначально рассчитан на невысокую мощность, но если вы хотите получить более мощное ЗУ, то можете немного изменить схему, добавив в нее мощные компоненты.
Схема импульсного зарядного устройства подразумевает использование ключей 8N50, которые оснащаются защитным корпусом. Также вам потребуются и диодные мосты, их не обязательно покупать в магазине, можно взять со старого БП компьютера. Если у вас нет возможности достать такие диоды, то в принципе, мост можно сделать из выпрямительных диодных элементов, потребуется четыре штуки.
Не менее важным этапом является обустройство цепи питания, для реализации вам понадобится резисторный элемент для гашения тока, наиболее оптимальным вариантом будет резистор на 18 кОм. За резисторным компонентом устанавливается выпрямитель, который монтируется на диоде. В данном случае питание от бытовой сети будет передаваться на плату, это нам подходит. На самом питании нужно будет установить электролит, а его также надо будет соединить с конденсаторным элементом — можно использовать керамическое устройство или пленочное
Конденсатор в обязательном порядке нужно добавить в схему, поскольку это позволит максимально сгладить возможные помехи в работе ЗУ.
Трансформаторный узел можно взять из старого компьютерного БП, важно убедиться в том, что он рабочий. Устройства, которые ставятся в блоки питания, оптимально подходят для изготовления ЗУ, так как они выдают хороший ток на выходе
Диодные элементы трансформатора должны быть в любом случае импульсными, так как обычные детали будут не в состоянии работать в условиях высокой частоты.
Что касается фильтрующего элемента, то его использование не является обязательным, но все же добавить фильтр можно. Также в схему можно добавить термистор на 5 Ом и установить его перед фильтром, это позволит добиться максимального снижения помех. К слову, термистор также можно демонтировать из компьютерного БП.
Не забудьте установить и электролитический конденсаторный компонент, при его выборе необходимо руководствоваться соотношением 1 Вт — 1 мкФ (автор видео о пошаговом изготовлении ЗУ — канал Паяльник TV).
На первый взгляд эта схема может показаться достаточно сложной, но в целом в ее реализации нет ничего сложного. Если вы все сделаете правильно и учтете все моменты и рекомендации, то процесс изготовления не вызовет сложностей, даже если вы никогда ранее не сталкивались с такой задачей.
Фотогалерея «Схемы для изготовления ЗУ»
Ниже представлены более сложные схемы для изготовления зарядных устройств. Если вы владеете навыками, то можете использовать эти схемы.

1. Более сложная схема для импульсного ЗУ

2. Схема мощного импульсного прибора
Назначение антимагнитной наклейки
Цены на услуги водоснабжения постоянно растут и предприимчивые граждане выискивают всевозможные лазейки, чтобы снизить финансовое бремя коммунальных расходов.
Для борьбы с нарушителями разработали антимагнитные пломбы.
Нехитрое устройство решает ряд задач:
- повышает эффективность водомеров;
- позволяет контролирующим органам установить факт вмешательства в рабочий процесс счетчика, а именно, применение магнита;
- минимизирует возможности использования воды вне учета прибора.
Поставщики воды повсеместно устанавливают антимагнитные индикаторы на счетчики – отслеживать правонарушителей стало значительно проще.
Простое зарядное устройство для АКБ на основе тиристора
По сути, речь идёт о тиристорном регуляторе. В прилагаемой схеме нет блока защиты, контрольного модуля и иных наворотов. Простота и минимальное количество деталей обусловили популярность этой несложной конструкции.
Возникает вопрос: не проще ли приобрести готовое устройство на тиристорах в магазине? Вроде бы, так и нужно поступить. Но у заводских недорогих ЗУ есть некоторые проблемы. Например, ток настраивается солидным переключателем, элементарно убавляющим либо прибавляющим витки в обмотке II трансформатора. Благодаря этому ток возрастает или падает. Получается грубо, ступенчато. А более качественное ЗУ стоит достаточно дорого. Поэтому имеет смысл сделать простое зарядное устройство своими руками. Плюсы:
- доступность электронных компонентов и невысокая их стоимость;
- лёгкость в поиске требуемой схемы (через интернет);
- плавность регулировки тока зарядки (диапазон 1010 ампер);
- использование импульсного тока, продлевающего эксплуатационный срок аккумулятора;
- простая наладка;
- стабильное функционирование.
Принцип работы схемы и подбор деталей
Перед вами фазоимпульсный регулятор, где главными элементами являются тиристоры. Под текстом – доступная схема зарядного устройства для автомобильного аккумулятора:
Электронные компоненты зарядного устройства для автомобиля, которое вы хотите собрать своими руками, с учётом обозначения:
- С1 – от 047 до 1 мкФ на 63 В;
- R1 сопротивлением 6,8 кОм (Р = 0,25 Вт);
- R2 на 300 Ом;
- R3 на 3,3 кОм;
- R4: 110 Ом;
- R5: 15 кОм;
- R6: 50 Ом;
- R7 на 150 Ом мощностью 2 Вт;
- VD1 – диод импульсного типа, обратное напряжение от 50 В;
- VS1 – тиристор Т-160, 250 или КУ202;
- транзисторы с прямым переходом КТ315 или им подобные (КТ3107 и т. д.);
- транзисторы с обратным переходом КТ361, КТ 3102 и т. п.;
- FU1: предохранитель на 10 А (подойдёт деталь на 15–20 А, с запасом).
На тиристор воздействуют компоненты VT1 и VT2. Затем в работу вступает диод, защищающий цепь от скачков напряжения, возникающих на VS1. R5 в самодельном зарядном устройстве для аккумулятора «вычисляет» I = 1/10 ёмкости. При 60 А/ч используется зарядка в 6 А. Чтобы знать точно, на контактах, ведущим к заряжаемому изделию, желательно вставить амперметр. Это позволит держать контроль над процессом.
Теперь о питании. Схема самодельного зарядного устройства для автомобильного аккумулятора подразумевает применение трансформатора, выдающего от 18 до 22 В. При большем значении сопротивление R7 увеличьте до 200 Ом. Не забудьте элементы моста на диодах закрепить на охлаждающих алюминиевых радиаторах (применяйте специальную пасту). Стоит отметить: использование диодов старого образца типа Д242 подразумевает их установку на радиатор через изолирующие прокладки-шайбы. Номинал предохранителя должен соответствовать применяемому току. Если это до 6 А, то для FU1 вполне достаточно 6,3 А. Ниже – схема для зарядных устройств для автомобильного аккумулятора (обратная сторона печатной платы):
Помимо предохранителя, существуют электронные способы гарантии от замыкания и перепутывания полюсов, что ведёт к выходу из строя ЗУ. Например, у вас имеется изделие, где уже невозможно различить «плюс», «минус». Тогда поможет специальная схема, сигнализирующая о неправильном подключении клемм. Её нужно включать последовательно между АКБ и ЗУ:
Используемые детали:
- R1 и R2 – резисторы сопротивлением по 510 Ом;
- VD1 и МВ2 – диоды (например, 1N4148 или ему подобные);
- VD3 и МВ4 (можно не устанавливать);
- реле любое на 12 В и 15 А (можно вытащить из отслужившего своё UPS);
- светодиоды любые.
Схема работает просто. При соблюдении полярности заряд, ещё имеющийся в батарее, замкнёт контакты реле, процесс начнётся, что подтвердит загоревшийся зелёный светодиод. Если же контакты перепутаны, зажжётся красный сигнализатор. Ниже – печатная плата устройства, защищающего от несоблюдения полярности при зарядке:
Какие ещё имеются варианты ЗУ для АКБ
Рассмотрим ещё несколько вариантов самостоятельных зарядных устройств для аккумуляторов.
Использование зарядки от ноутбука для АКБ
Один из самых простых и быстрых способов оживления севшего аккумулятора. Для реализации схемы оживления АКБ с помощью зарядки от ноутбука понадобятся:
- Зарядное устройство от любого ноутбука. Параметры зарядных устройств составляют 19 В и ток около 5 А.
- Лампа галогеновая мощностью 90 Вт.
- Соединительные провода с зажимами.
Переходим к реализации схемы. Лампочка используется для того, чтобы ограничить ток до оптимального значения. Вместо лампочки можно использовать резистор.
Зарядку для ноутбука также возможно использовать для «оживления» автомобильного аккумулятора
Собрать такую схему не составляет большого труда. Если зарядку от ноутбука не планируется использовать по назначению, то штекер можно отрезать, после чего подключить к проводам зажимы. Предварительно при помощи мультиметра следует определить полярность. Лампочка включается в цепь, которая идёт на плюсовую клемму аккумулятора. Минусовая клемма от АКБ подключается напрямую. Только после подключения устройства к АКБ можно осуществлять подачу напряжения на блок питания.
ЗУ своими руками из микроволновой печи или аналогичных приборов
С помощью трансформаторного блока, который имеется внутри микроволновки, можно сделать ЗУ для АКБ.
Пошаговая инструкция изготовления самодельного зарядного устройства из трансформаторного блока от микроволновки представлена ниже.
- С микроволновки нужно снять трансформаторный блок.
- Удалить вторичную обмотку, после чего заменить её на изолированный провод сечением свыше 2 мм2 .
- Определиться с необходимым количеством витков, которые нужно сделать при помощи изолированного провода. Выяснить необходимое значение можно экспериментальным путём. Для этого необходимо намотать 10 витков, после чего измерить выходное напряжение. К примеру, если его значение будет составлять 2 В, то для достижения 14,5 В понадобится сделать около 70 витков. Выходное напряжение будет зависеть от сечения используемого провода.
С трансформаторного блока микроволновой печи удаляется обмотка
- Для реализации схемы понадобится диодный мост и мощный конденсатор.
- По желанию в цепь можно включить амперметр, который будет показывать ток.
Схема подключения трансформаторного блока, диодного моста и конденсатора к автомобильному аккумулятору
Сборку устройства можно осуществлять на любом основании
При этом важно, чтобы все конструкционные элементы были надёжно защищены. При необходимости схему можно дополнить выключателем, а также вольтметром
Бестрансформаторное зарядное устройство
Если поиски трансформатора завели в тупик, то можно воспользоваться простейшей схемой без понижающих устройств. Ниже представлена такая схема, которая позволяет реализовать ЗУ для аккумулятора без использования трансформаторов напряжения.
Электрическая схема ЗУ без использования трансформатора напряжения
Роль трансформаторов выполняют конденсаторы, которые рассчитаны на напряжение величиной 250В. В схему следует включить минимум 4 конденсатора, расположив их параллельно. Параллельно конденсаторам в цепь включается резистор и светодиод. Роль резистора заключается в гашении остаточного напряжения после отключения устрйоства от сети.
В цепь также включается диодный мост, рассчитанный на работу с токами до 6А. В схему мост включается после конденсаторов, а к его выводам подключаются провода, идущие на АКБ для зарядки.




























