ЭКОНОМИЧНАЯ СХЕМА ПОДКЛЮЧЕНИЯ ГЕНЕРАТОРА К СЕТИ
Подобная схема отличается высокой надёжностью, поскольку при её использовании риск пожара не возникает. Но назвать её самой удобной, пожалуй, нельзя.
Если вы различаете фазный и нулевой провод (имеете навыки электрика), то можете подключить генератор к сети с помощью рубильника, способного работать в одном из трёх положений (рис. 1).

В качестве такого выключателя-разъединителя можно использовать, например, переключатель IEK ВРТ-63. В зависимости от варианта исполнения он рассчитан на номинальной ток в 16, 25, 32 или 60 А. Это позволяет подключить автономные источники питания мощностью до 8,8 кВт в однофазном исполнении и около 20 кВт в трёхфазном.
Модульные трёхпозиционные переключатели могут быть одно- и двухполюсными для работы с однофазными генераторами разных типов, а также трёх- и четырёхполюсными для трёхфазных моделей электростанций.
При отключении электроэнергии сначала вам придётся запустить и прогреть на холостом ходу генератор и только потом, используя трёхпозиционный рубильник, перевести сеть потребителя на автономный источник. Когда централизованное электроснабжение восстановится, очерёдность действий будет обратной: необходимо перевести переключатель в нейтральное положе ние или через нейтральное положение на сетевое питание, после чего остановить автономную электростанцию.
Следует понимать, что аппараты типа ВРТ-63 предназначены только для коммутации. Предохранять электросеть от перегрузок и короткого замыкания должны устройства дифференциальной защиты и автоматические выключатели.
Подключение генератора. Варианты схем АВР для генератора
Сразу скажу, что генератор тут ни при чём, это в данном случае всего лишь источник резервного питания. В качестве этого источника может быть не только генератор, но и вторая фаза, и фаза с другой подстанции или другой линии. Схемы Автоматического включения резерва (АВР) универсальны и могут работать в разных ситуациях.
В принципе, что тут подключать? У генератора есть обычная розетка, в комплекте штепсельная вилка, какие проблемы? Но куда идёт провод от вилки? И как сделать так, чтобы схема подключения была удобной, правильной, а главное – безопасной?
Казалось бы, что проще – поставить переключатель, и нет проблем.

1. Схема подключения генератора через переключатель
Так многие и делают, и я так делаю, в зависимости от финансовых возможностей клиента. Только не надо забывать о двух важных вещах:
- Не переключать под нагрузкой!
- Правильно подобрать защиту и ток рубильника (переключателя).
Но мы не ищем лёгких путей, нам подавай автоматику и защиту от аварий и человеческого фактора.
Поэтому предлагаю рассмотреть второй вариант схемы:

2. Схема подключения генератора через реле контроля напряжения. Простейшая схема АВР.
Во второй схеме АВР применяется реле контроля напряжения KV. Фактически это обычное реле, которое находится во включенном состоянии, когда напряжение из города в норме. И перекидной контакт будет в левом по схеме положении.
Когда напряжение из города пропадает, реле выключается, и схема приобретает изображенный вид – нагрузка питается от генератора.
Реле контроля напряжения – основа любой схемы АВР. Для однофазных схем это обычное реле, которое питается от основной фазы.
Для трехфазных схем применяется трехфазное реле контроля фаз, которое подробно описано в другой моей статье.
Идём далее, совершенствуем схему АВР для автоматического подключения генератора:

3. Схема подключения генератора через реле и контакторы. АВР с усилением
Третья схема отличается от второй тем, что она может пропускать через себя гораздо бОльший ток. Реле напряжения KV используется только по своему назначению – автоматически переключает нагрузку, подавая питание на катушку соответствующего пускателя.
Когда напряжение из города есть, KV включено, оно своим нормально открытым (НО) контактом включает контактор КМ1, и фаза L1 поступает на нагрузку (выход схемы L).
Когда напряжение из города поступать перестаёт, KV выключается, и своим НЗ контактом включает контактор КМ2, и фаза L2 поступает на нагрузку.
Схема прекрасная, и даже рабочая. Но использовать её крайне опасно. Из-за отсутствия защит от замыкания “фаза L1 на фазу L2”. Такое замыкание может произойти из-за неисправности (залипания контактов, заклинивания реле или контакторов), или из-за пресловутого человеческого фактора – что если колхозный электрик решит нажать пускатель КМ2, когда включен КМ1?
Так вот, чтобы на порядок уменьшить вероятность аварий, на практике применяется такая схема АВР для генератора:

4. Схема АВР для генератора с электрической и механической блокировками
Отличие её от схемы 3 всего лишь в том, что в неё введены защиты от одновременного включения контакторов КМ1 и КМ2. Защита имеет две ступени – электрическая и механическая.
Электрическая блокировка реализована на НЗ контактах КМ1 и КМ2, которые взаимоисключают одновременное включение пускателей.
А механическая (обозначена на схеме перевернутым треугольником) обеспечивается конструкцией пускателей. Пускатель в данном случае должен быть обязательно реверсивным, подробнее читайте в статье про схему включения реверсивного пускателя.
Ну а практическая схема автоматики, будет выглядеть так:

5. Схема АВР для подключения генератора с блокировками и защитами
Добавились двухполюсные защитные автоматы QF1 и QF2, и ещё силовой контакт, рвущий нолевой провод N1 в случае отключения города.
Рвать “городской” ноль нужно для дополнительной безопасности. Дело в том, что на выходе генератора нет понятия “рабочий ноль” и “фаза”, и названы они так могут быть условно. И в случае залипания “фазного” контакта, когда ноль N1 не разорван (как в схеме 4) в городскую линию пойдёт напряжение 220В.
Эту схему я и собрал, сейчас покажу как.
Подключение бензогенератора одно и трехфазное
Схема подключения трехфазного генератора электропитания к дому, даче при наличии такой же сети подразумевает аналогичные подключения, как и при однофазной системе. Единственная особенность: надо делать больше соединений, так как в данном случае количество жил проводки увеличенное.
Есть важный нюанс: если применять пускатель, то его контакты предназначены для силовых проводов, их не хватит для катушки, нужно решить, откуда брать питание для нее.

Подключение однофазного генератора к такой же сети не имеет описанной сложности – фаза одна, такой вопрос просто не возникает. При трех фазах — L1, L2 и L3 — все сложнее. Решение вкратце простое: для управляющей цепи допустимо взять любую из фаз, но только одну. Например, если катушка КМ1 питается от L3, то контроль для остальных пускателей, клавиши старт/стоп тоже «вешать» только на нее. Сделать это легко: помечают маркером или запоминают цвет провода с нужной фазой
Несовпадение фазности рассмотрим вкратце, так как это отдельная тема. Подключение трёхфазного бензогенератора на однофазную сеть возможно, например, используют одну из силовых жил и рабочий ноль. Но мощность урезается в 3 раза, а бензина потребляется как обычно. А если развести 3 однофазных подключения может возникнуть перекос фаз. Поэтому применяют и более сложные схемы.
Подключение к трехфазной сети дома генератора однофазного также возможно. Есть много схем, но самая простая такая: параллельное объединение 3 фаз и подсоединение к 1 фазе электростанции. На каждой фазе нагрузка будет распределена равномерно.


Руководство по выбору: однозначно надо покупать трехфазный генератор, если в доме есть потребители одно и трехфазные одновременно, что часто бывает в частном жилье. Обычно на изделии есть розетка на 380 В и на 220 В, то есть им одновременно можно запитывать два типа приборов.
Заземление
Заземлить резервный источник надо обязательно — на корпусе возникает статический заряд. Потребуется соорудить отдельный контур заземления. Идеально, если есть возможность создать полноценную конструкцию, но также подойдет и простой способ. Потребуется металлический стержень 1.5–2 м, болт или хомут (металлический), мягкий медный провод (большого сечения от 4 мм²). Жилу присоединяют хомутом к штырю. Или же приваривают болт и крепят к нему. Стержень вбивают в землю, другой конец провода закрепляют на корпусе генератора.

Итак, представленные схемы помогут пользователю определиться, стоит ли собирать системы автозапуска, покупать АВР или же обойтись ручным запуском.
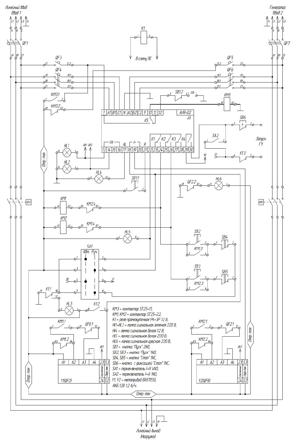
Ввод№1+генератор (резерв)
Ну и напоследок рассмотрим чаще всего применяемую схему АВР для частного дома – ввод№1+генератор.
Далеко не все имеют два независимых ввода, плюс еще и ДГУ. Зато наличие отдельно генератора у владельцев особняков, не такая уж и большая редкость.
Основное эл.снабжение осуществляется от первого ввода. Принцип работы здесь такой же как и рассмотренный выше.
При изменение параметров напряжения на выходе за его номинальные значения (резко упало или повысилось, исчезло), происходит смена источника оперативного напряжения. Контакт КМ3.1 размыкается, а контакт КМ3.2 замыкается.
Также размыкаются контакты 22 и 24. Пускатель QF2 выключается. Спустя три секунды AVR 02 дает сигнал на запуск генератора. После его прогрева, происходит замыкание контактов 22-26. Подается напряжение на катушку КМ2 и включается пускатель QF8.
Вся нагрузка переводится на генератор.
Опять же, спустя установленное время, происходит замыкание №22-№24, после чего включается КМ1 и QF2. Питание восстанавливается от основного ввода. При этом контакты 29-30 будут замкнуты пока генератор не охладится.
Время расхолаживания ДГУ лучше выставлять в районе 3-5 минут.
Можно ли подключать сварку при работе ABP
Подключать сварку к генератору можно тогда, когда достаточно мощностиИсточник burforum.ru
Вы, наверное, понимаете, что автозапуск бензогенератора, это хорошо, только вот не все мощное оборудование карбюраторный агрегат сможет вытянуть. Для примера мы рассмотрим выбор такого устройства, которого будет достаточно для работы электрической сварки, как одного из самых мощных потребителей энергии, возможных в бытовых условиях. При этом будем рассматривать компромиссные решения, когда главным прибором будет не только сварочный аппарат, но и генератор с дизелем, газом или карбюратором. Кстати, не меньшая мощность потребуется для столярной мастерской, если она укомплектована профессиональным оборудованием.
Итак, если ваша система автозапуска бензинового генератора оборудована инвертором и при этом выходная мощность агрегата, указанная в документах или на корпусе, совпадает с потребляемой мощностью сварки, это еще не все. Существуют не только основные, но и дополнительные величины, влияющие на напряжение:
- потребляемая мощность сварочного аппарата;
- диапазон напряжения;
- maximum инвертора по сварочному току;
- параметры вольтажа дуги;
- предполагаемая длительность рабочего процесса;
- КПД.
Примечание: также важно учитывать состояние электрической проводки в здании и режимы сварочных работ, предусмотренные на то время, когда осуществится автоматический запуск генератора при отключении электричества.
Очень важно учитывать фактор ложной информации, то есть не особо мощные инверторы, подключенные в схему ABP не всегда способны выдать 220 V. Но в таких случаях обращаемся к техническим параметрам сварочного аппарата и, если агрегат способен работать при напряжении 150-200 V, значит, все в порядке и проблем у вас не возникнет
Технические параметрыИсточник asutpp.ru
Когда заранее известно, что при отключении основного источника питания будет совершен автоматический ввод резерва, и при этом будут производиться сварочные работы, не лишним будет изучить таблицу, приведенную выше. Так вы сможете подобрать оптимальное соотношение для генератора с ABP и аппарата электросварки.
Совет: при выборе соотношения мощности генератора и сварочного аппарата лучше всего, если на выходе будет запас, то есть, при вводе резерва вы получите больше, чем нужно для работы оборудования.
Описание возможных методов подключения ABP
Взаимосвязь контактов КМ1 и КМ2Источник asutpp.ru
Когда осуществляется подключение генератора с автозапуском, самое главное в этом процессе позаботиться о том, чтобы исключить малейшую возможность попадания в схему встречных токов. Это может случиться при неправильном срабатывании контакторов, то есть, питание пойдет с двух источников. Вверху есть простенькая схема с клеммами K1 и K2, которые всегда должны находиться в разном положении. Когда включается один, другой обязательно размыкается и наоборот. На данный момент в интернете можно найти не одну схему, указывающую, как происходит автозапуск для бензогенератора, но общий принцип с учетом положения K1 и K2 никогда не изменится.
Принцип подключения ввода резерва никогда не изменяетсяИсточник asutpp.ru
Также никогда не меняется место расположения ABP на схеме, хотя физически его можно повесить где угодно – даже на потолке. Суть врезки заключается в том, что автомат всегда будет между электросчетчиком и подстанцией и никто не станет ставить его после счетчика, чтобы не пришлось платить за электроэнергию, которую вы сами и производите.
Принципиальная схема для частного домаИсточник asutpp.ru
Когда речь идет о частном доме, то автозапуск для генератора можно собрать по схеме, расположенной выше. Да, вы видите именно принципиальный варрант установки ABP, но для того, чтобы составить конкретную схему монтажа, нужно в точности знать расположение, вид и мощность оборудования, которое должно запускаться от резерва. Так что, если проявите немного смекалки, то подтянете эту схему к потребностям вашего здания и электроприборов, расположенных в нем.
Детальная схема подключения АВРИсточник asutpp.ru
Прежде чем самостоятельно собирать систему по принципиальной схеме, изучите этот вариант в деталях, как показано на изображении вверху. Здесь K1 и K2, это контакторы, о которых мы говорили выше, а обведенные окружностями цифры показывают номера клемм. То есть, если вы разберетесь с тремя схемами, приведенными в этом разделе (Описание возможных методов подключения ABP), то сами сможете установить автоматический запуск генератора для своего дома.
Выбор
Покупатель должен с самого начала определить, какие технические параметры для него — самые важные. Стоит присмотреться к таким показателям:
- Масса.
- Габариты.
- Мощность.
- Потребление топлива.
- Уровень шума.
- Длительность работы.
Автоматизация и цена вопроса — параметры, к которым тоже присматриваются
Это важно для тех, кто интересуется, как подключать генератор к сети дома, схема которой размещается на специализированных сайтах

Работа генераторов
По параметрам
Многие сначала ищут ответ на вопрос о том, сколько фаз должно быть у генератора для максимально удобной эксплуатации. Для этого нужно понять, какие электроприборы будут подключаться. Трёхфазные варианты допускают соединение как с одно-, так и с трёхфазными приборами. Однофазные сочетаются только с одним видом потребителей. Но это не означает, что модели с большим количеством фаз станут лучшими при любых обстоятельствах.
На каждой фазе максимальная нагрузка должна составить не более 30%. Значит, реально владельцы не смогут использовать больше трети от номинальной мощности, которой изначально обладает розетка. Например — номинальная мощность трёхфазного генератора равна 6 кВт. Значит, не более 2 кВт можно снять с обычной розетки на 220 В. Нагрузки всё равно требуется распределять по нескольким фазам при подключении однофазного генератора к трёхфазной сети дома.
Вам это будет интересно Все об подсветке потолка
Обратите внимание! Для мощности также проверяют параметры приборов, которые планируется подключать
При этом важно иметь запас хотя бы на 20-30%. Иначе можно столкнуться с такими проблемами, как перегрузка и остановка работы
Топлива тоже будет расходоваться слишком много
Иначе можно столкнуться с такими проблемами, как перегрузка и остановка работы. Топлива тоже будет расходоваться слишком много.

Работы по подключению
По типу
Выпускаются синхронные и асинхронные разновидности устройств. Выбор предполагает внимательное изучение характеристик каждой из существующих моделей.

Устройство сети
Асинхронные
Главная их проблема — неспособность воспринимать так называемые пиковые нагрузки. Хотя и эти приборы можно использовать для сохранения нормальных показателей по напряжению. Они подходят для совместной эксплуатации с техникой, чувствительной к перепадам по напряжению:
- Электронные устройства.
- Вычислительная техника.
- Медицинские приборы, поддерживающие бензиногенераторы.
Остаточная намагниченность ротора — главный источник энергии для таких приспособлений. Поэтому срок службы у асинхронных генераторов больше, чем у ближайших аналогов. Они не требуют применения систем с охлаждением, корпус агрегата полностью закрытый. Благодаря этому защита от пыли и влаги гарантирована в полном объёме.
Интересно! Асинхронный генератор невосприимчив к коротким замыканиям. Поэтому для сварочных аппаратов этот источник энергии — оптимальное решение. Но к перегрузкам подобные устройства могут быть весьма чувствительными. Поэтому запрещается их подключать к приспособлениям с первоначально высокими пусковыми токами.

Устройства с автозапуском
Синхронные
Качество тока в данном случае более низкое, если сравнить с предыдущим вариантом. Подходят, чтобы организовать аварийное питание при различных обстоятельствах:
- Офисы.
- Холодильные установки.
- Электрооборудование в дачах, загородных домах.
- Строительные объекты.
Есть у таких приборов и некоторые положительные качества:
- Устойчивость к кратковременным перегрузкам.
- Способность нормально переносить пиковые нагрузки, в том числе — при механической нагрузке.
Но защищённость от влаги с пылью и грязью хуже, чем у асинхронных конструкций. Ведь для охлаждения таким генераторам требуется пропустить через себя определённое количество воздуха. Синхронный генератор понадобится, если применяются приборы, работающие с реактивной нагрузкой. Тогда мощность будет меньше.

Перекидные рубильники
Фазность
О ней уже было сказано выше. Покупать трёхфазные генераторы стоит только при наличии в доме потребителя с соответствующими характеристиками. Если же все приборы однофазные — то и генератор выбирается такого типа. Это касается даже ситуаций, когда есть трёхфазная сеть, соединённая с домом.

Соединение с сетью
https://youtube.com/watch?v=QCtzlFM-QLY
Автозапуск генератора своими руками
При наличии определенных навыков в электротехнике можно самостоятельно собрать схему, способную без участия человека запустить генератор, когда на магистральной линии пропадет электричество. Главное условие – для этого нужна модель генератора, которая запускается и останавливается ключом, так как автоматизировать стартер, который надо дергать за шнур, дело заведомо неблагодарное.
Чтобы понимать принцип работы автоматического запуска надо точно представлять себе весь порядок действий, которые придется проделать для включения генератора:
1. Через 1-2 минуты после пропадания света, открыть воздушную заслонку двигателя и завести его. Задержка во времени нужна на тот случай, если свет просто моргнул или отключился на несколько секунд.
2. Еще через 2 минуты, когда двигатель прогреется, переключить нагрузку с магистральной линии на генератор, потом закрыть воздушную заслонку.
3. При появлении электричества на основной линии через 30-60 секунд отключить двигатель и переключить нагрузку с генератора на магистральную линию
Чтобы реализовать этот алгоритм, понадобятся четыре реле времени, четыре электромагнитных пускателя и магнитные толкатели с концевыми выключателями, наподобие сервоприводов, которые используются для центрального замка автомобиля. В стандартном электромагнитном пускателе есть катушка (КМ), нормально разомкнутые силовые контакты (КМк), 2 нормально разомкнутых управляющих контакта (КМнр1-2) и 2 нормально замкнутых управляющих контакта (КМнз1-2).
На рисунке общая схема подключения генератора к дому с автозапуском – принцип ее работы следующий.
1. Вводной автомат. 2. Счетчик электроэнергии. 3. Генератор. 4. Распределительный автомат. 5, 6. УЗО.
При отключении электричества, катушка КМ4 перестает удерживать в разомкнутом состоянии контакты КМ4нз2, что включает зажигание генератора. Также катушка КМ1 перестает удерживать контакты КМк1 – они размыкаются и теперь линия отключена от домашней сети. Параллельно замыкаются нормальнозамкнутые контакты КМ1нз1 и КМ1нз2. Они запускают сервопривод, открывающий воздушную заслонку двигателя, и подают импульс для старта Реле времени 1 – через минуту замкнется контакт ключа и стартер запустит двигатель.
Старт генератора вызывает срабатывание катушки КМ3, которая размыкает нормально замкнутые контакты КМ3нз1 и КМ3нз2, чем останавливает стартер и обесточивает Сервопривод-1. Параллельное замыкание нормальнозамкнутого контакта КМ1нз2 подает импульс на другое реле времени – через две минуты запустится Сервопривод-2, закрывая воздушную заслонку, и сработает катушка КМ2, замыкая контакты КМк2, после чего ток подается в дом с генератора.
Чтобы обеспечить обратное переключение сначала надо через 1-2 минуты после появления электричества разомкнуть цепь катушки КМ2 и заглушить двигатель, для чего используется Реле времени 3 и пускатель КМ4, при срабатывании которого размыкаются нормально замкнутые КМ4нз1 и КМ4нз2. При отключении катушки КМ2 замыкается нормально замкнутый контакт КМ2нз1, который по истечении двух минут, через Реле времени 4 включает катушку КМ1 – теперь генератор обесточен и готов к следующему запуску, а питание в дом идет от магистральной линии.
Это только один из возможных вариантов автоматизации запуска. К примеру, при желании схему можно упростить убрав из нее реле времени и сервоприводы воздушной заслонки. Правда это можно делать только в том случае, если двигатель хорошо заводится, и вообще все его комплектующие хорошо отлажены.
Основной недостаток любой подобной схемы – она управляет автозапуском генератора, но не сможет отреагировать даже на незначительную нештатную ситуацию. К примеру, если заклинит воздушную заслонку, то двигатель будет работать на повышенных оборотах, а при неисправности самого двигателя внутреннего сгорания – если он не заводится – в лучшем случае, сядет аккумулятор.
Статьи
Как обеспечить загородный дом электроэнергией при нестабильной работе электросети? Приобрести резервный источник питания – надежный качественный генератор – и подключить его к сети дома. Правильное подключение позволит грамотно и безопасно использовать приобретенный агрегат и обеспечивать, тем самым, дом электричеством во время сбоя работы основной сети.
Как подключить генератор?
Есть два варианта ответа – своими руками или воспользовавшись услугами специалистов. Самостоятельное подключение резервного бензогенератора или дизель-генератора к сети частного загородного дома или дачи для использования его в качестве автономного источника энергоснабжения не совсем разумно. Отсутствие знаний и опыта может привести к серьезным и опасным последствиям.
Подключение резервного источника подразумевает решение многих предшествующих этому этапу задач, среди которых:
- время отсутствия электричества – как долго и насколько часто требуется бесперебойная подача энергии;
- количество и объем мощности приборов, которые обязательно должны быть подключены к источнику электричества;
- выбор места для генератора с учетом удобства его использования, безопасности работы, обеспечения защиты агрегата и т.д.
Также, перед тем как подключить резервный генератор к электросети загородного или дачного дома, нужно определиться с тем, какое оборудование для конкретной сети выбрать – дизельный или бензиновый электрогенератор, однофазный или трехфазный, с автоматическим или ручным запуском. Каждый из видов обладает своими особенностями, которые необходимо учитывать, ведь оборудование чаще всего выходит из строя по причине неправильно подобранного агрегата и неграмотного монтажа.

Мы рекомендуем заранее продумать следующие моменты: установка в помещении или на улице, стационарный или мобильный генератор, целесообразность автоматического запуска или готовность к заметным расходам, необходимых для правильного подключения резервного генератора. Любой вариант имеет право на существование, мы умеем это сделать хорошо, но иногда не очень продуманное решение требует несопоставимых затрат. Только 17-летний опыт позволяет нам видеть многие подводные камни, о которых владельцы домов даже не подозревают.
Что дает обращение к услугам специалистов?
Профессиональная помощь – это:
- безопасное подключение электрической части с учетом индивидуальных особенностей вашего дома, например, подключение однофазного генератора к трехфазной сети дома;
- создание грамотной системы выхлопа, вентиляции, шумоизоляции;
- обеспечение дома электропитанием без участия человека, автоматически запуская станцию;
- гарантированно стабильное наличие электроэнергии в доме, когда пропадает внешняя сеть на участке, и т.д.
Если вы закажете услугу подключения дизельного электрогенератора или бензогенератора к домашней сети у нас, в компании GENERATORA.net, то вместе с профессиональной, грамотно и надежно выполненной работой вы получите немало преимуществ.
К ним относятся:
- гарантия на монтажные работы;
- снижение вероятности поломок в процессе эксплуатации;
- возможность сэкономить на ремонте оборудования в гарантийный и послегарантийный период.
Узнать подробнее о том, как правильно выбрать и подключить бензогенератор или дизельный генератор (однофазный или трехфазный) к сети дома силами наших профессионалов, можно у сотрудников магазина. Помимо монтажа мы также показываем и обучаем, как правильно пользоваться оборудованием. Наши специалисты всегда готовы ответить на любые вопросы и предложить выгодную схему сотрудничества.
Использование перекидного рубильника
По сути, это тоже подключение к распределительному автомату, только без необходимости отсоединения вводной проводки. Перед автоматом монтируется переключатель на три позиции, позволяющий избежать откручивания проводки. Задача этого рубильника заключается в том, чтобы переключать питание сети с одной ветки на другую (от внешней сети или генератора). Подбирать рубильник для выполнения такой функции нужно с 4 вводными клеммами (2 «фазы» и 2 «ноля»), так как генератор имеет собственный «ноль», и трёхклеммный переключатель в этом случае не подойдёт.
Альтернативой 3-позиционного переключателя может стать установка рядом пары двухполосных автоматов, но повёрнутых друг к другу на угол 180 градусов. Клавиши обеих устройств скрепляют штифтами через специально предусмотренные для этих целей отверстия. В работе при переключении клавиш, например, вниз, такая комбинация автоматов будет блокировать питание сети от внешней линии и открывать путь для электротока, вырабатываемого автономным генератором. Обратное же действие с клавишами приведёт к пропуску тока из линии электропередач и блокировке поступления энергии от генератора.
Читать также: Пружинный и математический маятники колебания формулы
Устанавливать такой переключатель для удобства стоит в непосредственной близости к устройству для генерации, так как его запуск происходит в определённой последовательности:
- Непосредственный пуск двигателя генератора.
- Прогрев устройства.
- И только потом подключение нагрузки.
Естественно, удобнее выполнять эти действия и контролировать процесс в одном месте.
Для исключения работы генератора впустую, то есть когда на резервную линию уже будет подано напряжение, необходимо перед рубильником смонтировать вывод для лампы. Её включение даст сигнал о необходимости отключить автономный источник и выполнить переход на снабжение электротоком от магистральной линии электропередач.
Как правильно выбрать трехфазный генератор
Дизельный генератор трехфазный PACIFIC I T16K, SDMO (Франция) 11,6 кВт
При выборе фирменных агрегатов придется учесть следующие характеристики:
- вид энергоносителя;
- выходная мощность устройства;
- наличие дополнительных функций.
Вид топлива выбирается с учетом конкретных условий эксплуатации (удобства хранения горючего в жилом доме). Выходная мощность приобретаемого агрегата подбирается с учетом предполагаемой нагрузки, этот показатель варьируется от 5 до 6 кВт на каждую однофазную ветвь
При знакомстве с дополнительным функционалом особое внимание уделяется следующим возможностям:
- регулировка параметров 3-х фазного напряжения (его формы, в частности);
- возможность подключения дополнительных линий (нагрузочная способность);
- наличие электромагнитного реле-регулятора.
Применение перекидного рубильника
Если средние контакты рубильника подключить к потребителю, а крайние — к кабелю электростанции и к вводу электросети, схемы источников питания никогда не пересекутся. Будет еще лучше, если у рубильника будет еще одно промежуточное нейтральное положение.
Исходное состояние рубильника считается, когда подключена главная сеть. При его переключении питание начинает поступать от генератора.
Недостатком перекидного рубильника старого образца является искрение и открытость токоведущих частей. Современные конструкции снабжены защитным кожухом, закрывающим подвижные детали. Переключатель крепится в щите управления. Исходное положение — это подключение к главной сети. При сбое в подаче электроэнергии рукоятку переключения устанавливают в нейтральное положение, а затем запускают генератор, прогревают его и подключают к нагрузкам в доме.






























