Принцип работы и назначение измерительного трансформатора
Нужны достижения определенных показателей, при которых верно функционирует оборудование. Монтаж приборов нужно поручить опытным специалистами. Они должны обладать группой допуска к электротехническим работам как минимум третьего уровня. А перед монтированием трансформаторов тока (ТТ) нужно проверить механизм на присутствие изъянов. Они могут возникнуть в результате неправильной сборки или повреждений.
Измерительные трансформаторы превращают базовые сведения электрических цепей (напряжение или ток), сокращая их количество до предписанного значения. Работают аппараты по-разному. Это обусловлено их внутренним механизмом и предназначением.
Обозначение упрощает обращение с ними. Оно поможет выбрать наиболее подходящий механизм. Маркировка прибора обусловливается типом механизма. Например, ТТ свойственны такие обозначения, как: «Т» (1-ая буква) – трансформатор тока. А 2-ая буква в названии указывает на тип механизма.
Обозначения и их значения:
Третья буква обозначается вещество изоляции. Правильное изолирование токопроводящих деталей способствует безопасности.
Обозначения веществ изоляции и их значения:
После букв есть числовые обозначения. Эти обозначения указывают коэффициент трансформации, климат и класс изоляции.

Подсоединение трансформаторов тока
В процессе выполнения последовательного подключения вторичной обмотки в условиях параллельного подсоединения, позволяет уменьшать трансформирующий коэффициент и увеличивать уровень тока на вторичной цепи. Первичные обмотки подсоединяются исключительно в последовательности, а вторичные — в любом положении.
Последовательное подсоединение
При варианте последовательного подключения токовых трансформаторов, обеспечивается повышение нагрузочных показателей. В этом случае применяются трансформаторы, имеющие идентичные показатели kТ.

Соединение обмоток трансформатора последовательно
При протекающем через прибор одинаковом токе, величина поделится на коэффициент два, а уровень нагрузки снизится в пару раз. Применение такой схемы актуально при подсоединении Y/D с целью обеспечения защиты дифференциального типа.
Если устройству требуется напряжение в 12 Вольт, необходимо подключать его через трансформатор. Трансформатор 220 на 12 Вольт – назначение и принцип действия рассмотрим подробно.
Об особенностях использования и монтажа шины заземления вы узнаете из этой информации.
Параллельное подсоединение
При использовании токовых трансформаторов, обладающих одинаковым уровнем kТ, отмечается появление результативного трансформирующего коэффициента, сниженного в пару раз.
Таким образом, при последовательном подсоединении вторичных обмоток обеспечивается повышение уровня выходного напряжения и показателей мощности в условиях сохранения номинальных значений выходного тока.
Если обмотка вторичного типа на каждом трансформаторе предполагает напряжение на выход 6,0 В при номинальных токовых показателях 1,0 А, то последовательное подсоединение позволяет сохранить номинал, а уровень мощности повышается в два раза.
Параллельное подключение вторичной обмотки в таком варианте помогает обеспечивать показатели напряжения на выходе 6,0 В, а также уровень тока — в два раза выше.
Принцип работы
Трансформаторы тока получили широкое распространение при измерении напряжения в релейных защитных устройствах электротехнических систем. В связи с этим от них требуется достаточно высокая точность измерений. Одновременно обеспечивается безопасное измерение, когда измерительные цепи изолируются от первичной цепи, имеющей очень высокое напряжение, до нескольких сотен киловольт. Поэтому в них применяют две группы обмоток. С помощью одной подключаются устройства защиты, а с помощью другой подключаются средства учета и измерения, например, электрические счетчики.
Производится обязательное заземление вторичных обмоток трансформатора. Это вызвано тем, что высокое напряжение, способно пробить изоляцию трансформатора. Трансформатор может выйти из строя и создать угрозу жизни для обслуживающего персонала.

Принцип действия
Работа всех подобных приборов основывается на следующем принципе. У любого устройства есть силовая первичная обмотка. В ней содержится определенное количество витков провода, через который проходит напряжение.
На своем пути току приходится преодолевать препятствие, связанное с полным сопротивлением. В непосредственной близости от катушки создается магнитный поток. Его улавливает магнитопровод. В отношении проходящего тока он должен быть расположен перпендикулярно. При этом процесс превращения магнитной энергии в электрическую будет сопровождаться минимальными потерями.
Таким же образом располагается и вторичная обмотка. При пересечении ее магнитным потоком активируется электродвижущая сила, что приводит к образованию электричества.
Требуется приложение достаточных усилий для преодоления сопротивления катушки и выходной нагрузки. Поэтому возникает снижение напряжения, которое существует во вторичной цепи.
Принцип функционирования трансформатора тока основывается на явлении электромагнитной индукции
Особенности функционирования трансформаторов определяются предназначением устройств:
- Трансформаторы для сварки действуют по принципу максимальной отдачи. Они обладают возможностью выдерживать значительные нагрузки, при которых имеет место высокое напряжение.
- Работа однофазного трансформатора связана с эффектом, который проявляет магнитный поток. При замыкании вторичной обмотки возникает электродвижущая сила. По закону Ленца наблюдается уменьшение величины магнитного потока. На первичную обмотку однофазных устройств осуществляется подача постоянного тока, потому уменьшения магнитного потока не происходит.
Включение в схему систем защиты
Электрический счетчик является всего лишь прибором учета и никакой защиты от нештатной ситуации не имеет. Он легко сгорит при перегрузке сети, не защитит оборудование при перенапряжении, не спасет людей при пробое изоляции и аварии оборудования. Именно поэтому все приборы учета дополняются теми или иными системами защиты. Основными и самыми необходимыми из них считаются:
- Защита от тока утечки.
- Защита по перегрузке.
Для выполнения первых задач служат так называемые дифференциальные выключатели или УЗО – Устройства Аварийного Отключения. Задачу по перегрузке решают обычные предохранители (пробки) или автоматические выключатели, именуемые в быту «автоматами». Изготавливаются они обычно как отдельные устройства, но нередко УЗО и автоматы совмещают в одном корпусе (дифференциальный автомат).
Автоматический выключатель (слева), УЗО и дифференциальный автомат
Подключить УЗО и автомат не сложнее, чем установить счетчик, но некоторые вопросы все же требуют разъяснения.
Где ставить автомат – до или после счетчика
В принципе и счетчику, и защитному устройству совершенно без разницы, в какой последовательности стоять. Если произойдет, к примеру, короткое замыкание, то ток перегрузки во всей линии будет одинаков. Важнее то, что автоматический выключатель тут же разорвет цепь, спасая саму линию и приборы, к ней подключенные.
Другое дело, что автоматом можно обесточить линию, расположенную за ним, вручную. Это бывает полезным, к примеру, при профилактических и ремонтных работах. Здесь, без сомнения, установка автомата перед электросчетчиком была бы более удобной, но далеко не все поставщики электроэнергии это приветствуют, опасаясь несанкционированного подключения. Поэтому прежде чем поставить выключатель перед прибором учета, поинтересуйтесь в ваших РЭС, можно ли так сделать.
Можно ли установить несколько автоматов
Не можно, а желательно. Это сделает пользование домовой сетью не только более безопасным, но и удобным. Если, к примеру, розетки и освещение заведены на разные автоматы, то при коротком замыкании, скажем, в электроплитке сработает лишь автомат, отвечающий за розетки. Это позволит пользоваться освещением при поиске неисправности.
Где поставить защиту от утечки
С УЗО, в принципе, ситуация та же, что и автоматами. Если, не дай бог, произойдет утечка, то УЗО великолепно сработает, будучи установленным как до, так и после электросчетчика. На практике же дифференциальные выключатели чаще ставят после приборов учета – ни у кого не нужно спрашивать разрешения на установку. Что касается установки нескольких дифвыключателей, каждый на свою линию, то и здесь нет никаких ограничений.
Ну а теперь самое время посмотреть, как подключить однофазный счетчик электроэнергии и автоматы защиты:
Схема включения счетчика и автоматов в однофазную сеть
Монтаж трансформатора тока
Трансформатор тока — принцип работы, назначение и устройство
Перед тем как выполнить непосредственно сам монтаж трансформатора тока необходимо провести его ревизию и проверку сопротивления изоляции. Если она низкая то есть менее 1 кОм на 1 Вольт, то для начала хорошенько просушите его с помощью тепловентилятора или другой тепловой пушки. Сопротивление изоляции стоит при этом проверять каждые полчаса. Во время ревизии также проверяют комплектность устройства, элементов крепежа, состояние фарфоровых диэлектрических частей и корпуса. Осмотреть нужно:
- колодку вторичных выводов для цепей защиты и контроля;
- наличие их обозначений, маркировку;
- паспортную таблицу;
- состояние резьбы на болтовых соединениях выводов;
- наличие гаек и шайб.
Перед тем как непосредственно начать монтаж трансформатора тока, конечно же, всё начинается с отключения высоковольтной установки, проверки отсутствия напряжения на токоведущих частях, а также установки переносных заземлений. Всё это является основными мерами безопасности персонала, производящего монтаж. Затем производится разметка в месте установки, и если необходимо то выполняются сверлильные работы в местах крепления конструкции. Если в помещении сыро, то стоит принять меры, препятствующие образованию коррозии (установка сушек и покраска контактных соединений). Запрещается установка трансформатора и монтаж, таким образом, чтобы их корпуса находились вплотную к друг, к другу. Расстояние должно быть не менее 100 мм.
Желательно если есть возможность то таблички с маркировкой должны быть видны из-за ограждений.
Главное правило подключения любого трансформатора тока, это запрет включения его в цепь без нагрузки на вторичной обмотке. Если нет возможности подключить прибор, то их необходимо соединить между собой, чтобы не возникло большое напряжение на ней, которое почти всегда приводит к выходу из строя измерительного устройства.
Схемы подключения
Схемы подключения счетчика через трансформаторы
Электротехнические счетчики и трансформаторы соединяются с учетом требований безопасности и правил работы, а также особенностями самого прибора. Минимальная температура установки — +5˚ по Цельсию. В противном случае не получится корректного технического соединения – приборы, работающие с напряжением и токами, плохо переносят низкие температуры.
Если требуется подключить трансформатор на улице в холодное время года, необходимо сооружать специальный шкаф – утепленный и герметичный. Сам прибор обычно устанавливают на высоте 1-1,7 метра.
Установка счетчика с трансформаторами тока
Не всегда есть возможность измерять потраченную электроэнергию через счетчик, подсоединенный к сети питания напрямую (в розетку). В цепях с напряжением в 380 Вольт и пределами токов больше 100А – соответственно и потребление вырастает до 60 кВт – требуется монтаж измерительного трансформатора тока. Подобное соединение мастера называют косвенным, но такой способ дает наиболее точные данные. Кроме этого есть и еще два метода:
- полукосвенное;
- звезда.
Первое используется на промышленных предприятиях и крупных заводах с расходом мощности выше 0,4 кВт и током силой более 100А.
Схема «звезда» в свою очередь может быть полной и неполной. Для полной звезды подойдут устройства с равномерным распределением нагрузки и симметричным токовым потоком. Трансформатор устанавливается на все фазы, а релейная обмотка соединяется по форме звезды.
Неполная – двухфазная двухрелейная схема с образованием части звезды. Данная схема быстро реагирует на короткие замыкания (кроме заземления), а также есть возможность установки на межфазных щитках.
Установка многовиткового измерителя
Трехфазный счетчик трансформаторного включения используют в многопроводных сетях. При многовитковых соединениях первичную обмотку катушки заменяют на кабельную. Прибор контролирует движение тока по вторичной обмотке. В остальном – трансформатор работает по тому же принципу, что и оборудование другого типа.
Десятипроводная схема
Десятипроводная схема подключения счетчика с трансформаторами тока
Данный способ подключения подходит для использования в мощных силовых цепях, работа которых обеспечивается трансформаторами. Развязка гальванического типа подходит для промышленных и бытовых нужд и гарантирует безопасность эксплуатации оборудования. Последовательность соединения по клеммам (от первой к последней):
- фаза, вход (А);
- измеряющий контур фазного механизма, вход;
- измерительный привод, выход (А);
- клемма, фаза, вход;
- измеряющий контур фазного механизма, выход (В);
- фаза, выход (В);
- фаза, вход (С);
- контур, измерение фазы – вход.
Семипроводная схема
Упрощенный способ подключения
Подобная схема подключения имеет ряд преимуществ и некоторые недостатки. Незначительно отличается от десятипроводной. Работать со счетчиком удобно – нет необходимости отключать систему полностью при проведении работ со щитком, приборами учета и трансформаторами.
Благодаря заземленным токовым цепям на выходах вторичных обмоток не накапливается опасный потенциал, который часто приводит к коротким замыканиям и сгоранию оборудования. К общей сети подключается испытательная коробка, которая позволяет безопасно отсоединять цепи питания.
Семипроводной способ – один из устаревших, используется редко. Электромонтажеры профессиональных компаний не рекомендуют подключаться более современными способами.
Схема с совмещенными цепями
Подобная схема существенно отличается от предыдущих. Трансформаторы тока с совмещенными цепями подсоединяются через специальные перемычки (путь получается от L1 к L2).
Другие системы подсоединения
Кроме указанных, существуют и иные схемы подключения счетчика к трансформатору. Использование испытательной колодки в соединении – согласно п. 1.5.23 Правил устройства электроустановок – необходимо при активации образцового прибора учета. Это дополнительное оборудование, которое позволяет шунтировать и отключать токовые цепи, активировать счетчики без снижения нагрузки напряжения. Еще один момент – возможность пофазного снятия показаний.
Основа соединения через испытательную коробку – десятипроводная схема. Отличие состоит в установке между прибором учета и трансформаторной конструкцией переходного блока с необходимыми защитными и распределительными функциями.
Как подключить понижающий трансформатор
Чаще всего установка трансформатора требуется чтобы понизить напряжение. Поэтому, как правильно подключить трансформатор такого понижающего назначения, вопрос который звучит очень часто. При подключении этого устройства, главное правильно выбрать его в соответствии с:
- Величиной входного напряжения, то есть подаваемого на первичную;
- Величиной выходного напряжения на выводах, их может быть несколько, в зависимости от конструкции;
- Мощностью, которая зависит уже от мощности потребителей.
Подключение диодного моста к трансформатору может быть выполнено если есть необходимость получения постоянного напряжения. Вот схемы подключения диодного моста к однофазной, или к трёхфазной сети.

Монтаж измерительных трансформаторов
В ОРУ 110 (220) кВ тяговых подстанций применяют измерительные трансформаторы напряжения типа НКФ-110 (220) и трансформаторы тока типа ТФЗМ-110 (220), которые поставляются под монтаж в собранном виде.
Трансформатор напряжения НКФ-110 (трансформатор напряжения каскадный, фарфоровый) состоит из цилиндрической фарфоровой втулки с трансформаторным маслом, смонтированной на тележке и закрытой металлическим колпаком – расширителем с указателем уровня масла. Первичная обмотка, состоящая из двух одинаковых последовательно соединенных секций, находится внутри фарфоровой втулки и подсоединяется началом к зажиму, расположенному на расширителе, а концом – к тележке (земле). Средние точки секций соединены со своими сердечниками. Вторичную обмотку размещают на сердечнике секции, соединенной с землей. На тележке смонтированы выводы вторичной обмотки, заземляющий болт и рым-болты для подъема трансформатора.
Трансформаторы напряжения НКФ-220 состоят из двух блоков.
Для РУ 6, 10 и 35 кВ трансформаторы тока (типов ТЛМ-6, ТПЛ-10, ТФН-35, ТФЗМ-35 и др.) и напряжения (типов НТМИ-10, ЗНОМ-35 и др.) приходят в собранном виде и смонтированными в комплектные ячейки и блоки распределительных устройств заводом-изготовителем. На подстанции комплектные ячейки монтируют на лежневом основании.
Трансформатор тока типа ТФН-35 состоит из первичной и вторичной кольцеобразных обмоток, помещенных в цилиндрический фарфоровый корпус с трансформаторным маслом. Взаимное расположение обмоток имеет вид восьмерки. Такие трансформаторы выпускают с одним или двумя сердечниками. В металлическом колпаке трансформатора расположены зажимы для переключения секций первичной обмотки, маслоуказательное стекло и предохранительный клапан. Выводы вторичной обмотки расположены в коробке основания корпуса трансформатора, на котором смонтированы заземляющий болт и рым-болты для подъема трансформатора.
Измерительные трансформаторы перед монтажом следует тщательно осмотреть, обращая особое внимание на наличие трещин и сколов фарфоровых изоляторов; отсутствие следов течи из уплотнений бака, фланцев изоляторов, механических повреждений бака; уровень масла по маслоуказателю и его исправность; сообщаемость маслоуказателя и расширителя с корпусом трансформатора. При передвижении во время монтажа маслонаполненных измерительных трансформаторов угол наклона их к вертикальной оси не должен превышать 15°
При передвижении во время монтажа маслонаполненных измерительных трансформаторов угол наклона их к вертикальной оси не должен превышать 15°.
Измерительные трансформаторы устанавливают на фундаментные и свайные основания, а также монтируют на единых рамах с разъединителями на лежневые основания.
Трансформаторы наружной установки, монтируемые на железобетонных и металлических конструкциях, должны быть установлены по уровню и отвесу с допуском ±5 мм и надежно закреплены.
Работы по монтажу трансформаторов тока и напряжения производятся в следующей последовательности:
доставляют в транспортной упаковке в рабочую зону и разгружают автокраном грузоподъемностью 5…7 т;
распаковывают и очищают от пыли и грязи, протирая фарфоровую рубашку бензином;
проверяют исправность уплотнений, отсутствие течи масла;
замеряют уровень масла и при необходимости доливают сухим маслом с электрической прочностью не менее 45 кВ;
переключают у трансформаторов тока первичную обмотку согласно заданному проектом коэффициенту трансформации;
устанавливают автокраном грузоподъемностью 5…7 т трансформаторы, выверяя с помощью уровня и отвеса опорные конструкции, при этом маслоуказатели блоков НКФ-220 должны быть обращены в одну сторону;
для трансформаторов напряжения НКФ-220 монтируют медные перемычки между выводами ВН блоков;
заземляют корпус измерительного трансформатора через специальный болт заземления на нижнем цоколе;
устанавливают шкафы зажимов для схемной сборки вторичных цепей.
После монтажа испытывают и проверяют электрические характеристики трансформатора, проводят анализ и испытание масла.
Цепи вторичных обмоток трансформаторов тока должны быть замкнуты через приборы, а при отсутствии их закорочены на зажимах трансформаторов. Неиспользуемые вторичные обмотки следует закоротить на трансформаторах тока. Сечение закороток должно быть не менее 2,5 мм 2 .
Маркирование проводников ТТ в испытательной коробке
А(421); С(421); 0(421), для сетей на три провода для присоединения измерительных приборов в сети U выше 1000В;
А(421); В(421); С(421); 0(421), для 4-проводной сети при присоединении электросчетчиков для сети U выше 1000В.
В испытательной коробке перемычки под номерами 35, 36 и 37 опущены, в гнезда 29 и 31 ИК ввернуты шунтирующие проводники со штекерами.
От измерительного ТН к испытательной коробке идет кабель, он маркируется, как: А(661); В(661); С(661); N(660).

Рис №10. Схема присоединения 3-фазных 2-элементных счетчиков, измеряющих активную и реактивную мощность с использованием измерительных ТТ для 3-проводной сети высокого напряжения с помощью, обеспечивающей безопасное обслуживание испытательной коробки.
Как снять показания со счетчиков электроэнергии меркурий 200, 206, 233, 230, 231, 234
У перечисленных моделей интерфейс аналогичен. Управление осуществляется посредством двух кнопок (см. рис. 3). Одна, с надписью «ВВОД», служит для выбора показаний различных тарифов, вторая, на которой изображено кольцо со стрелкой-указателем, служит для выбора режима.
Лицевая панель трехфазного счетчика Меркурий 230
Процедура снятия показаний осуществляется следующим образом:
- Необходимо установить соответствующий режим, в данном случае «А». Для переключения режимов необходимо кратковременно нажимать кнопу с кольцом, пока под соответствующей буквой на дисплее (отмечено на рис. 3 красным) не появится черточка.
- После установки режима «A» на дисплее отобразится показания для тарифа Т1, для просмотра данных других тарифов (Т2 и Т3) необходимо кратковременно нажать кнопку «ВВОД». Число тарифов определяется настройками счетчика, их производят сотрудники энергетической компании.
- Отображение информации производится в следующем формате:
- Наименование тарифа (Т1-Т3).
- Собственно, показания (число с двумя знаками после запятой).
Обратим внимание, что к данным устройствам имеется специальное программное обеспечение. Благодаря ему можно получить более детальную информацию при подключении счетчика к ПК
Универсальный конфигуратор для линейки счетчиков Меркурий
Как подключить электросчетчик через трансформаторы тока?
Схем такого подключения существует несколько. Разберем все эти схемы применительно к трехфазному варианту включения. Для чего нужны электросчетчики? Вообще счетчики нужны для того, чтобы учитывать электрическую энергию, потребленную в трех- и четырехпроводных сетях с частотой тока, равной 50 герц.Счетчики трехфазного типа бывают следующих видов:
- 3*57.7/100 В;
- 3*230/400 В.
К источнику электроэнергии такие счетчики необходимо подключать с использованием измерительных трансформаторов тока, рассчитанных на вторичный ток 5 А и трансформаторов напряжения со вторичным напряжением 100 В.
Рассматриваемые тут схемы применимы к любым типам счетчиков (и к аппаратам индукционного типа, и к электронным).
Первое, что необходимо помнить, выполняя подключение, это то, что при подключении необходимо соблюдение полярности подключения обмоток (Л1, Л2 – первичная; И1, И2 – вторичная) у трансформаторов тока. Полярность обмоток трансформаторов напряжения, так же, подлежит обязательной перепроверке. Сами трансформаторы, тоже нужно выбирать правильно.
О принципах подключения с использованием трансформаторов тока
Начнем рассматривать схемы подключения со счетчиков, имеющих полукосвенное включение. Таких схем существует несколько.
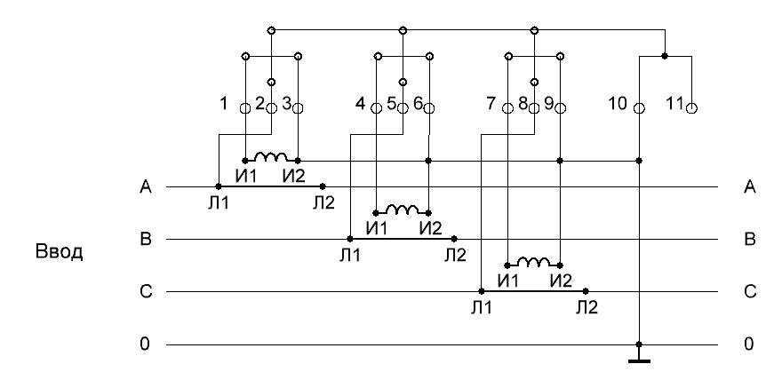
Десятипроводная
В этой схеме разделены цепи питания по току и напряжению, что придает немалый плюс из соображения электрической безопасности.
Отрицательная сторона этой схемы – проводов для подключения надо много.
Теперь разберем назначение имеющихся зажимов:
- Зажим входного провода для фазы А;
- Зажим входного провода измерительной обмотки фазы А;
- Зажим выходного провода для фазы А;
- Зажим входного провода фазы В;
- Зажим входного провода измерительной обмотки фазы В;
- Зажим выходного провода для фазы В;
- Зажим входного провода для фазы С;
- Зажим входного провода измерительной обмотки фазы С;
- Зажим выходного провода для фазы С;
- Зажим входного нулевого провода;
- Зажим нулевого провода.
Контакты трансформаторов тока:
- Л1 – контакт входа фазной (силовой) линии;
- Л2 – контакт выхода фазной линии (нагрузки);
- И1 – контакт входа обмотки измерения;
- И2 – контакт выхода обмотки измерения.
Вот описание схемы такого подключения.
Токовые трансформаторы подключать нужно в разрыв фазных проводов клеммами Л1 и Л2.
Фаза А подключается к клемме Л1 трансформатора тока ТТ1, туда же подключается клемма 2 счетчика. Клемма 1 подключается к контакту И1 ТТ1.
Контакты И2 трансформаторов тока ТТ1 и ТТ2 нужно соединить вместе, в эту же точку подключают контакты 6 и 10 счетчика, после чего все это требуется соединить с нейтралью.
Контакты Л2 всех ТТ подключаются к нагрузке. Теперь рассмотрим подключение остальных контактов:
- Контакт 3 счетчика подключаем на И2 ТТ1;
- Контакт 4 счетчика – И1 ТТ2;
- Контакт 5 счетчика – вход фазы В и клемма Л1 ТТ2;
- Контакт 7 счетчика – клемма И1 ТТ3;
- Контакт 8 счетчика – вход фазы С и клемма Л1 ТТ3;
- Контакт 9 счетчика – клемма И2 ТТ3.
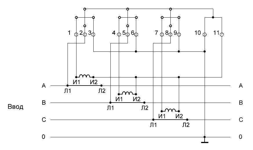
Подключение токовых трансформаторов по схеме «звезда»
В такой схеме нужно меньшее число проводов, чтобы выполнить подключение. В этой схеме клеммы И2 всех токовых трансформаторов, соединяясь вместе, подключаются к клемме 11 счетчика. Контакты 3, 6, 9 и 10, соединившись вместе, подключаем на нулевой провод. Остальные клеммы подключаем так же, как и в предыдущем варианте.
Схема подключения с применением испытательной клеммной коробки
Существует специальное требование для выполнения подключения электросчетчиков через трансформаторы (ПУЭ, гл1.5, п1.5.23), говорящее о том, что это подключение необходимо выполнять с применением испытательного блока (коробки).
Присутствие такой коробки (блока) дает возможность производить замыкание вторичных обмоток токовых трансформаторов, подключить эталонный (образцовый) счетчик без отключения нагрузки и выполнять смену счетчиков, производя отключение всех цепей в испытательной коробке.
Без внимания оставим только одну схему – семипроводную (иначе называемую схемой, имеющей совмещенные цепи напряжения и тока). Не рассматриваем ее по той причине, что такая схема устарела.
Существенным ее минусом считается то, что у нее имеется связь гальванического типа между входными и выходными цепями, а это является источником немалой опасности для тех, кто будет обслуживать электросчетчики.
Вот мы и рассмотрели все существующие схемы подключения электросчетчиков с применением трансформаторов тока. Какой из них использовать, индивидуальное дело каждого. Единственное, что необходимо учитывать при этом, так это индивидуальные особенности места необходимой установки прибора и не забывать про требования специальных правил ПУЭ.
Схемы подключения трехфазного счетчика электроэнергии
Только верно присоединенный счетчик правильно определяет и контролирует количество используемого тока. Поэтому прибор следует верно присоединить. Схема монтирования обусловливается видом.
Полукосвенная
В сеть монтируется с ТТ. Поэтому возможно присоединять в сети с высокими мощностями. Разрешается до 60 кВт. Применяя этот метод учета, для установления трат стоит разность показателей умножать на определенное значение трансформации.

Десятипроводная
Она пользуется большой популярностью. Именно ее эксперты советуют устанавливать сейчас. Ведь она имеет ряд преимуществ. У них нет гальванической связи токовых цепей прибора учета и цепей напряжения. Поэтому подключать ее гораздо безопаснее. А еще благодаря ей удобнее проводить манипуляции.
Не нужно отключать установки при смене счетчика или при проведении различных манипуляций. Он отличается правильностью. Ведь сбор сведений по всем фазам происходит независимо. Если происходит нарушение цепей учета по какой-то из фаз, функционирование учета на других фазах продолжается.
3х-фазный счетчик для правильного функционирования монтировать аккуратно
Особенное внимание стоит уделить маркировке. 10-проводная требует больше проводов, чем остальные схемы
10-проводная имеет недостаток: значительный расход проводника для сборки вторичных цепей учета.

Семипроводная
Свое название получила из-за числа проводов, применяемых во время присоединения. Считается устаревшей, хоть и встречается.
Трансформаторный счетчик должен иметь контактную панель. Если ее нет, то должна присутствовать колодка. Они служат проводником соединения. Их располагают посреди электрического шнура и счетчика.

Звезда
- все типы КЗ проводят ток индивидуально. А гарантия безопасности и функционирования, созданная данным способом, откликается на любое КЗ;
- ток в реле принадлежит к фазному;
- ток нулевой последовательности, не проходящий через реле, не выйдет за грани треугольника ТТ.


Неполная
Устанавливать неполную звезду стоит лишь в сетях, где есть нулевые изолированные точки. Они ограждают от междуфазных КЗ. Она откликается лишь на отдельные появления КЗ однофазного.
Полная
Если есть глухозаземлённая нейтраль, то нужно присоединение ТТ к трём фазам.
Косвенное
Если в сети аппараты, использующие энергию электричества, тратят ее больше номинального значение силы тока, проходящего сквозь счётчик тогда стоит вмонтировать разделительные ТТ. Присоединяют их в разрыв силовых токоведущих шнуров.

С двумя ТТ
В сетях 380 В, при образовании систем учёта расходуемой мощи больше 60кВт, 100А электросчетчик устанавливают, применяя косвенную схему присоединения трехфазного через ТТ. Это помогает измерять большую используемую мощь при помощи аппаратов учёта для меньшей мощи, используя коэффициент пересчёта показателей устройства.
Меркурий 230
Схемы сборки счетчика Меркурий с применением ТТ отличаются сложностью. Подключающий не должен забывать в процессе об ответственности. Обычно он применяется в сети 380 вольт.
Если есть однофазовое и двухфазное КЗ “земля”, то выявляются токовые объемы в реле.





























