Параллельное соединение
Такое соединение резисторов получается путём объединения двух и более электрических устройств, при котором их одни выводы соединяются друг с другом и образовывают первую общую точку, а другие, аналогично первым, образовывают вторую общую точку. В этом случае напряжение на всех элементах одинаковое, а проходящая сила тока зависит от их импеданса.
Формула параллельного соединения резисторов выглядит следующим образом:
R = (R1*R2*R3…*Rх) / (R1+R2+R3…+Rх), где Rх – порядковый номер резистора.
Отсюда следует, что сила тока, протекающая через каждый проводник, находится по формуле: In = U/Rn.
Исходя из этого, при параллельном соединении результирующий импеданс двух и более резисторов будет меньше самого меньшего значения сопротивления в соединении. При этом когда параллельно включены только два резистора, имеющие одинаковый номинал, то их можно заменить эквивалентом, равным одной второй от величины этого номинала.
Так можно соединить и сотню резисторов, тогда эквивалентное сопротивление определяется как сотая часть от номинала. Например, пусть будет участок схемы с десятью резисторами, включёнными параллельно друг другу с номиналом каждого равного 10 Ом, тогда общее сопротивление будет составлять десятую часть, а именно Rоб = 10/10 = 1 Ом.
Пример подбора замены
При разработке прибора возникла потребность использовать на участке цепи резистор с сопротивлением 6 Ом. При изучении номинального ряда стандартных значений, выпускаемых промышленностью, можно отметить, что резистора на 6 Ом в нём нет.
Для получения нужного значения понадобится воспользоваться параллельным включением двух элементов. Эквивалентное значение сопротивления для двух резисторов в таком случае находится в следующем порядке:
- 1/R = (1/R1) + (1/R2);
- 1/R = (R1+R2) / (R1*R2);
- Rэ = (R1*R2) / (R1+R2).

Из решения видно, что если R1 совпадает по номиналу с R2, то общая величина сопротивления равна половине значения одного из элементов. Поэтому при требуемом номинале, равном 6 Ом, это значение составит: Rx = 2*6 = 12 Ом. Для проверки результата следует подставить полученный ответ в формулу: Rэ = (R1*R2) / (R1+R2) = (12*12) / (12+12) = 6 Ом.
Задача на нахождение эквивалента
Пусть существует схема с тремя параллельно включёнными резисторами и для её упрощения необходимо заменить их одним элементом. Номиналы проводников составляют: R1 = 320 Ом, R2= 10 Ом, R3 = 1 кОм. Для решения задачи используется уже известная формула:
- 1/R = (1/R1) + (1/R2) + (1/R3);
- Rэкв = (R1*R2*R3) / (R1+R2+R3).
Перед тем как подставлять величины в формулу, их все понадобится привести к международной системе единиц (СИ). Так, один килоОм равен 1000 Ом, при подставлении этого значения получается ответ: Rэ = (320*1*1000) / (320+10+1000) = 2406 Ом или 2,4 кОм, что как раз соответствует величине из стандартного ряда. Такая методика расчёта применяется для любого количества параллельно соединённых резисторов.
Объединение резистивных радиокомпонентов
Для получения необходимого номинала сопротивления применяются два типа соединения резисторов: параллельное и последовательное. Если их соединить параллельно, то нужно два вывода одного резистора подключить к двум выводам другого. Если соединение является последовательным, то один вывод резистора соединяется с одним выводом другого резистора. Соединения используются для получения необходимых номиналов сопротивлений, а также для увеличения рассеивания мощности тока, протекающего по цепи.
Параллельное соединение
При параллельном подключении значение напряжения на всех резисторах одинаковое, а сила тока — обратно пропорциональна их общему сопротивлению. В интернете web-разработчики создали для расчета величины общего сопротивления параллельного соединения резисторов онлайн-калькулятор.
Рассчитывается общее сопротивление при параллельном соединении по формуле: 1 / Rобщ = (1 / R1) + (1 / R2) + …+ (1 / Rn). Если выполнить математические преобразования и привести к общему знаменателю, то получится удобная формула параллельного соединения для расчета Rобщ. Она имеет следующий вид: Rобщ = (R1 * R2 * … * Rn) / (R1 + R2 + … + Rn). Если необходимо рассчитать величину Rобщ только для двух радиокомпонентов, то формула параллельного сопротивления имеет следующий вид: Rобщ = (R1 * R2) / (R1 + R2).
При ремонте или проектировании схемы устройства возникает задача объединения нескольких резистивных элементов для получения конкретной величины сопротивления. Например, значение Rобщ для определенной цепочки элементов равно 8 Ом, которое получено при расчетах. Перед радиолюбителем стоит задача, какие нужно подобрать номиналы для получения нужного значения (в стандартном ряду резисторов отсутствует радиокомпонент с номиналом в 8 Ом, а только 7,5 и 8,2). В этом случае нужно найти сопротивление при параллельном соединении резистивных элементов. Посчитать значение Rобщ для двух элементов можно следующим образом:
- Номинал резистора в 16 Ом подойдет.
- Подставить в формулу: R = (16 * 16) / (16 + 16) = 256 / 32 = 8 (Ом).
Вам это будет интересно Устройство и принцип действия амперметра для измерения тока
В некоторых случаях следует потратить больше времени на подбор необходимых номиналов. Можно применять не только два, но и три элемента. Сила тока вычисляется с использованием первого закона Кирхгофа. Формулировка закона следующая: общее значение тока, входящего и протекающего по цепи, равен выходному его значению. Величина силы тока для цепи, состоящей из двух резисторов (параллельное соединение) рассчитывается по такому алгоритму:
- Ток, протекающий через R1 и R2: I1 = U / R1 и I2 = U / R2 соответственно.
- Общий ток — сложение токов на резисторах: Iобщ = I1 + I2.
Например, если цепь состоит из 2 резисторов, соединенных параллельно, с номиналами в 16 и 7,5 Ом. Они запитаны от источника питания напряжением в 12 В. Значение силы тока на первом резисторе вычисляется следующим способом: I1 = 12 / 16 = 0,75 (А). На втором резисторе ток будет равен: I2 = 12 / 7,5 = 1,6 (А). Общий ток определяется по закону Кирхгофа: I = I1 + I2 = 1,6 + 0,75 = 2,35 (А).
Последовательное подключение
Последовательное включение резисторов также применяется в радиотехнике. Методы нахождения общего сопротивления, напряжения и тока отличаются от параллельного подключения. Основные правила соединения следующие:
- Ток не изменяется на участке цепи.
- Общее напряжение равно сумме падений напряжений на каждом резисторе.
- Rобщ = R1 + R2 + … + Rn.
Пример задачи следующий: цепочка, состоящая из 2 резисторов (16 и 7,5 Ом), питается от источника напряжением 12 В и током в 0,5 А. Необходимо рассчитать электрические параметры для каждого элемента. Порядок расчета следующий:
- I = I1 = I2 = 0,5 (А).
- Rобщ = R1 + R2 = 16 + 7,5 = 23,5 (Ом).
- Падения напряжения: U1 = I * R1 = 0,5 * 16 = 8 (В) и U2 = I * R2 = 0,5 * 7,5 = 3,75 (В).
Не всегда выполняется равенство напряжений (12 В не равно 8 + 3,75 = 11,75 В), поскольку при этом расчете не учитывается сопротивление соединительных проводов. Если схема является сложной, и в ней встречается два типа соединений, то нужно выполнять расчеты по участкам. В первую очередь, рассчитать для параллельного соединения, а затем для последовательного.
Предисловие
Ладно, начнем издалека… Как вы знаете, все электронные устройства состоят из блоков. Их еще часто называют каскады, модули, узлы и тд. В нашей статье будем использовать понятие “блок”. Например, источник питания, собранный по этой схеме:
состоит из двух блоков. Я их пометил в красном и зеленом прямоугольниках.
В красном блоке мы получаем постоянное напряжение, а в зеленом блоке мы его стабилизируем. То есть блочная схема будет такой:
Блочная схема – это условное деление. В этом примере мы могли бы даже взять трансформатор, как отдельный блок, который понижает переменное напряжение одного номинала к другому. Как нам удобнее, так и делим на блоки нашу электронную безделушку. Метод “от простого к сложному” полностью работает в нашем мире. На низшем уровне находятся радиоэлементы, на высшем – готовое устройство, например, телевизор.
Ладно, что-то отвлеклись. Как вы поняли, любое устройство состоит из блоков, которые выполняют определенную функцию.
– Ага! Так что же получается? Я могу просто тупо взять готовые блоки и изобрести любое электронное устройство, которое мне придет в голову?
Да! Именно на это нацелена сейчас современная электроника
На словах все выходит прекрасно, но всегда есть подводные камни, которые следует изучить, чтобы начать проектировать электронные устройства. Некоторые из этих камушков называются входным и выходным сопротивлением.
Думаю, все помнят, что такое сопротивление и что такое резистор. Резистор хоть и обладает сопротивлением, но это активное сопротивление. Катушка индуктивности и конденсатор будут уже обладать, так называемым, реактивным сопротивлением. Но что такое входное и выходное сопротивление? Это уже что-то новенькое. Если прислушаться к этим фразам, то входное сопротивление – это сопротивление какого-то входа, а выходное – сопротивление какого-либо выхода. Ну да, все почти так и есть. И где же нам найти в схеме эти входные и выходные сопротивления? А вот “прячутся” они в самих блоках радиоэлектронных устройств.
3.1. Активные клавиши
Для работы в этой лабораторной работе применяются
следующие клавиши:
W, S, A, D – для перемещения в пространстве;
F2, E – аналоги средней клавиши манипулятора (при первом
нажатии берется объект, при последующем – ставится);
Ctrl – присесть;
F10 – выход из программы.

Рис. 3.1. Активные клавиши клавиатуры
Рис. 3.2. Функции манипулятора
Левая клавиша мыши (1) — при нажатии и удерживании
обрабатывается (поворачивается, переключается) тот или иной объект.
Средняя клавиша (2) — при первом нажатии (прокрутка не
используется) берется объект, при последующем – ставится (прикрепляется).
Правая клавиша (3) — появляется курсор–указатель (при
повторном — исчезает).
Примечание: При появившемся курсоре невозможно перевести
взгляд вверх и стороны.
Практическое применение
Чаще всего на практике расчёт общего сопротивления цепи выполняют для того, чтобы узнать потребляемую мощность той или иной схемы. При этом, зная общее сопротивление, можно найти и такие важные параметры цепи, как ток и напряжение. Поэтому и рисуют эквивалентную схему электрической цепи. Простые цепи состоят только из последовательных или параллельных участков, но чаще встречаются комбинированные соединения.
Перед тем как приступить к расчёту эквивалентного сопротивления, вся электрическая цепь разделяется на простые контуры. Как только импеданс каждого такого контура будет подсчитан, схема перерисовывается, но вместо контуров рисуется уже резистор. Затем всё повторяется, и это происходит до тех пор, пока не останется один элемент.
Простое соединение
Пусть будет дана схема, состоящая из трёх резисторов, включённых последовательно. При этом сопротивление R1и R2 одинаковое и равно 57 Ом, а сопротивление R3 составляет один килоОм. Для расчёта общего сопротивления цепи сначала понадобится привести значение R3 согласно Международной системе единиц.
Советуем изучить Ремонт стабилизаторов напряжения
R3 = 1 кОм = 1000 Ом.
Так как соединение последовательное, используется формула: Ro = R1+R2+R3. Подставив известные значения, рассчитывается эквивалентное значение: Ro = 57+57+1000 = 1114 Ом.
Если же те же самые резисторы будут расположены параллельно друг другу, то для расчёта общего сопротивления уже используется другое выражение:
1/Ro = 1/R1 + 1/R2 +1/R3.
Ro = R1*R2*R3 / (R1*R2+R2*R3+R1*R3).
Подставив исходные данные в эту формулу, получим:
Ro = 57*57*1000/ (57*57 +57*1000+ 57*1000) = 3249000/117249 = 27,7 Ом.
Если известна мощность и напряжение
Допустим вам нужно найти силу тока в цепи, при этом вам известны только напряжение и потребляемая мощность. Тогда чтобы её определить без сопротивления воспользуйтесь формулой:
P=UI
После несложных мы получаем формулу для вычислений
I=P/U
Следует отметить, что такое выражение справедливо для цепей постоянного тока. Но при расчётах, например, для электродвигателя учитывают его полную мощность или косинус Фи. Тогда для трёхфазного двигателя его можно рассчитать так:
Находим P с учетом КПД, обычно он лежит в пределах 0,75-0,88:
Р1 = Р2/η
Здесь P2 – активная полезная мощность на валу, η – КПД, оба этих параметра обычно указывают на шильдике.

Находим полную мощность с учетом cosФ (он также указывается на шильдике):
S = P1/cosφ
Определяем потребляемый ток по формуле:
Iном = S/(1,73·U)
Здесь 1,73 – корень из 3 (используется для расчетов трёхфазной цепи), U – напряжение, зависит от включения двигателя (треугольник или звезда) и количества вольт в сети (220, 380, 660 и т.д.). Хотя в нашей стране чаще всего встречается 380В.
Определение
Если посчитать общее сопротивление (Rобщ), можно выяснить изменение основных электрических параметров (тока (I) и напряжения (U)) при подключении схемы к определенному источнику питания. В простейшем варианте достаточно применить закон Ома (I = U/ R) и пренебречь внутренним сопротивлением аккумулятора.
При напряжении U = 6,5 В через подключенный резистор R = 20 ОМ будет проходить ток I = 6,5/20 = 0,325 А. По вычисленному параметру с помощью классической формулы можно узнать мощность:
P = I2 *R = U2/ R = 0,105625 * 20 = 2,11 Вт.
Полученное значение пригодится для выбора подходящего пассивного элемента в ассортименте магазина.
На практике приходится решать задачи с большим количеством элементов. Общий показатель эквивалентен суммарному сопротивлению цепи. Однако простым сложением правильный результат получить нельзя. Ниже рассмотрены технологии, по которым выполняют корректные вычисления.
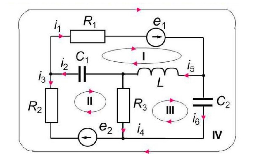
Основные термины и определения
Рисунок поясняет используемую терминологию:
- i1, i2… i6 – токи в отдельных цепях;
- R1-R3 – пассивные элементы (резисторы);
- e1, e2 – типичные обозначения источников тока (ЭДС);
- L и C – компоненты с реактивными характеристиками (индуктивными и емкостными, соответственно);
- ветвями называют с одним током;
- места соединение этих цепей – узлы;
- контуры (обозначены римскими цифрами I, II и III) показывают замкнутые пути прохождения токов по нескольким ветвям.


























