Содержание драгоценных металлов
Давайте узнаем наличие драгоценных металлов в осциллографе С1-72. Посмотрим справочную информацию по перечням и количеству, возьмём данные из открытых источников, таких как техническая литература, нормативная документация, формуляры и документация, приложенная к прибору.
Рекомендации по извлечению драгметалла
Для однотипных изделий станет идеальным вариантом — выборка. Если вместе с другими типами — выщелачивание (перевод в раствор, вымывание) алюминия, обжиг, растворение фракции либо отсев.

Аффинаж драгоценного металла
Информация об аффинаже подразумевает источники и величину содержания драгметаллов в радиокомпоненте. Рекомендуем выбирать оборудование в зависимости от типа лома и способа, каким вы решили извлечь металл.
Предназначение
После изобретения электронно-лучевой трубки (ЭЛТ) появился на свет oscilloscope в 1897 году. Карл Браун, немецкий физик, сконструировал первый настоящий аппарат, позволяющий видеть колебания на экране.
Внешний вид осциллографа н3013 лабораторного типа
Модель осциллографа С1 73 в линейке устройств своего класса – один из популярных отечественных приборов. Для электронно-лучевых измерителей у него масса преимуществ:
- простое устройство;
- доступная цена;
- достаточно компактные габариты;
- высокие эксплуатационные качества.
Если сложные модели использовались только в специальных лабораториях, то с1 73 со временем стал настольным прибором каждого уважающего себя радиолюбителя. Он превосходил по характеристикам осциллограф н313. Аппарат позволял проводить мониторинг электрических импульсов со следующими параметрами:
- Величина исследуемых сигналов в диапазоне 20 мВ – 120 В, использование внешнего делителя 1:10 увеличивает верхний предел до 350 В;
- измеряемые частоты лежат в диапазоне от 0 до 5 МГц;
- изменение временного интервала от 0.4 до 0.5 с;
- измеритель разрешает наблюдать напряжение сигнала переменного и постоянного токов.
Масса oscilloscope без внешнего выпрямителя составляет 3,2 кг. Питание схемы осуществляется от 220 В через встроенный выпрямитель. Применение внешнего источника на 27 В позволяет использовать устройство в полевых условиях. Потребляемая мощность от сети – 30 Вт. Мощность отдельного аккумулятора – до 20 Вт.
ЭЛТ имеет размеры 6*4 см и оснащается резиновой светозащитной маской.
Фото осциллографа с1 73, выпущенного в СССР
К сведению. В продаже имеются компактные устройства, которые можно заказать по почте. Основные параметры осциллографа с1 101, описание и правила эксплуатации отражены в инструкции, прилагаемой к устройству.
Осциллоскоп с1 49 б/у в рабочем состоянии можно приобрести через интернет-площадки продаж электронного оборудования. Там же можно заказать осциллографы н3013 или с1 101.
Технические особенности
- диапазон коэффициентов отклонений: 0.005 — 5 В/дел;
- диапазон коэффициентов развертки: 0.1*10-6 — 0.2 с/дел;
- основная погрешность измерения: коэффициентов отклонения ± 5%, коэффициентов развертки ± 4%;
- ширина луча менее 0.6 мм;
- рабочая область экрана 40 x 30 мм;
- универсальное питание 220, 110, 27, и 12 В;
- пластмассовый корпус;
- рабочие условия: температура от -30 до +50 C, пониженное давление от 450 мм рт. ст., относ. влажность воздуха до 98%;
- Макс. входное напряжение: 300 В;
- Связь с компьютером: нет;
- Потребляемая мощность: 18 ВА;
- Габаритные размеры: 281 x 159 x 71 мм;
- Вес: 1.5 кг;
- Комплект поставки: 3 щупа, 2 из них с делителем 1:10.
Технические характеристики
Ознакомиться с техническими характеристиками поможет наша удобная таблица.
Осциллограф с1 72 характеристики:
| Количество лучей | Один луч |
| Диапазон напряжений | Начиная от 48 мВ и вплоть до 500 В |
| Диапазон интервалов | От 0,2 мкс до 500 мс |
| Погрешность | Амплитуда импульсного сигнала на протяжении более 0,2 мкс в пределе 40 мВ… 60 В —±10 процентов;
Амплитуда синусоидального сигнала в пределе частот 0…2 МГц—±10 процентов; Дополнительная— ±10 процентов; интервалов времени в пределе 0,05 мкс/дел… 5 мс/дел—±10 процентов, в пределе 10…50 мс/дел — ±20 процентов. |
| Питание прибора | От сети переменного напряжения 220 В частотой 50 ±0,5 Гц;
Напряжения 220 В частотой 400 Гц; От источника постоянного напряжения 24 В. |
| Рабочая площадь экрана | Обладает шестью делениями по вертикали и десятью делениями по горизонтали. Одно деление равно 0,6 сантиметров. Луч шириной – 0,6 миллиметров. |
| Потребляемая мощность | 35 В-А – от сети переменного напряжения. |
2Использование прибора
Стоит также отметить, что виды приборов тоже бывают разными и нужно уделить внимание именно многоканальным осциллографам. Специалисты утверждают, что такие приборы дают возможность наблюдать за сигналами, которые находятся в самых разных участках схемы, причем, делать это можно в одно время, что является очень удобной функцией для опытных пользователей
На примере разберем, как важно, чтобы пример имел выше описанную возможность:
На примере разберем, как важно, чтобы пример имел выше описанную возможность:
- Нам необходимо просмотреть сигнал, который будет появляться и на входе и на выходе усилителя.
- Получается главной задачей в данной ситуации является выяснить, какие изменения внесет наш усилитель в электрическую цепочку и как это повлияет на нее, в принципе.
- Здесь также мы сможем выяснить и изменение самой амплитуды, а также задержку во времени (если таковая имеется).
Стоимость такого прибора не фиксированная и зависит она от многих факторов:
- количество входов на приборе
- фирма изготовитель
- наценка распространителя, то есть, продавца и т.д.

Многих интересует, что собой представляет развертка в рассматриваемом приборе. На самом деле, все очень просто – это линия, которая показывается на экране осциллографа в том случае, если сигнал, который исследуется, отсутствует. В данном случае действует единственное напряжение самой развертки.
На сегодняшний день существует несколько видов разверток, основными из которых являются круговая и линейная.
Сразу возникает вопрос – где применяется непрерывная развертка. Ответ очень простой – при исследовании сигналов периодического типа
Помимо всего прочего, она также понадобится для импульсных сигналов, скважность которых совсем небольшая
Если обобщить всю полученную информацию и упростить его на порядок, то получится, что при помощи осциллографа можно измерить:
- частота
- напряжение
- сдвиги по фазам
- ток
Приобретают такой прибор пользователи для того чтобы наблюдать саму форму сигнала, можно назвать это самым главным его предназначением.
К сигнальным свойствам, которые можно увидеть благодаря осциллографу относятся:
- Импульсивный сигнал
- Невозможность приема значений отрицательного характера
- Оперативное изменение сигнала
- Превышение длительности импульсов

Рассматриваемый прибор можно приобрести без особых трудностей в специализированных магазинах или же по интернету. Если вы не очень разбираетесь в таких приборах, тогда для вас будет оптимальным вариантом – посетить лично специализированный магазин, где специалисты, консультанты ответят на все интересующие вас вопросы, все вам подробно расскажут и покажут.
Осциллограф – полезный прибор, тем более для тех, кто разбирается в электронике, но сказать о том, что стоимость его невысокая – нельзя. Так что, для приобретения такого прибора необходимо будет раскошелиться.
Планы электронных компонентов

Рис. 1. Расположение элементов на лицевой стороне платы коммутатора.

Рис. 2. Расположение элементов на обратной стороне платы, коммутатора.

Рис. 3. Расположение элементов на лицевой стороне платы усилителя вертикального отклонения.

Рис. 4. Расположение элементов на обратной стороне платы усилителя вертикального отклонения.
Рис. 5. Расположение элементов на лицевой стороне платы генератора развертки.
Рис. 6. Расположение элементов на обратной стороне платы генератора развертки.

Рис. 7. Расположение элементов на плате переключателя развертки.

Рис. 8. Расположение элементов на плате усилителя X.

Рис. 9. Расположение элементов на плате усилителя импульсов подсвета.

Рис. 10. Расположение элементов на плате генератора импульсов.

Рис. 11. Расположение элементов на плате нагрузки.

Рис. 12. Расположение элементов на плате управления коммутаторов.

Рис. 13. Расположение элементов на плате калибратора.

Рис. 14. Расположение элементов на плате управления режимом ЭЛТ.

Рис. 15. Расположение элементов на плате стабилизаторов.

Рис. 16. Расположение элементов на плате конденсаторов.

Рис. 17. Расположение элементов на плате преобразователя.

Рис. 18. Расположение элементов на плате мостов.

Put. 19. Расположение элементов на плате стабилизатора.

Рис. 20. Расположение элементов на плате фильтров.
Схемы осциллографа с1-49 | Сайт радиолюбителей
Форма поиска
Поиск
Главная Категории Цифровая электроника WI-FI DMX-512 Аудиотехника Динамики, сабвуферы Усилители НЧ и ламповые УНЧ Схемы автомобильных усилителей мощности Схемы усилителей мощности для дома Схемы ламповых усилителей мощности Девайсы от Клаусмобиля Разное Регуляторы тембра, эквалайзеры Предварительные усилители СветоМузыка Эффекты и примочки Для шпионов Радиомикрофоны и жучки Жучки, радиомикрофоны и подслушивающие устройства Подслушивающие устройства для телефонных линий Все что может пригодиться для шпионских штучек Другие виды подслушивающих устройств Детекторы радиозакладок Автолюбителям Электроника для автомобиля Устройства для автомобиля Зажигание Все для аккумуляторов Схема электропроводок Охранные устройства и сигнализации Инжектор Приём-передача Антенны Антенны к радиоприемникам Антенны для Си Би связи Антенны для КВ связи Узлы радиолюбительской техники ВЧ усилители мощности Радиоприемники Радиопередатчики, радиостанции Радиомодемы ТелеУправление Электроника в быту Бытовая электроника Звонки и аудио-имитаторы Световые приборы и освещение Индикаторы и детекторы Таймеры и реле Регуляторы мощности и термостабилизаторы Разное Охранные устройства Охранные устройства и сигнализации Аудио и видеонаблюдение Инфракрасная техника Осторожно радиация Медицинская техника Электроудочки Телефоны Фрикинг и кардинг Телефония Компьютер Устройства для компьютера Интерфейсы ИК-порты Модинг Разное Микроконтроллеры ТВ-техника Телевизионная техника Антенны Антенные усилители Видеопередатчики Спутниковое ТВ Мобильная связь Интерфейсные кабели (Data-кабели) Data-кабели для телефонов Alcatel Data-кабели для телефонов Ericsson Data-кабели для телефонов Motorola Data-кабели для телефонов Nokia Data-кабели для телефонов Panasonic Data-кабели для телефонов Samsung Data-кабели для телефонов Siemens Data-кабели для других моделей телефонов Измерения Ремонт бытовой техники Ремонт телевизоров Ремонт радиоаппаратуры Блоки питания Блоки питания Стабилизаторы напряжения Преобразователи напряжения Зарядные устройства Разное Разное Применение микросхем Радиолюбителю-конструктору Радиолюбительская технология Радиолюбительские расчеты Форум


Категории:
Измерения
Условия эксплуатации
Практически любой электронный прибор чувствителен к тем или иным условиям эксплуатации, и осциллограф не является исключением. Основные требования к условиям использования прибора таковы:
- нельзя пользоваться устройством в местах повышенной влажности. На работу влияет не только влага, но и параметры воздуха;
- нельзя включать приспособление в сеть, если рядом имеются легковоспламеняющиеся и горючие вещества;
- всегда нужно держать устройство в чистоте и соблюдать температурный режим использования, диапазон которого составляет от −30 °С до 50 °С.
Важно! Для очистки прибора используют только мягкие и сухие тканевые салфетки или тряпки. Попадание влаги под корпус недопустимо, так как это может вызвать серьезные проблемы в работе техники. Постоянное напряжение, изображенное в виде прямой линии
Постоянное напряжение, изображенное в виде прямой линии
Функциональные нормы аппарта
Перед приобретением устройства необходимо ознакомится, какие осциллограф с1 68 характеристики имеет:
Количество лучей(каналов) – один.
Предел измеряемых напряжений 2 мВ – 200 В.
Временные промежутки 2 мкс – 16 с.
Пропускная полоса 0 – 1 МГц.
Время нарастания ПХ 350 нс.
Питание 220 В, 50 Гц; 115 В, 400 Гц.
Мощность 40 В*А.
Выброс на ПХ не более 10 %.
Ширина линии луча 0,7 мм.
Допустимые нормы температур рабочей среды -10… +50 °С.
Погрешности измерения амплитуды и интервала не более 5%.
Размеры экрана по вертикали – 60мм, по горизонтали – 80 мм.
Параметры канала Y:
- чувствительность канала 1 мВ/дел – 5 В/дел;
- входное сопротивление канала 1 Мом;
- входная емкость канала 50 пФ.
Характеристики канала X:
- длительность развертки от 2 мкс/дел до 2 сек/дел;
- внешняя синхронизация: амплитуда сигналов 0,5 – 50 В, частота 1 Гц – 1 МГц, входное сопротивление 50 Ком.
Параметры канала Z:
- частота канала 20 Гц – 0,2 МГц;
- диапазон входных напряжений 20 – 50 В;
- входное сопротивление 10 Ком.
Параметры канала калибровки:
- частотность меандр 2 КГц;
- напряжение сигнала 0,1 или 1 В.
Масса 10 кг.
Габариты 274х206х440 мм.
Типичные поломки и ремонт устройства
При ремонте мультиметра следует учитывать, что этот элемент наполнен цифровыми микросхемами малой и средней степеней интеграции. Именно поэтому перед ремонтом следует проанализировать схему осциллографа с1 112 и временных диаграмм, чтобы до конца понять принципы функционирования прибора.
Диагностировать поломки проще всего путем проработки причин неисправностей во временных диаграммах сломанного прибора. Найти повреждения проще, пользуясь логическим анализатором, способным к одновременному исследованию сразу нескольких логических сигналов.
При неисправности цифровых узлов нужно обратить внимание на несколько положений:
- Все логические микросхемы, выполняющие функцию И-НЕ, при поломке сохраняют на выходе микросхемы лог. «1» (если есть) на каждом из входов или лог. «0» (если есть) на каком-то из входов.
- Неисправность логической микросхемы с функцией ИЛИ-НЕ часто диагностируют за счет сохранности на выходе лог. «1» (при ее присутствии на входах И) или сохранения на выходе лог. «0» (если присутствует там же на ИЛИ).
- Указанные выше параметры действуют при исправности логических микросхем, загрузка которых осуществлена на неисправные. В такой ситуации возникает насильное подтягивание рабочих микросхем к 0 или подпитке нерабочих.
- Чтобы проверить, действительно ли не работает микросхема, следует прервать контакт ее выхода со входами других.
- Необходимо следить за амплитудой импульсов, не обозначенной на эпюрах напряжений, и ее соответствием уровням ТТЛ. Для лог. «1» амплитуда должна начинаться от 2,4 В, для лог. «0» — не подниматься выше 0,4 В.
- Успешный ремонт осциллографа мультиметра с1 112а и его собрата с1 112 возможен только при условии владения информацией о режимах постоянного тока и временных диаграмм работы исправного аппарата (рис. 5).
Осциллограф С1-112 достаточно прост в эксплуатации, измерение напряжения проводит точно. Удобства прибора оценены в рамках использования в мастерских, а также учебных заведениях при проверке и ремонте электронной аппаратуры разных видов и назначения.
Проверка, настройка и регулировка прибора
При пользовании измерителем в частном порядке возникает необходимость выполнить эти работы собственными руками. Чтобы настроить и отрегулировать осциллограф с1 73, нужно иметь под рукой:
- схему прибора;
- вольтметр высокоомный;
- осциллограф типа с1 68 или с1 74;
- цифровой ампервольтметр;
- киловольтметры;
- генератор импульсов Г5-41 или аналогичный;
- частотомер.
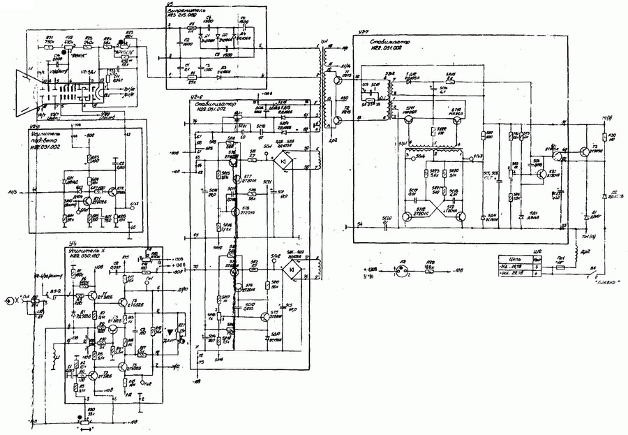
Принципиальная схема осциллографа с1-73
К сведению. Всю необходимую информацию можно выяснить, изучив описание прибора и инструкцию по эксплуатации. Там можно узнать, из каких элементов состоит устройство, их параметры, содержание драгметаллов и технические характеристики, заявленные заводом изготовителем в сопроводительной документации.
Настройку осуществляют по блокам, отталкиваясь от схемы приборы и требуемых параметров.
Проверяются следующие цепи:
- Встроенный блок питания тестируют при включенном приборе:
- Измеряют потребляемый ток Iн = 750 мА. В прогретом состоянии измеряют и регулируют выходные напряжения. На концах ёмкостей 5С7 и 5С8 должно составлять 18-19 В. Подстройку осуществляют сопротивлением 5R5.
- Частота прямоугольных импульсов на выводах 4 и 6 5Тр1 лежит в отрезке 8-9 кГц при совпадении длительности разнополюсных полупериодов. Контроль осуществляют частотомером и тестовым осциллоскопом, подстройку частоты конвертера выполняют элементом 5R21. Аналогично на присоединениях 5С16 и 5С14 проверяется присутствие напряжения +10 В и -10 В. Допустимое расхождение – 0,2 В по обоим значениям. Регулировку производят, вращая 5R18 (–10 В) и 5R14 (+10 В) до достижения нужных показателей.
- При помощи ампервольтметра проверяют и подстраивают резистором 5R5 потенциал +80 В. Допустимые отклонения – +75…82 В. Также подстраивают U = + 2500 В на выводе 3 высоковольтного преобразователя И23.215.069. Оно должно быть 2375…2625 В. U = – 650 В приводят к норме (в пределах –630…–670 В), проверяя вольтметром в точке 1 преобразователя.
- Цепь управления ЭЛТ проверяют и настраивают после работы в течение 5 минут. Вращая регуляторы «Фокус» и «Яркость», убеждаются в работоспособности. Добиваются установки линии развёртки на середину дисплея при помощи регуляторов «Ч» и «Ц». Установив переключатель « В/дел» в положение «t5 дел», сдвигают измеритель в режим «Калибратор». Проверяют качество картинки на дисплее. В случае обнаружения искажения восстанавливают, вращая ось переменного сопротивления R16. Чёткость луча регулируют совместно резистором R18 платы оконечного каскада горизонтальной развёртки и регулятором «Фокус».
- Подстройка калибратора происходит с помощью частотомера, подключённого к гнезду «Y_|_|_ 1 В» на левой панели. Выходной сигнал на этом гнезде – 1 кГц. Регулировку выполняют резистором 4R5. Амплитуда сигнала не должна расходиться с номинальной более, чем на 1В (подгоняют, используя 4R4).
- Работа с блоком отклонения луча по вертикали выполняется при прогретом аппарате:
- Переводят переключатель входов В2 на «|_», «В/дел» – на риску «0,05 В». Располагают по центру экрана черту развёртки. Смещают «В/дел» в положение «0,01 В», подстройкой «Баланс», находящейся на левой стенке, возвращают черту на место. Такие манипуляции производят на делениях «0,05 В», «0,02 В», «0,01 В», добиваясь того, чтобы полоска находилась в центре при любом положении «В/дел».
- Установив ручку «В/дел» на метку «t5 дел», переводят регулятор «Усиление» до упора по часовой стрелке. Картинка обязана иметь 5 делений по вертикали, нужного результата достигают регулировкой «tВ/дел» на левой панели.
- Ручку «Усиление» выводят в крайнее состояние влево, «В/дел» ставят в любое из положений «0,02 В» или « 0,01 В». При смещении линии развёртки возвращают луч на место импедансом 1R12. Искать на плате предусилителя. Добиваются статичности линии при разных положениях «Усиление» и «В/дел».
- Подключив цифровой вольтметр к контактам 5 и 6 предварительного усилителя, снижают напряжение между ними до нуля резистором 1R28. Вращая 1R18, доводят разность потенциалов до 0,5 В.
- Опять переставляют «В/дел» на «t5 дел», «Усиление» – до упора вправо. Добиваются с помощью «tВ/дел» на левой стенке рисунка, растянутого на 5 делений по вертикали. В случае неудачи подбирают величину сопротивления R14 оконечного каскада усиления.
- Отладка X-развёртки. Эта процедура выполняется только после замены экрана или после ремонта блока.
Знание конструкции осциллографа, умение пользоваться прибором и ремонтировать его помогают при ремонте сложного электронного оборудования.
Области применения
Осциллограф предназначен для изучения динамических процессов. Чтобы пользоваться прибором правильно, следует не превышать конструкционные возможности. Ниже представлены примеры решения практических задач.
Наблюдение фигур Лиссажу
При одновременной подаче на входы осциллографа сигналов с приблизительно равными частотами на экране будут видны характерные изображения. Этот метод используют для настройки генератора по эталонному образцу.
Фигура Лиссажу на ЭЛТ аналогового прибора
Курсорные измерения
Для повышения точности измерений на экран выводят вспомогательные координатные полосы (курсоры). При хорошей оснащенности осциллограф индицирует отдельные показатели в цифровом виде.
Математические функции
Некоторые модели современных осциллографов (блоки для подключения к компьютеру) способны обрабатывать сигналы по сложному алгоритму. Необходимый вариант описывают соответствующей математической функцией: сложение, вычитание или др.
Захват строки телевизионного сигнала
В соответствии с названием такой режим предназначен для изучения телевизионного сигнала. Главная особенность – специальная синхронизация, позволяющая выводить на экран необходимое количество строк.
Функциональные нормы аппарта
Перед приобретением устройства необходимо ознакомится, какие осциллограф с1 68 характеристики имеет:
Количество лучей(каналов) – один.
Предел измеряемых напряжений 2 мВ – 200 В.
Временные промежутки 2 мкс – 16 с.
Пропускная полоса 0 – 1 МГц.
Время нарастания ПХ 350 нс.
Питание 220 В, 50 Гц; 115 В, 400 Гц.
Мощность 40 В*А.
Выброс на ПХ не более 10 %.
Ширина линии луча 0,7 мм.
Допустимые нормы температур рабочей среды -10… +50 °С.
Погрешности измерения амплитуды и интервала не более 5%.
Размеры экрана по вертикали – 60мм, по горизонтали – 80 мм.
Параметры канала Y:
- чувствительность канала 1 мВ/дел – 5 В/дел;
- входное сопротивление канала 1 Мом;
- входная емкость канала 50 пФ.
Характеристики канала X:
- длительность развертки от 2 мкс/дел до 2 сек/дел;
- внешняя синхронизация: амплитуда сигналов 0,5 – 50 В, частота 1 Гц – 1 МГц, входное сопротивление 50 Ком.
Параметры канала Z:
- частота канала 20 Гц – 0,2 МГц;
- диапазон входных напряжений 20 – 50 В;
- входное сопротивление 10 Ком.
Параметры канала калибровки:
- частотность меандр 2 КГц;
- напряжение сигнала 0,1 или 1 В.
Масса 10 кг.
Габариты 274х206х440 мм.
Принципиальная схема
Осциллограф универсальный С1-101 Усилитель У Схема электрическая принципиальная И22.035.377 Э3.
Осциллограф универсальный С1-101 Генератор развертки и преобразователь. Схема принципиальная И23.263.035 Э3 Лист 1.

БЛОК ПИТАНИЯ Схема электрическая принципиальная И22.087.457 Э3.

УСТРОЙСТВО АВТОМАТИКИ Схема электрическая принципиальная И22.070.145 Э3.

БЛОК ПИТАНИЯ Схема электрическая принципиальная И22.087.459 Э3.

ДЕЛИТЕЛЬ Схема электрическая принципиальная И22.727.095 Э3.

ВЫПРЯМИТЕЛЬ Схема электрическая принципиальная И23.215.184 Э3.

ВЫПРЯМИТЕЛЬ Схема электрическая принципиальная И23.215.185 Э3.

ВЫПРЯМИТЕЛЬ — Схема осциллографа С1-101 И23.215.І86 Э3.

ВЫПРЯМИТЕЛЬ Схема электрическая принципиальная И23.215.187 Э3.

ФИЛЬТР Схема электрическая принципиальная И23.290.015 Э3.

Знаками О обозначены точки автоматического контроля.
Коммутатор развертки. Схема электрическая принципиальная И23.602.025 Э3.
Соединительные шнуры и входы
Работа с осциллографом невозможна без специальных соединительных шнуров, используемых для снятия сигнала с заданной точки контролируемой электронной схемы. Каждый из них необходим для подключения к тому или иному входному гнезду, имеющему определённое функциональное назначение. В комплекте современного осциллографа может быть несколько таких соединителей, рассчитанных на работу с различными схемами. С ответной стороны они подключаются к специальному коаксиальному гнезду, расположенному в нижней части панели управления.
Дополнительная информация. В различных моделях электронных устройств усилитель и развёртка способны обрабатывать сигналы с частотами, начиная от единицы и кончая сотнями мегагерц.
Для их обработки в любом случае потребуются ВЧ шнуры (их иногда ещё называют «концами»). Исключение составляют лишь низкочастотные приборы (НЧ), предназначенные для обработки сигналов с частотами до 1 МГц, в которых могут использоваться простые провода (без экранной оплётки).
Понятно, что двухлучевой осциллограф должен содержать в своём комплекте пару таких шнуров, подсоединяемых к двум различным гнёздам (они обозначаются как «Вход 1» и «Вход 2»). Иногда для внешней синхронизации развёртки к прибору может прикладываться ещё один «конец», подключаемый к входному разъёму под обозначением «Синхронизация».
Какие бывают цифровые осциллографы
Цифровые по своим свойствам подразделяются на:
- цифровые запоминающие осциллографы;
- цифровые стробоскопические осциллографы;
- портативные;
- на базе ПК;
- осциллографы смешанных сигналов.
Цифровой запоминающий осциллограф
Эти устройства имеют возможность хранения данных, обладают высокой скоростью считывания информации. Есть возможность замедленного воспроизведения событий. Продаются как большие стационарные, но можно найти переносной компактный осциллограф.
Цифровые стробоскопические осциллографы
Предназначены для исследования коротких периодических сигналов. Имеет высокую чувствительность и широкую полосу пропускания за счет использования стробоскопического эффекта. Анализ производится в несколько этапов:
- при старте захватывает группу выборок, разнесенных по времени;
- смещается точка запуска и повторяется захват;
- смещение осуществляется специальной схемой, обеспечивающей равномерный сдвиг точки захвата;
- процесс повторяется и строится осциллограмма с бесконечным послесвечением.
Но из-за своих параметров это не дешевый осциллограф.
Портативные осциллографы
Приборы небольшого размера, веса, оснащенные аккумуляторами. Удобны для ремонта оборудования, поиск неисправностей бытовой и цифровой техники на выезде. Сколько стоит осциллограф? На торговых площадках можно подобрать себе недорогой цифровой осциллограф с подходящими для Вас параметрами. Например, и 5м осциллограф DSO FNIRSI PRO начинается с цены 1$. Но там же можно найти высокочастотный осциллограф с более высокими ценами.
Осциллографы на базе ПК
Представляют из себя многофункциональное устройство, подключаемое к ПК через USB разъем.
Его преимущества:
- высокая скорость переработки информации;
- удобные в эксплуатации;
- возможность сохранения информации на накопитель для последующей работы;
- включает в себя дополнительно несколько устройств (анализатор, генератор сигналов, генератор последовательностей).
Недостатки:
худшие характеристики по сравнению со стационарными;
у многих нет гальванической развязки и можно испортить компьютер при неосторожной работе.
Осциллографы смешанных сигналов
Представляют из себя 2-х , 4-х или 8-ми аналоговых каналов и дополнительно 8-ми, 16-ти или 64-х канальный логический анализатор. Предназначен для поиска неисправностей и отладки логических схем. Позволяет одновременно контролировать аналоговые и цифровые сигналы.
Обзор лучших приборов для радиолюбителей
«Сиглент SDS 1022»
Высокоточный прибор, отображающий все сигналы. Верхняя граница частоты сигнала доходит до 100 Гц. Работает в 3 режимах. Стоимость около 16 тысяч рублей. Погрешность в работе практически отсутствует. Обрабатывает частоту сигнала от 10 до 100 Гц.
Торговая марка «Ригол»
Главный их козырь – высокая производительность, простота в использовании и регулирующаяся чувствительность. Качественный фильтр практически исключает погрешности. Устройство имеет двойной дисплей.
В работе широко используется модель DS1102C. Запускается в фронтальном и наклонном режиме. Прибор двухканальный. Интерфейс простой. Цена – 20 тысяч рублей.
«Тектроникс TDS 3064»
Несмотря на использование для проверки электронных линий, благодаря нему можно проверить функционирование платы. Двухканальный, широкая полоса пропускания. Легко настраиваемый цифровой фильтр. Преимущество модели – 20 автоматических измерений. Благодаря функции хранения и воспроизведения, есть возможность записи данных по кадрам. Встроенные математические функции, автокалибровка, аппаратный частометр и преобразователь «Фурье». Прибор работает с задержкой старта. Компактная модель, приятный дизайн. Цена – 22 000 рублей.
«Тектроникс MSO 4104»
Как и предыдущая модель, обладает широкой полосой пропускания – 100 МГц. На старте, частота дискретизации составляет 1 Гц. Главная особенность модели – встроенный входной импеданс. Прибор двухканальный, объем памяти 1 Мб.
Высокая чувствительность по вертикали, можно запускать по видео и фронту. Может выполнять все математические функции. Данные по измерению прибор позволяет получать автоматически. Модель довольно компактная и легкопереносимая.
Цена осциллографа -около 18 тысяч рублей.
Осциллографы от производителя «Акип»
Главное их преимущество – удобный интерфейс и многофункциональность. По сравнению с предыдущими приборами – полоса пропускания неширокая – около 60 МГц. Стандартный объем памяти (32 000 точек). Прибор поддерживает СР – команды, разрешение экрана – 480 на 234 пикселей. Шестиразрядный аппаратный частотомер.
USB осциллограф обзор лучших моделей
В этой категории лучшими станут Hantek, Instrustar, SainSmart. Это лучшие бюджетные варианты. Подходят для ремонта телевизоров и ноутбуков.
Основываясь на данные характеристики, выбрать нужный осциллограф будет легко.
Как правильно пользоваться осциллографом
После того, как стало понятны устройство и виды, нужно понять, как пользоваться осциллографом.
Начать стоит с калибровки. Для этого предусмотрены выходы встроенного калибратора, в котором значения частоты и напряжения строго фиксированы. Изображение на экране подгоняют под норму, регулируя чувствительность и частоту. Следует помнить, что щупы у этого устройства имеют два выхода, один из которых подключается к массе – общей точке всей электросхемы.
Далее на входном аттенюаторе нужно выставить уровень напряжения измеряемого сигнала. Если оно неизвестно, то устанавливается максимальное положение. Обычно – 100В на одно деление экрана. Переключениями аттенюатора нужно добиться, чтобы картинка заняла большую часть экрана.
Следующий шаг – выставить нужный режим синхронизации и частоту задающего генератора. Значения длительности периода колебаний установлены на регуляторе частот. Например, переключатель установлен на 20 мс/дел. Это обозначает, что период колебаний, длящийся 20мс, уложится в одно деление на координатной сетке. Частота будет равна 50Гц.
Регулируя уровень и синхронизацию, нужно добиться неподвижности изображения.
Чтобы произвести измерения, нужно следовать алгоритму:
- Определить уровень сигнала. То есть посчитать, сколько делений по вертикали занимает изображение.
- Число, полученное в первом шаге, нужно умножить на значение аттенюатора.
- Определить длительность сигнала. То есть посчитать, сколько делений по горизонтали занимает изображение.
- Умножить число, полученное в третьем шаге, на значение регулятора длительности.
- Частоту нужно определить по формуле F=1/T, где F – это частота, а T – период колебания (наименьший промежуток времени, за который происходит колебание).
































Фигура Лиссажу на ЭЛТ аналогового прибора













Осциллограф с1 49 во включенном состоянии










Внешний вид осциллографа н3013 лабораторного типа
Фото осциллографа с1 73, выпущенного в СССР














